Напряженное состояние в окрестности точек тела и его виды.
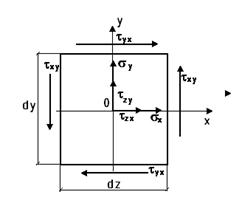
Совокупность напряжений, действующих на различные площадки, проведенных через точки тела, характеризует напряженное состояние в окрестности данной точки.








Касательные напряжения по двум взаимно перпендикулярным площадкам всегда равны по величине и направлены навстречу друг другу или наоборот.
Напряженное состояние в точке определяется 6 компонентами: σx, σy, σz, τxy=τyx, τyz=τzy, τzx=τxz.
Тензор напряжения – матрица вида:

ν
- внешняя нормаль к наклонной площадке;
- вектор полного напряжения;
- вектор нормального напряжения;
- вектор касательного напряжения.




Теорией упругости доказывается:
или 
X, Y, Z – проекции вектора
на оси x, y, z.

Обозначим 
Площадь 

Спроектируем все силы на соответственные оси координат:


- формула для
вычисления проекции вектора
напряжения на оси x, y z.
Предположим, что наклонная площадка BCD является главной (отсутствуют наклонные напряжения).
- σx, σy, σz переобозначим как S; следовательно σx=S, σy=S, σz=S – являются главными напряжениями.
|
|
|






S – 3 корня кубического уравнения, которые представляют собой главные напряжения.


- инварианты
σ1≥ σ2≥ σ3 - индексы главным напряжениям присваиваются в порядке убывания их величин с учетом знака.
Инварианты – это величины, не изменяющиеся при любом наклоне площадки.



Если все 3 инварианта отличны от нуля, то напряжение называется объемным.
Если 2 инварианта отличны от нуля, а третье равно нулю, то напряжение называется плоским.
Если 1 инвариант отличен от нуля, а два равно нулю, то напряжение называется линейным напряженным состоянием.
Инварианты могут быть как положительными, так и отрицательными величинами.
или 

Существует 3 вида напряженного состояния:
1. односложное (линейное): одно из главных напряжений не равно нулю, а два других равны нулю;
2. двухосное (плоское): два главных напряжения не равны нулю, одно равно нулю.
3. трехосное (объемное): все три главных напряжения отличны от нуля.