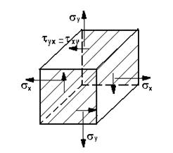
Плоское напряженное состояние возникает при поперечном изгибе, кручении в элементах тонкостенных оболочек, нагруженных внешним или внутренним давлением.




1)
2)
3)
1) 
2) 
3) 
4) 
5) 





Экстремальные значения напряжения.
А) 
;
Б) 
;
В) 


Площадки, по которым касательные напряжения достигают экстремальных значений, называются площадками сдвига.
Рассмотрим, как определяются главные напряжения при заданных нормальных и касательных.

Дано:

Найти:


- (двухосное напряженное состояние)




Уравнение вида: 






Формула для определения двух главных напряжений при одном известном.








