Принцип действия кондуктометрических уровнемеров основан на замыкании электрической измерительной цепи, при достижении продуктом определенного уровня — уровня установки первичного преобразователя. Применяются в основном, как сигнализаторы уровня.
На рис. 2.44 приведена схема установки кондуктометрических датчиков уровня в металлических и неметаллических резервуарах.


а б
Рис. 2.44. а - вертикальное размещение датчиков уровня в открытом неметаллическом резервуаре; б - горизонтальное размещение кондуктометрических датчиков уровня в закрытом металлическом резервуаре.
Достоинством кондуктометрических сигнализаторов является возможность контроля нескольких уровней и высокая точность срабатывания. Погрешность измерений составляет ±10 мм. Возможность удаления вторичных приборов от места установки датчиков до 100 м.
Основной недостаток заключается в невозможности контроля уровня неэлектропроводящих сред.
Емкостные датчики основаны на преобразовании уровня продукта в изменение электрической емкости. Емкостные датчики обеспечивают как сигнализацию предельных значений уровня, так и его индикацию. В каждом случае вторичным прибором служит соответствующий измеритель электрической емкости. При существенном различии диэлектрической проницаемости двух сред емкостной датчик может служить для контроля поверхности их раздела.
|
|
|
Не рекомендуется применять емкостной датчик для вязких продуктов из-за их налипания, а также для жидкостей, образующих пену.
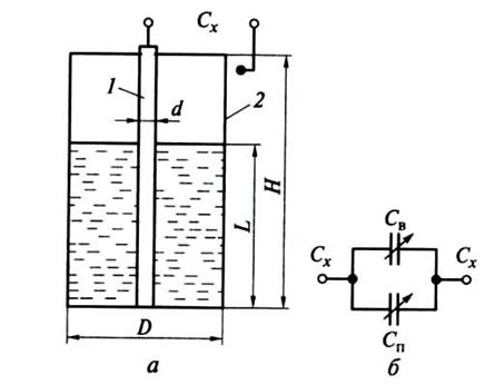
Н рис.2.45 приведена схема контроля уровня емкостным методом. В резервуар 2 высотой Н опущен металлический стержень 1, диаметром d имеющий внешнее диэлектрическое фторопластовое покрытие. Корпус резервуара является наружным электродом, а стержень внутренним. Высота уровня продукта в резервуаре — L. Общая емкость такого конденсатора Сх может быть представлена схемой замещения (рис. 3, б). При параллельном соединении конденсаторов их общая емкость равна сумме составляющих Сх = Св + Сп, где Св — электрическая емкость части резервуара, заполненной воздухом, пф; Сп — электрическая емкость части резервуара, заполненной продуктом, пФ.

Рис. 2.45. Контроль уровня емкостным методом: а — схема контроля; б — схема замещения
Сигнализаторы уровня оснащаются одним, двумя и тремя датчиками для сигнализации нижнего, верхнего и предельного уровней. Сигнализаторы имеют электрический выход для дистанционной передачи. Сигнал может быть преобразован в пневматический с помощью соответствующей приставки – преобразователя.
Для диэлектриков применяются датчики с голыми проводниками в виде стержней, двух коаксиальных цилиндров или параллельных пластин.
|
|
|
При контроле электропроводных материалов, каковыми, как правило, являются жидкие пищевые продукты, электроды покрываются слоем изоляции, чаще всего фторопластом.
Емкостные датчики включаются в мостовую измерительную схему или колебательный контур генератора высокой частоты.






