Кондуктометры
Анализаторы состава жидкостей
Анализаторы состава жидкостей широко применяются в различных отраслях пищевой промышленности для определения качества сырья, промежуточных и готовых продуктов. С их помощью измеряют содержание и концентрацию кислот, солей, щелочей в водных растворах, добавок ионов металлов в тесте и т. д. По принципу действия анализаторы состава жидкостей подразделяются на:
электрохимические (кондуктометрические, потенциометрические, полярографические ),
оптические (колориметрические, рефрактометрические, нефелометрические, турбидиметрические, поляризационные,
пламенно-фотометрические, люминисцентные ),
диэлькометрические,
радиоизотопные,
акустические,
тепловые.
В лабораторных испытаниях применяют магнитооптические методы, метод ядерно-магнитного резонанса, электронно-парамагнитный, масс-спектрометрический, магнитный и другие методы.
В пищевой промышленности для различных технологических процессов применяются растворы солей, кислот и щелочей. Кислоты и щелочи используются для мойки оборудования и трубопроводов.
|
|
|
Осуществление автоматического контроля и регулирования их концентрации является весьма актуальной задачей, особенно при безразборной мойке оборудования.
Эти среды, как правило, являются хорошими электролитами, т.е. растворами с высокой электропроводностью, величина которой зависит от их концентрации.
Для контроля этого показателя в промышленности широко применяются кондуктометрические приборы - кондуктометры, отличающиеся высокой чувствительностью, сравнительной простотой и надежностью.
Кондуктометрический метод, как контактный, так и бесконтактный, основан на измерении электропроводности растворов. Кондуктометры, предназначенные для контроля концентрации солевых растворов, называются солемеры. Кондуктометры, предназначенные для контроля концентрации кислот и щелочей, носят название концентратомеров. Шкала таких приборов градуируется в процентахмассовой концентрации. Единица измерения удельной электропроводности – Сименс-метр в минус первой степени (См/м) изменяется для водных растворов электролита от 10-4См/м (бидистиллят) до 100 См/м (сильные электролиты). Это позволяет контролировать концентрацию с достаточно высокой чувствительностью.
Конструктивно кондуктометрическая ячейка представляет собой два электрода площадью S, помещаемые в раствор на расстоянии l между собой.
Кондуктометрические ячейки могут работать как на переменном, так и на постоянном токе. Однако в связи с явлениями электролиза раствора и поляризации электродов предпочтение отдается переменному току повышенной частоты (1000 Гц).
|
|
|
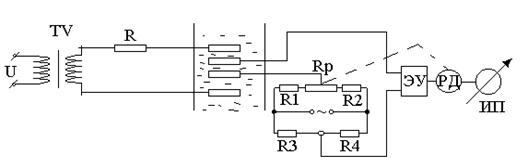
В контактной кондуктометрии получили широкое распространение 4-электродные ячейки (рис. 2.55). Эти ячейки имеют преимущество перед 2-электродными благодаря полному отсутствию поляризации на измерительных (внутренних) электродах.
![]() |
Рис. 2.55. Принципиальная электрическая схема четырехэлектродной кондуктометрической измерительной ячейки.
R1, R2 ,R3 - постоянные сопротивления; TV - трансформатор.
Разность потенциалов на внутренних электродах однозначно определяется концентрацией контролируемого раствора. К наружным электродам подводится напряжение переменного тока. Сопротивление R выбирается в 100 раз больше сопротивления датчика, что обеспечивает постоянство тока независимо от изменения электропроводности раствора.
Для исключения влияния температуры на величину электропроводности в концентратомерах используют температурную компенсацию Rt.







