В газовой среде при нормальных условиях практически отсутствуют свободные заряды и она не проводит электрический ток, её молекулы нейтральны. Прохождение тока через газы возможно при ионизации последних, например, рентгеновским излучением. При этом процесс называется газовым разрядом, проводимость – несамостоятельной. Сила тока I зависит от напряжения
между разноимённо заряженными электродами (рис. 19.4). В начале она растёт линейно. На этом участке плотность тока определяется формулой:
, (3.8.8)
где q – элементарный заряд, no – концентрация пар ионов; u+ и u подвижности ионов – скорости ионов при напряжённости, равной единице соответственно; E – напряжённость электрического поля между электродами.
![]() |
I
Рис.19.4
Здесь коэффициент при Е, равный γ = qno(u+ + u-), - величина постоянная. Значит, уравнение (3.8.8) представляет собою закон Ома, т.е:
= γ E,
где γ – удельная проводимость газов. С дальнейшим ростом U рост тока I замедляется. По достижении напряжением значения u н наступает насыщение тока. Это означает, что все No пар ионов, образующиеся под внешним воздействием за единицу времени, достигают электродов. Поэтому ток насыщения
|
|
|
Iн = qNo, (3.8.9)
т.е. его величина зависит от интенсивности ионизации – No. Следовательно, несамостоятельный газовый разряд гаснет с прекращением действия ионизатора.
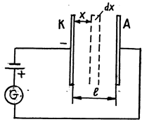
Если этого не происходит, т.е. газовый разряд продолжается и после отключения источника внешнего воздействия на газовую среду, то процесс называется самостоятельным газовым разрядом. Это можно объяснить тем, что с поверхности отрицательно заряженного электрода – катода К (рис. 19.5) вылетают отдельные электроны. При сильных электрических полях между электродами они приобретают большую скорость и оказываются способными произвести ионизацию атомов газа. Оторванный от атома электрон вместе с первоначальным электроном устремляются к электроду А (аноду), ускоряются и производят вторичную ионизацию. Возникшие при этом электроны также ускоряются и т.д. То есть число электронов возрастает лавинообразно.
![]() |
Рис.19.5
Обратимся к рисунку 19.5. Пусть число вылетающих с поверхности электрода К электронов No. Число электронов, долетающих до слоя dx, находящегося от К на расстоянии X достигает N>No. Тогда число электронов в слое dx
dN = αN dx, (3.8.10)
где α – коэффициент пропорциональности. После разделения переменных и интегрирования, получим:
ℓn N = α X + C, (3.8.11)
где С – постоянная интегрирования, определяемая из начальных условий. В данном случае при X=0, N=No. Следовательно С = ℓn No и из (3.8.11) после потенцирования имеем:
. (3.8.12)
Если расстояние между электродами ℓ, то
|
|
|
, (3.8.13)
т.е. такое число электронов достигают анода. Соответствующая сила тока
, (3.8.14)
где q – заряд электрона. С учётом того, что, согласно формуле (3.8.9), qNo=Iн – ток насыщения, выражение (3.8.14) можно переписать так:
I = Iн eα ℓ. (3.8.15)
Из (3.8.15) видно, что ток при самостоятельном газовом разряде возрастает в eα ℓ раз. Ток возрастает в десятки тысяч раз и он поддерживается электронами самой газовой среды, образующихся при ударной ионизации. В результате газ может достичь такой высокой степени ионизации, что в его элементарном объёме суммарный заряд электронов окажется равным суммарному заряду положительных ионов. Такой газ называется газоразрядной плазмой.
Приведённые несамостоятельный и самостоятельный разряды находят широкое практическое применение. Они, например, положены в основу устройства различных осветительных и измерительных приборов.
Литература:
Осн. 2 [98-113], 7 [205-225], 8 [180-203].
Доп. 22 [108-127].
Контрольные вопросы:
1. Что понимают под сторонними силами и какова их роль в цепи постоянного тока?
2. Поясните физический смысл электродвижущей силы, напряжения и разности потенциалов на участке электрической цепи.
3. На чем основаны правила Кирхгофа?
Лекция № 7.

