Синтез специальных КЛС, используемых в МКС.
Численная оценка компонент критерия синтезируемой схемы.
Минимум аппаратных затрат может быть оценен суммарным числом выходных и входных используемых элементов:
MINA = å ВХ i + å ВЫХ j =6+3=9
Оценка быстродействия связана с количеством каскадов (ступеней) используемых для построения схемы:
MAXБ = 2
Использование критерия min аппаратных затрат (max быстродействие) при синтезе специальных логических схем необходимо обосновать выбор элементной базы, обеспечивающей сопряжение синтезируемых схем с аппаратурой, для которой они предназначены. Часто затраты на устройство сопряжения превышают затраты на разработку собственно КЛС. Это и является причиной, мотивирующей создание специальных КЛС. Как правило, назначение этих схем специализировано, но решаемые ими задачи могут быть многократно востребуемы в МКС.
В качестве элементной базы в зависимости от принципов построения МКС, на которые ориентируется синтезируемая схема, могут использоваться:
1. Элементы М2:
![]() |
Они имеют только два входа и предполагают использование параллельно-последовательных или параллельных схем соединения.
В случае четности разряда контролируемого кода предпочтительнее использование параллельной схемы, обеспечивающей min критерию аппаратных затрат.
![]() |
КА =å ВХ i + å ВЫХ j =14+7=21
КВ1 =3*tМ2
При произвольном числе разрядов контролируемого кода возможно использование параллельно-последовательной схемы на элементах M2.
![]() |
КА 2 =14+7=21
КА 1 = КА 2
КБ 2 =7*tМ2
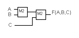
При использовании произвольной элементной базы необходимо выполнить этапы синтеза, перечисленные ранее. Рассмотрим эту последовательность этапов для 3-х разрядного кода:
СДНФ:
F(A,B,C) = (`A &`B & C) Ú (`A & B & C) Ú (A &`B &`C) Ú (A & B & C)
| Десятичный эквивалент | А В С | F(А,В,С) |
| 0 0 0 0 0 1 0 1 0 0 1 1 1 0 0 1 0 1 1 1 0 1 1 1 |
Преобразуем F к минимальной форме, используя графоаналитический метод.
Графоаналитический метод бесполезен.
С его помощью нельзя получить
минимальную форму.
Преобразуем исходную функцию, используя дистрибутивные законы.
F(A,B,C) = (((`A & B)Ú(A &`B))&`C) Ú (((`A &`B)Ú(A & B))& C)=
((A Å B)&`C) Ú (Ø(A Å B)& C)= A Å B Å C
![]() |
В зависимости от элементов, на которых построена основная система, синтезируемая схема может использовать:
1. Элементы И-ИЛИ
![]() |
2. Активные элементы И-ИЛИ-НЕ
![]() |
3. Элементы И-НЕ (штрих Шеффера)
![]() |
4. Элементы ИЛИ-НЕ (стрелка Пирса)














