Многообразие факторов, влияющих на прочность сварных соединений, а также приближенность и условность расчетных формул, вызывают необходимость экспериментального определения допускаемых напряжений. Принятые нормы допускаемых напряжений для сталей при статических нагрузках приведены в таблицах. Фактически там приводится значение j - коэффициента прочности сварного шва.
При переменных нагрузках расчет выполняют по максимальному напряжению цикла (smax и tmax), а значения допускаемых напряжений снижают умножением на коэффициент
,
где ks – эффективный коэффициент концентрации напряжений;
a, b – константы;
- коэффициент асимметрии цикла.
Верхние знаки в формуле применяют для растягивающих напряжений, нижние - для сжимающих.
Лекция №23
Заклепочными называют неразъемное соединение деталей (обычно листовых) с помощью заклепки – сплошного или полого цилиндрического стержня с закладной головкой.
Конструктивные формы заклепок:

а) с полукруглой головкой;
б) с потайной головкой;
|
|
|
в) с плоской головкой;
г) с полукруглой головкой;
д) с полупотайной головкой;
е) пустотелая.
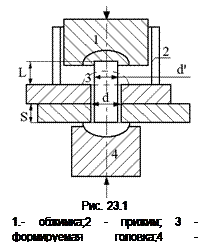
Соединение собирают путем установки заклепок в предварительно подготовленные отверстия в деталях и последующей осадки клепки специальным инструментом второй замыкающей головки (рис. 23.1).
Соединения применяют в основном в авиа и судостроении, металлоконструкциях и других изделиях, в которых внешние нагрузки действуют параллельно плоскости стыка, а применение сварки, пайки и склеивания оказывается невозможным по конструктивным или технологическим соображениям.
По назначению различают прочные, плотные (герметичные) и прочноплотные соединения.
Прочными называют соединения, основная задача которых состоит в передаче нагрузки.
Плотные соединения должны обеспечивать главным образом герметичность конструкции (например, топливные баки).
Прочноплотные соединения служат как для передачи нагрузки, так и для обеспечения герметичности конструкции.
По конструкции различают соединения:
1. Внахлестку (рис. 23.2)
d = S +8 мм;
t =2 d +8 мм;
l =1,35 d.
2. Встык с одной прокладкой (рис. 23.3)
d = S +8 мм;
t =2 d +8 мм;
l =1,35 d …1,5 d;
S 1=1…1,25 S.
3. Встык с двумя накладками (рис. 23.4)
d = S +(5…6) мм;
t =2,6 d +10 мм;
l =1,35 d;
l 1=3 d;
S 1=(0,6…0,7) S.
Заклепки в соединении располагают рядами или в шахматном порядке. Основные недостатки соединений связаны с невысокой технологичностью и высокой трудоёмкостью изготовления, а также сложностью контроля качества.
Заклепки изготавливают из пластичных (d ³15%) сталей 15, 20, 09Г2, 20ХМА, 20ГА и др. алюминиевых сплавов В65, АД-1, АМг5Г, и др. титановых сплавов ОТ4, ВТ16 и др.
Расчет соединений при симметричном нагружении
|
|
|
Принимают, что нагрузка равномерно распределяется между всеми одиночными соединениями. В нахлесточных и стыковых соединениях с одной накладкой, называемых односрезными, заклепки работают на срез и изгиб из-за несовпадения плоскостей действия сил F, то есть под действием момента M= F a (рис. 23.5). Момент возрастает с увеличением толщины листов; он воспринимается стержнем и головками заклепки, вызывая их деформации (сдвиг и изгиб). В результате контактные напряжения sk между листами и стержнем заклепки, уравновешивающие силы F, будут неравномерно распределяться по высоте заклепки и в окружном направлении, концентрируясь вблизи стыка листов.
Характер распределения нагрузки по высоте заклепки будет зависеть от соотношения изгибных податливостей головки и стержня. При податливой головке нагрузка по длине соединения распределяется так, что часть изгибающего момента воспринимается головкой. В заклепке с очень податливой головкой последняя не воспринимает изгибающего момента. Изгиб головки вызывает концентрацию напряжений в зоне сопряжения её со стержнем, а также концентрацию контактных напряжений на опорных поверхностях. Это создает угрозу усталостного обрыва головки (опасное сечение показано волнистой линией) и возникновения фреттинг-коррозии и трещин в зонах контакта. Отверстия в соединяемых листах являются источником значительной концентрации (
в точке В) и причиной возникновения усталостных трещин и разрушения листов (опасное сечение показано волнистой линией). Наиболее распространены повреждения заклепочных соединений, связанные со срезом заклепок, обрывом головок, смятием стенок отверстий возникновением и развитием трещин вблизи отверстий, приводящих к разрушению листов.
Расчет заклепок
Разрушение стержня заклепки нахлесточного соединения и стыкового соединения с одной накладкой происходит в результате среза по сечению, лежащему в плоскости стыка соединяемых деталей.
Для определения размеров заклепки проводят условные расчеты на срез и смятие. Для упрощения принимают, что стяжка пакета и трение на стыке листов отсутствуют, а вся внешняя нагрузка воспринимается заклепками. Приближенный характер расчетов учитывается при назначении допускаемых напряжений. Номинальные напряжения среза (касательные напряжения) будут одинаковыми во всех точках сечения и условие прочности стержня заклепки по допускаемым напряжениям примет вид
,
где F – срезывающая сила в плоскости стыка; А – суммарная площадь поперечного сечения и заклепок с диаметром стержня d;
- допускаемое напряжение при срезе.
Откуда требуемый диаметр заклепки
.
В соединениях с двумя накладками, соединение может разрушаться путем среза по двум сечениям, совпадающим с плоскостями контакта накладок с соединяемыми деталями. Такие соединения называют иногда двухсрезными. При их расчете принимают, что сила, приходящаяся на одно сечение, вдвое меньше общей силы.
Смятие стержня заклепки может привести к преждевременному выходу из строя соединения, если заклепка изготовлена из менее прочного материала, чем соединяемые детали. Действительные контактные напряжения, вызывающие смятие стержня заклепки, неравномерно распределены по его поверхности. Однако расчетные значения этих напряжений находят по приближённой формуле и сопоставляют с допускаемыми напряжениями на смятие материала заклепки
, отсюда
.
Из двух найденных расчетами на срез и на смятие значений диаметра d заклепки принимают большее.