Как уже отмечалось в предыдущих разделах, коммутационные поля для станций большой емкости наиболее целесообразно строить с помощью многокаскадных схем. Рассмотрим варианты группообразования таких станций. Наиболее распространено применение каскадов на базе пространственно-временной коммутации. Однако в некоторых распространенных системах в качестве промежуточных ступеней для временных потоков используются только пространственные коммутаторы. Рассмотрим один из таких примеров (рис. 12) — коммутационное поле станции малой (средней) емкости со сжатием, выполненное по принципу «время-пространство-время» (В-П-В). На входе имеется 64 временных тракта. Число каналов тракта может быть разное, например, 32 канала. Тогда количество каналов на входе составляет 2048 (или 1024 дуплексных соединений). Если ввести еще одну ступень пространственной коммутации, то коммутируемую емкость можно увеличить в несколько раз.
В случае применения только пространственно-временной коммутации большой интерес представляет так называемое одностороннее группообразование, именуемое группообразованием «со звеном отражения»
|
|
|

Рис. 12 Группообразование «со звеном отражения» (звено D): а) ступень концентрации; б) ступень смешивания.
Этот тип группообразования характерен тем, что все источники нагрузки сосредоточены в одних и тех же матрицах. По сравнению с уже изучавшимися типами группообразования отсутствует сторона, в которую включаются только источники одного типа (например, абонентские комплекты, таксофоны и другие терминалы), а с другой стороны — только объекты канального типа (входящие и исходящие комплекты). В предыдущих системах это вызывало необходимость создания ступеней концентрации. В данном случае подключение источников с резко различающейся нагрузкой требует их первоначального распределения по различным матрицам первой ступени таким образом, чтобы средняя нагрузка на вход соответствовала заданному качеству обслуживания и определялась теоретическими расчетами телетрафика. Однако, как показано на рис. 12, а, в случае необходимости можно поставить ступень сжатия в виде матрицы 12x4 (звено А). Ступень сжатия также выполняет функции обеспечения надежности во многих конфигурациях станции. В данном случае она обеспечивает доступ от входных трактов к четырем плоскостям коммутационного поля. Этим обеспечивается четырехкратный резерв коммутационного поля (коммутационное поле — это один из блоков, существенно влияющих на надежность станции). Однако в большинстве случаев используется двукратный резерв (дублирование). В этом случае либо некоторые из выходов звена А остаются незадействованными, либо в каждую плоскость от ступени концентрации ведут две линии, что снижает максимальное количество входов. Но, как можно видеть из рисунка, число входов и так достигает большого значения.
|
|
|
Поскольку звено А выполняет функции обеспечения надежности, его устанавливают даже в тех случаях, когда нагрузка не требует сжатия, в этом случае используют не все входы этого звена.
Согласно рис. 12, б, плоскость имеет 16 групп (звенья В и С, группы от 0-й до 15-й). Каждая группа предназначена для включения 64 трактов. Это составляет 1024 тракта. При включении в них ступени концентрации (с учетом включения резервной ступени) общее число входов будет составлять 1024x12/2 = 6192 тракта. Каждый тракт содержит по 32 канала, что вполне достаточно для создания станций большой емкости (например, 65000 абонентов и 32000 каналов).
Первой матрице каждой группы (звено В) доступно 8 матриц звена С. Последнее звено D называют «звено отражения». Соединение на этой ступени, как бы «отражается», и установление соединения к другому входу идет в направлении противоположном первому этапу. Следует отметить, что если устанавливается соединение между портами в этой схеме группообразования, то до этой ступени проводится свободное искание, а после нее вынужденное искание.
Несмотря на потенциально большое число включаемых линий, это группообразование позволяет постепенно наращивать станцию от минимальной емкости до максимальной, что обеспечивается свойством коммутационных матриц, а также особенностями управления полем.
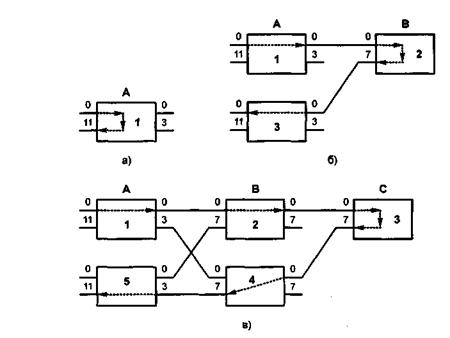
Как уже отмечено (см. рис. 10), соединение может осуществляться в пределах одной матрицы любого звена, поэтому любое звено может быть отражающим. На рис. 13 показан принцип наращивания станции на рассмотренных выше матрицах по мере увеличения емкости станции. Одновременно должно увеличиваться число команд поиска свободной линии. Это число нечетное и равно 1,3,5, и полная схема требует 7 команд (на рис. 13 она не показана, так как повторяет рис. 12).
Эти команды выдаются внешним источником, включенным во входы ступени А. Он определяет число команд путем сравнения исходящего и входящего адресов. Каждый вход в коммутационное поле может быть пронумерован. В состав номера входят:
номер входа в звено А (11 входов требуют для кодировки 4 бита);
номер выхода из звена В (8 выходов требуют для кодировки 3 бита);
номер выхода из звена С (8 выходов требуют для кодировки 3 бита);
номер выхода из звена D (16 портов требуют для кодировки 4 бита). Всего для кодировки необходимо 14 битов.

Рис. 13 Принцип наращивания емкости коммутационного поля и связь его с числом команд установления соединения
Количество необходимых команд определяется устройством модуля, который управляет соединением. Предположим, что надо установить соединение между исходящей точкой, включенной в порт с номером ABCD, и A'B'C'd'. Поразрядное сравнение этих номеров позволяет определить необходимое количество команд для установления соединения.
Если А
А
, В = В
, С = С
и D = D
, то соединение устанавливается только в пределах звена А и надо передать одну команду (рис. 13, а).
Если А
А
, В 
В
, С = С
и D = D
, соединение устанавливается в пределах звеньев А и В и передается 3 команды (рис. 2.53, б).
Если А
А
, В
В
, С
С
и D = D
, то соединение устанавливается в пределах звеньев А, В и С и необходимо передать 5 команд (рис. 13, в).
Если А
А
, В
В
, С
С
, D
D
, то соединение устанавливается в пределах звеньев А. В, С и D, при этом необходимо передать 7 команд.
Такой принцип управления позволяет не менять алгоритм работы внешних модулей и поиска промежуточных путей в зависимости от состава и емкости станции.
Итак, рассмотрены основные принципа построения коммутационных полей.
|
|
|
Знакомство с ними позволяет рассматривать и создавать другие типы. На основе рассмотренных типов полей строятся коммутационные системы, которым будет посвящена следующая глава.






