Введение
Архитектура Гарварда и фон Неймана
В первой части курса рассмотрим вопрос: как, в общем виде, устроена Электронная Вычислительная Машина. Современные ЭВМ - достаточно сложны. В отличие от первых "классических" ЭВМ (ЭВМ первых поколений), в конструкциях современных ЭВМ можно найти множество архитектурных решений, улучшений - направленных на повышение возможностей, характеристик ЭВМ. Решений, понимание которых требует достаточно высокого уровня инженерной подготовки - недоступного для начинающих. Однако: основные принципы положенные в устройство, функционирование ЭВМ, за годы развития вычислительной техники - не изменились. Поэтому, для начала, рассмотрим устройство ЭВМ на примере более простых по архитектуре "классических" ЭВМ. Это позволит нам, не углубляясь преждевременно в рассмотрение более сложных (но второстепенных) вопросов, быстрее понять: как "в целом" устроены, и на каких принципах основана работа ЭВМ. Позднее, получив и усвоив первоначальные базовые знания, мы получим возможность рассмотреть и некоторые из современных архитектурных видоизменений классической архитектуры.
|
|
|
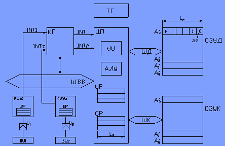
Одна из первых ЭМВ была разработана в университете Гарварда (США). Принцип построения (или, как принято говорить, "архитектура") той, одной из первых ЭВМ, позднее (с несущественными с точки зрения принципов функционирования отличиями) был повторён и в последующих ЭВМ. Да и современные ЭВМ, если говорить о "принципах работы" - очень мало отличаются от классических ЭВМ, как говорят "ЭВМ архитектуры Гарварда". На рисунке представлены основные узлы ЭВМ "архитектуры Гарварда":
Рисунок 1.

ЦП – центральный процессор
УУ – устройство управления
АЛУ – арифметически логическое устройство
УР – универсальные регистры
СР – специальные регистры
ТГ – тактовый генератор
ОЗУД – оперативное запоминающее устройство данных
ОЗУК – оперативное запоминающее устройство данных
ШД – шина данных
ШК – шина команд
ЭЯ – элементарная ячейка (бит)
A0, An – адреса ячеек
ШВВ – шина ввода вывода
КВУ1 – КВУ2 – контроллеры внешних устройств
ВР – внешние регистры
U1, Uz – интерфейсные разъемы
ВУ1 – ВУz – внешние устройства
КП – контроллер прерываний
INT1, INTz – линии прерываний
INT – генеральная линия запроса прерывания
INTA – генеральная линия ответа на прерывание






