Минимально-токовая защита
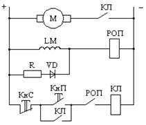
Защита СД и ДПТ от обрыва цепи обмотки возбуждения. Осуществляется с помощью реле минимального тока (РОП – реле обрыва поля), которое включается в цепь контролируемой обмотки (см. рисунок 2.23).
Рисунок 2.23
|
Осуществляет защиту двигателя от перегрева, вызванного перегрузкой по току:
а) при длительном режиме с помощью теплового реле и автоматов с тепловыми расцепителями;
б) в повторном кратковременном режиме с помощью реле максимального тока.
Общим недостатком рассмотренных узлов защиты от перегрузки является их низкая точность (двигатель и шкаф могут находиться в разных помещениях, при разных температурах и т.п.), поэтому более точная защита строится на теплосопротивлениях, которые закладываются в обмотки ЭД (см. рисунок 2.24).
![]() |
Часто АД имеют перегрузку по току из-за обрыва одной из фаз. Поэтому косвенно защиту от перегрузки можно построить, контролируя все фазы двигателя с помощью реле напряжения (РОФ). Оно включается между искусственным нулем и нулевой точкой фаз (см. рисунок 2.25). У двигателей большой мощности подключается через трансформатор тока.
![]() |
При повторно-кратковременном режиме тепловую защиту осуществляет реле максимального тока (см. рисунок 2.26).
Рисунок 2.23








