Реверсивный вентильный преобразователь с раздельным управлением
Реверсивные тиристорные преобразователи применяются в тех системах электропривода, где требуется изменение знака момента. Последнее достигается либо за счет включения реверсивного тиристорного преобразователя в обмотку якоря, либо в обмотку возбуждения. Более экономичным является включение реверсивного тиристорного преобразователя в обмотку возбуждения, но включение в обмотку якоря повышает быстродействие системы.
Управление реверсивными комплектами тиристорных преобразователей может быть раздельным или совместным.
Принципы раздельного управления:
а) управляющие импульсы следует подавать только на один (работающий) комплект;
б) снимать управляющие импульсы можно только при отсутствии тока в силовой цепи (снятие управляющих импульсов в инверторном режиме вызовет опрокидывание инвертора);
в) при переключении комплектов следует отсчитывать паузу на восстановление запирающих свойств ранее включенных тиристоров
1) DtП = ТС/m – когда датчик нуля тока построен на базе датчика тока и нуль-органа;
2) DtП =10 эл. град. – когда датчик нуля тока построен на базе датчика проводимости вентиля.
Функциональная схема реверсивного ЭП с раздельным управлением комплекта тиристорного реверсивного преобразователя представлена на рисунке 3.36, где приняты обозначения: ЛПУ – логическое переключающее устройство (если в схеме нет реактора, то управление раздельное); ДНТ – датчик нуля тока; СРЭ – система регулирования ЭП; РТ – регулятор тока; РС – регулятор скорости; ДТ – датчик тока (датчик тока состоит из первичного датчика-шунта RS и усилителя УДТ); RS – первичный датчик шунта; УДТ – усилитель датчика тока.
В системах с подчиненным регулированием выходной сигнал регулятора скорости является задающим для контура тока и его уровень (Uзт) определяет величину тока, а знак направление тока. Поэтому этот сигнал исключается при выборе нужного для работы комплекта.
Диаграмма сигналов управления реверсивными комплектами ТП представлена на рисунке 3.37, где приняты обозначения: Еd1ВР – ЭДС в выпрямительном режиме; Е – противо ЭДС двигателя.
Рисунок 3.36 Рисунок 3.37 |
Процесс гашения тока при Еd1ВР<Е.
Виды ЛПУ:
– позиционные (2-х и 3-х позиционные);
– сканирующего типа;
– комбинированные.
1) Позиционные управляются сигналом из системы регулирования ЭП.
У 3-х позиционных если ½Uзт½< Uпорог, к2 и к1 – разомкн.; Uзт >Uпорог, к1 – замкн., к2 – разомкн.; Uзт <Uпорог, к2 – замкн., к1 – разомкн. (см. рисунок 3.38).
У 2-х позиционных ЛПУ имеется комплект, который включен при любом сигнале задания (см. рисунок 3.39).
Рисунок 3.38 Рисунок 3.39 |
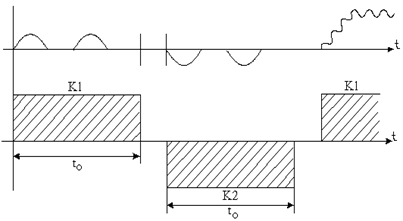
2) ЛПУ сканирующего типа.
Для работы ЛПУ этого типа сигналы системы регулирования ЭП не требуются. Эти ЛПУ поочередно разрешают работу одному, либо другому комплекту до тех пор, пока один из комплектов не заблокируется непрерывным током, для этого достаточно прохождения не менее 2-х импульсов тока.
Диаграмма работы ЛПУ сканирующего типа представлена на рисунке 3.40, где приняты обозначения: t0 – время отброса; q – задержка на отработку необходимого в данный момент тока на время не более чем t0.
|
| Рисунок 3.40 |
3) Комбинированное ЛПУ (см. рисунок 3.41).
Рисунок 3.41 |
Когда ½Uзт½ < Uпорог, то сканирующий режим; ½Uзт½ >Uпорог – позиционный режим.
Датчики нуля тока (ДНТ)
Датчики нуля тока фиксируют отсутствие тока в силовой цепи.
1) На базе датчика тока (ДТ)
Uдтн = 1 ® Id = 0;
Uдтн = 0 ® Id ¹ 0.
Датчик нуля тока на базе датчика тока представлен на рисунке 3.42, где приняты обозначения: К – компаратор; ВМ – выявитель модуля.
Рисунок 3.42 |
Из-за конечной чувствительности датчика информация об отсутствии тока может формироваться при наличии очень малого тока. С такими ДНТ пауза при переключении (Dtп) должна быть больше или равна пульсности преобразователя, чтобы ток наверняка упал до нуля.
2) На базе датчиков проводимости вентилей (ДПВ)
Принцип работы датчиков данного типа состоит в том, что контролируется напряжение на тиристорах реверсивных комплектов.
Если на всех тиристорах U>Uпор (25В), значит все тиристоры выключены, ток в силовой цепи отсутствует. ДПВ косвенно определяет отсутствие тока в цепи.
В мостовых реверсивных преобразователях достаточно контролировать напряжение на какой-то одной группе тиристоров (см. рисунок 3.43).
Рисунок 3.43 |
На рисунке 3.43 принято обозначение – ДН – датчик напряжения.
Uдн = 1 когда Uvs>Uпор.
Этот датчик формирует сигнал об отсутствии тока с гарантией (т.к. Uvs=1,5¸2В).
Рисунок 3.44 |
Недостаток: формирование ложного сигнала о наличии тока в моменты прохождения фазных напряжений через ноль (см. рисунок 3.44).
Статические характеристики преобразователя с раздельным управлением представлены на рисунке 3.45.
aI + aII = 180°эл. – раздельное несогласованное управление;
aI + aII > 180°эл. – раздельное согласованное управление, что представлено на рисунке 3.45.
а) б) Рисунок 3.45 – а) внешняя характеристика; б) регулировочная характеристика |
Достоинство– отсутствие уравнительных реакторов в силовой цепи.
Недостатки:
- меньшее быстродействие, чем в преобразователях с совместным управлением, т.к. процессы в реверсивных комплектах протекают последовательно;
- наличие зоны прерывистых токов, что вызывает нелинейность внешних характеристик.
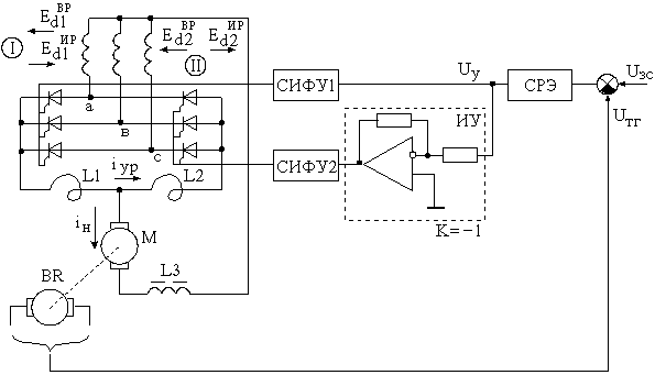
При совместном управлении импульсы поступают на оба комплекта тиристоров.
Рассмотрим принцип работы на примере 3-х фазного нулевого преобразователя (см. рисунок 3.46).
Рисунок 3.46 |
На рисунке приняты обозначения: ИУ – инвертирующий усилитель (к = 1)
а) если Uу = 0, то a1 = a01, a2 = a02.
a1 + a2 = 180°эл. – совместное согласованное; a1 + a2 >180°эл. – совместное несогласованное;
б) если Uу > 0, то a1 ® ВР (a1 < a01), a2 ® ИР (a2 > a02);
в) если Uу < 0, то a1 ® ИР (a1 > a01), a2 ® BР (a2 < a02).
L1, L2 – уравнительные реакторы, которые ограничивают на допустимом уровне уравнительный ток, который протекает всегда в одном направлении от (I) к (II) минуя цепь нагрузки.
Уравнительные реакторы могут быть насыщающиеся и ненасыщающиеся. Первые легче и насыщаются только током нагрузки, вторые – одновременно выполняют роль сглаживающего дросселя, большие габариты.
Рисунок 3.47 |
Диаграмма уравнительных токов и напряжений представлена на рисунке 3.47, где
a1 = 60°эл. (ВР),
a2 = 120°эл. (ИР),
a1 + a2 = 180°эл.
Еd1 = Ed0×cosa1;
Еd2 = Ed0×cosa2 = Ed0×cos(180 - a1) =
= –Ed0×cosa1, т.е. ½Ed1½ = ½Ed2½;
еур = е1–е2 = ел.
Причина статических уравнительных токов заключается в неравенстве мгновенных ЭДС комплектов. При совместном согласованном управлении (+) и (–) площади одинаковы, поэтому уравнительный ток имеет гранично-непрерывный характер.
При любом согласовании реверсивных комплектов ЭДС первого комплекта не должна превышать по модулю ЭДС второго комплекта, в этом случае в уравнительной ЭДС будет отсутствовать постоянная составляющая и поэтому ограничение уравнительного тока можно обеспечить за счет включения только индуктивных элементов.
iур £ 30%Iн.
В каждый момент времени к нагрузке подключен тот или иной комплект (неработающий в данный момент комплект прогружен только Iур). Если ЭП в двигательном режиме, то к нагрузке подключен выпрямительный комплект, если в тормозном режиме, то инвертирующий комплект (см. рисунок 3.48).
Рисунок 3.48 – Внешние и регулировочные характеристики при совместном несогласованном управлении |
Рисунок 3.49 – Внешние и регулировочные характеристики при совместном несогласованном управлении |
Снижение массогабаритных показателей уравнительных реакторов и уравнительного тока достигается за счет применения несогласованного совместного управления (a1 + a2 > 180°эл.). Но в этом случае уравнительный ток имеет прерывистый характер, т.к. S(+) < S(–), внешние характеристики преобразователя, при этом будут иметь зону ПТ, а регулировочная характеристика – неоднозначность (см. рисунок 3.49).
a0 (1,2) = 900эл. (amin = p–amax) – совместное согласованное управление;
a0 (1,2) > 900эл. – совместное несогласованное управление.
Особенности динамических режимов реверсивных преобразователей с совместным управлением.
Рисунок 3.50 |
Из-за неодинаковости перехода в ВР и в ИР в преобразователях с совместным управлением имеет место динамический уравнительный ток (см. рисунок 3.50).
На рисунке при Uу1 a2 = 1200эл., a1 = 600эл., при Uу2 a1 = 1200эл., a2 = 600эл. В ИР комплект переходит по синусоиде, а в ВР практически мгновенно. Это вызывает в еур нескомпенсированной площади S(+), которая вызывает бросок тока Iур дин > 2Iст др.
Для уменьшения Iур дин на входе СИФУ (на выходе системы регулирования) ставят фильтр с постоянной времени (5¸7)мс, который сглаживает скачки сигнала управления Uу. В этом случае переход в ВР затягивается, неодинаковость выравнивается и исключается причина, вызывающая Iур дин. Но при этом снижается быстродействие реверсивного преобразователя в целом.
Достоинства:
- при совместном согласованном управлении отсутствует зона ПТ, внешние характеристики линейны и однозначны регулировочные;
- максимальное быстродействие;
- при совместном несогласованном управлении меньшее значение Iур, меньше габариты уравнительных реакторов.
Недостатки:
- наличие Iур и уравнительных реакторов в силовой цепи;
- невозможно предельное использование преобразователей по установленной мощности (из-за связи amin = p–amax).
Область применения – ЭП с малой и средней мощностью, где требуется быстродействие.
Рисунок 3.36
Рисунок 3.37
Рисунок 3.38 Рисунок 3.39

Рисунок 3.42
Рисунок 3.43
Рисунок 3.44
а) б) Рисунок 3.45 – а)
Рисунок 3.46
Рисунок 3.47
Рисунок 3.48 – Внешние и регулировочные характеристики при совместном несогласованном управлении
Рисунок 3.49 – Внешние и регулировочные характеристики при совместном несогласованном управлении
Рисунок 3.50





