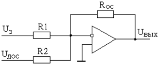
Схемы включения ОУ с частотно-зависимым преобразованием сигнала
В соответствии с рисунком 3.58а, передаточная функция П-регулятора
.
При анализе частотных свойств и синтезе схемы в 1-ю очередь нас интересует передаточная функция регулятора по каналу датчика обратной связи (ДОС) W(р), и только во 2-ю – по каналу задания Wрег(р).
На рисунке 3.58а приведены обозначения: UДОС – напряжение датчика ОС; UЗ – напряжение задания.
Zoc = Roc, Zвх = R1 (R2);
W(p) = – k1 (k2),
где k1 = Roc/R1, k2 = Roc/R2.
Частотная характеристика и временные зависимости входного и выходного напряжений представлены на рисунке 3.58б, в, соответственно.
При k = 10 20×lg k = 20.
а) б) в) Рисунок 3.58 |
а)
б) в) Рисунок 3.58 





