Статические характеристики одноконтурной системы АЭП с обратной связью по току

Рисунок 4.3

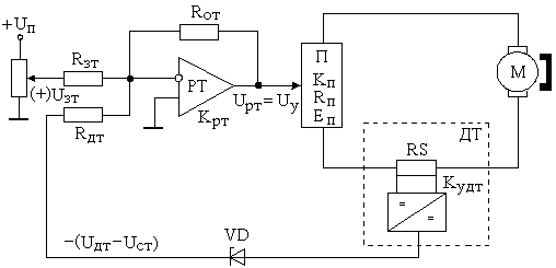
Регулирование по возмущению (ПОС), либо по отклонению (ООС) может осуществляться регулированием по току (см. рисунок 4.3).

Uy = (Uзт ± Uдт)×крт,

где (+) – для ПОС;

(–) – для ООС.

Еп = Uy ×кп = Едв + I×(Ra + Rп);

Е = се×Фн×W;

Uдт = I×кдт = b×I×(Ra + Rп).

Е = Uy×кп – I×(Ra + Rп) = [Uзт ± b×I×(Ra + Rп)]×крт×кп – I×(Ra + Rп) =

= Uзт×крт×кп – I×(Ra + Rп)×(1 ± b×крт×кп)

.

Положительная обратная связь по току (ПОС)

.

; .

а) b×крт×кп = 0 Þ ;

б) b×крт×кп = 1 Þ DW(+) ЗС = 0 – абсолютно жесткая характеристика;

в) b×крт×кп ® ¥ Þ DW(+) ЗС ® –¥.

Положительная обратная связь по току делает характеристики более жесткими, чем те же характеристики в разомкнутой системе (см. рисунок 4.4).

Отрицательная обратная связь по току (ООС)

.

а) b×крт×кп = 0 Þ ;

б) b×крт×кп = ¥ Þ DW(–) ЗС = ¥.

Отрицательная обратная связь по току применяется для реализации мягких характеристик ЭП.

Рисунок 4.4 Рисунок 4.5

В одноконтурных системах АЭП отрицательная обратная связь, как правило, применяется задержанная, т.е. вступает в работу при определенной токовой нагрузке. Для задержания ОС применяется стабилитрон.

Численный пример расчета обратной связи.

.

Пусть в системе положительная обратная связь по току. Нужно найти b, при котором абсолютно жесткая характеристика.

1– b×крт×кп = 0,

где крт = 20; кп = 30.

b = 1/ крт×кп = 1/600=0,002.

кдт =? кудт =?

Uдт = I×кдт = b×I×(Ra + Rп);

кдт = b×(Ra + Rп); кдт = кш ×кудт; кш = Uшн /Iшн.

.

Пример – пусть Рн = 1кВт, Uн = 220В, Iн = 5А, Rа = 4Ом, Rп = 4Ом.

кдт½DW=0 = b×(Ra + Rп) = 0,002×(4 + 4) = 0,016

.

® .

Рисунок 4.6

Uдт = Iн×кдт = 5×0,016 = 0,08В.

РС1: Uзт1 = 0,37В;

РС2: Uзт2 = 0,37 + 0,08 = 0,45В.

Рассчитанные статические характеристики замкнутой и разомкнутой систем представлены на рисунке 4.6.





Подборка статей по вашей теме: