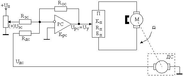
Система АЭП с отрицательной обратной связью по скорости представлена на рисунке 4.7.
Uy = (Uзс – Uдс)×крс (при Rзс = Rдс);
Еп = Uу ×кп = Е + I×(Ra + Rп);
Е = се×Фн×W;
Рисунок 4.7
|
Uдс = кдс×W,
.
(Uзс – кдс×W)×крс×кп = се×Фн×W + I×(Ra + Rп);
Uзс×крс×кп + кдс×W×крс×кп = се×Фн×W + I×(Ra + Rп);
;
.
а) кдс×крс×кп = 0 ®
;
б) кдс×крс×кп = ¥ ® DW = 0.
Статические характеристики системы АЭП с отрицательной обратной связью по скорости представлены на рисунке 4.8.
Рисунок 4.8
|
В системе с отрицательной обратной связью по скорости можно получить абсолютно жесткие характеристики, но только при очень большом коэффициенте усиления. Такие же характеристики можно получить при интегральном регуляторе скорости.
Рисунок 4.7
Рисунок 4.8






