Буйковый плотномер
По принципу действия аналогичен действию буйкового уровнемера. Но в отличие от уровнемера буек должен быть полностью погружен в измеряемую среду и поэтому ее объем, выталкиваемый буйком постоянен.
Сила F в соответствие с законом Архимеда будет изменяться только в зависимости от плотности среды.
Вязкость – свойство жидкости, характеризующее сопротивлению сдвигу или скольжению при перемещении смежных слоев потока относительно друг друга.
, где F – тангенсальная сила; dV/dt – градиент скорости; m - коэффициент динамической вязкости; S – площадь сдвига; V – скорость течения движущегося слоя; t – толщина движущегося слоя.
Жидкость, не имеющая предела текучести, т.е. вязкость которых не зависит от сдвигающих напряжений (dV/dt =0), называются ньютоновскими жидкостями. Это, например, вода, расплавленное стекло и другие высокотемпературные материалы.
Кинетическая вязкость:
м2/с.
Одним из самых простых методов измерения вязкости является вибрационныевискозиметры.
|
|
|
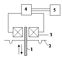
Принцип действия основан на стремлении жидкости затормозить колебания опущенной в нее плоской пластины, причем сила торможения зависит от вязкости жидкости.
1 – пластина;
2 – эластичная мембрана;
3 – катушка;
4 – генератор импульсов;
5 – электронный блок.
Пластина 1 закреплена на мембране 2. Нижняя часть пластины погружена в жидкость, а верхняя находится в катушке 3, соединенной с генератором импульсов 4. при включении катушки в пластине возникают продольные колебания. Затем катушка отключается от генератора, и колебания затухают.
В процессе свободных колебаний пластины в катушке наводится э.д.с., имеющая частоту ее свободных колебаний. Она обеспечивает запирание генератора до момента полного прекращения колебаний и цикл повторяется. Чем больше вязкость жидкости, тем быстрее затухают колебания пластины и тем меньше интервалы между включениями генератора. Прибор 5 измеряет величину этих интервалов.
Вибрационный вискозиметр выпускается для работы в диапазоне 0-50сПз или 0-0,5 106 сПз.







