ВАХ отличается от идеализированной: Прямая ветвь - из-за падения напряжения на омических сопротивлениях базы и эмиттера (rб>>rэ). Обратная ветвь: в идеализированном p-n-переходе при Uобр>>jm обратный ток не зависит от напряжения. Это тепловой ток Iобр = Iт. В реальных переходах Iобр заметно зависит от Uобр, и в кремниевых переходах Iобр в 100...1000 раз больше теплового тока. Это объясняется термогенерацией носителей заряда в самом переходе (Ir) и существованием токов утечки (Iут). Эти токи с увеличением Uобр растут.
Iобр=Iт+Iг+Iут
|
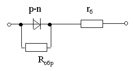
Эквивалентная схема
Пробой p-n перехода - это значительное возрастание обратного тока при увеличении приложенного Uобр . Три вида пробоя:
·
туннельный электрический
· лавинный
· тепловой
В основе туннельного пробоя - туннельный эффект, “просачивание” основных носителей – электронов сквозь потенциальный барьер, высота которого больше, чем энергия носителей. Туннельный переход из валентной зоны р-полупроводника в зону проводимости n-полупроводника возникает в узких p-n переходах при Е=106 В/см.
Лавинный пробой - вызывается ударной ионизацией, которая происходит, когда напряженность поля велика и неосновные носители, двигаясь через p-n переход, ускоряются настолько, что при соударении с атомами в зоне перехода ионизируют их: появляется пара электрон-дырка. Вновь возникшие носители заряда ускоряются полем Е и вызывают ионизацию следующего атома. Если процесс идет лавинно, возрастает обратный ток, который ограничивается только сопротивлением внешней цепи. Лавинный пробой возникает в высокоомных полупроводниках с большой шириной p-n перехода.
Тепловой пробой возникает из-за разогрева перехода, когда теплота, выделяемая в переходе, не отводится. Происходит интенсивная генерация электронно-дырочных пар и увеличение Iобр. Это приводит к дальнейшему повышению температуры и обратного тока. Ток лавинообразно увеличивается и наступает тепловой пробой.
Сравнение ВАХ реальных Ge и Si переходов
|






