– “опорные диоды” - предназначены для стабилизации напряжений. Их работа основана на использовании электрического пробоя p-n перехода при включении в обратном направлении.
Механизм пробоя:
· туннельный - у низковольтных, с низкоомной базой;
· лавинный - у высоковольтных, с высокоомной базой.
Электрический пробой не переходит в тепловой.
Основные параметры:
· напряжение стабилизации Uст – падение напряжения на стабилитроне при заданном токе стабилитрона;
· максимальный ток стабилитрона Iст.max;
· минимальный ток стабилитрона Iст.min;
· дифференциальное сопротивление на участке пробоя:
;
· температурный коэффициент напряжения стабилизации acm:

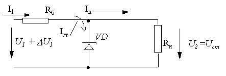
Применяются в схеме параметрического стабилизатора напряжения параллельного типа: приращение напряжения питания D U1 падает на балластном резисторе Rб, а выходное U2 остаётся неизменным.
|
Расчет коэффициента Кст:
Если U1 изменится на DU1, то U2 изменится на DU2. Токи изменятся на
DI1= DIст+ DIн
(DU1 - DU2)/Rб= DU2 / rст.диф + D U2 /Rн.
DU1 / D U2 =Rб / rст.диф +Rб/Rн +1.
|
|
|
Кст = U2/U1(Rб / rст.диф +Rб/Rн +1)
Пробойный режим не связан с инжекцией носителей и при переходе из области пробоя в область запирания и обратно нет инерционных явлений, связанных с накоплением или рассасыванием. Поэтому стабилитроны используют в импульсных схемах – фиксаторы уровня, ограничители.






