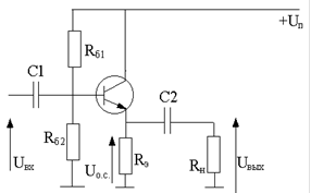
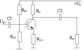
Схема на биполярном транзисторе
Каскад с последовательной ООС по току
Однокаскадные усилители с ООС
| Элементом ООС является Rо.с., не зашунтированный конденсатором Cэ. Переменный ток Iэ создает на нем напряжение обратной связи Uо.с.=IэRо.с. в результате Uбэ=Uвх-Uо.с. |
Нужно учесть, что
.
При этом виде обратной связи удобно использовать параметр - крутизну:

А коэффициент усиления по напряжению:

Параметр цепи обратной связи:
Петлевое усиление:

Все параметры усилителя найдем, используя петлевое усиление:

Коэффициент усиления по напряжению:

При глубокой ООС: 
Входное сопротивление транзистора:

возрастает на величину (h21э+1)Rо.с .. Однако входное сопротивление каскада учитывает и шунтирующее действие базового делителя:
Rвх=Rвх.т.о.с.||Rб1||Rб2
Выходное сопротивление транзистора увеличивается:

Однако выходное сопротивление каскада: Rвых=Rвых.т.о.с.||Rк изменяется мало, так как Rвых.т.о.с.>>Rк. Поэтому Rвых»Rk
В области верхних частот каскад имеет более широкую полосу. Уменьшается постоянная времени tВ за счет слагаемых, связанных с падением дифференциального коэффициента h21э и влиянием емкости Свых.т.:
|
|
|

Этот же результат можно получить, включив Rо.с. вместе с rэ.диф в формулу:

Схема на полевом транзисторе
| Резистор Rи используется и как элемент в цепи автоматического смещения рабочей точки: Uзи = – Uи.0 = – Iс.0Rи и как элемент цепи ООС, если нет шунтирующего конденсатора. Напряжение ОС: Uо.с.=IиRи=IсRи |
Параметр цепи ОС: 
Крутизна усилителя с ОС Sо.с. уменьшается в петлевое усиление cRS+1 раз:

Коэффициент усиления по напряжению:

7.4.2. Эмиттерный повторитель
| Это каскад с последовательной ООС по напряжению: все 100% Uвых участвуют в ООС: Uбэ=Uвх-Uвых т.е. c = 1. Если бы входной сигнал был подан ко входу транзистора, а выходной снимался с Rэ, то коэффициент усиления был бы равен: |

Следовательно, петлевое усиление:

Отсюда можно найти все параметры каскада:



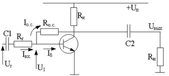
7.4.3. Каскад с параллельной ООС по напряжению
|
Усилитель удобно представить:
Параметром является сопротивление прямой передачи Rп=h21эRк:
Uвых=RпIб
Элементом ООС является сопротивление Rо.с.
Коэффициент передачи цепи ООС

Отсюда петлевое усиление:

Входное сопротивление транзистора:
мало (£100 Ом).
Выходное сопротивление:
значительно меньше, чем у каскада с ОЭ (»100 Ом).
Коэффициент усиления:

практически перестает зависеть от параметров транзистора.
В области нижних частот из-за изменения Rвх.т. ухудшаются условия передачи сигнала. Для сохранения АЧХ необходимо увеличить С1.
|
|
|
В области верхних частот - расширение полосы, т.к. уменьшается постоянная времени

Чем меньше Rо.с.(т.е. глубже ОС), тем выше граничная частота wB.
ОУ - это высококачественные усилители постоянного тока, предназначенные для выполнения различных операций над аналоговыми сигналами при работе в схемах с отрицательной обратной связью (О.О.С.).






