Лекция №11
Записав уравнения Кирхгофа для данной схемы, найдём после преобразований:
(вывод см. в [5]).
Коэффициент передачи не зависит от внутренней структуры ОУ, а только лишь зависит от отрицательной обратной связи.
1.
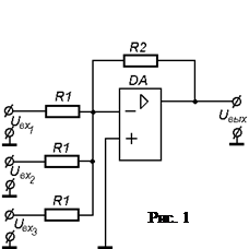
Суммирующий усилитель (рис. 1)

При R1=R2 данный усилитель является масштабирующим. Изменяя значения входных сопротивлений, можно изменять весовые коэффициенты входных напряжений.
2. Вычитающий усилитель (рис. 2)

подаётся на неинвертирующий вход ОУ, а это соответсвует противофазному включению входных напряжений. В результате на первом каскаде дифференциального усилителя ОУ происходит вычитаение входных сигналов, что соответствует вышеприведенному выражению.
3. Интегратор (рис. 3)
![]() |

Поведение выходной функции объясняется большимзначением коэффициента обратной связи (ОС)
при воздействии на входе переднего и заднего фронтов импульса.
4.
Дифференциатор (рис. 4)








