Здесь представлен однополупериодный демодулятор на транзисторах. Подобно его работа рассматривалась в курсе по ЭСУ. Ниже показан его выходной сигнал, который раскладывается на аналоговый (Усредненный) и переменный периодический сигнал с частотой первой гармоники раной несущей частоте.


Именно переменный сигнал подвергается фильтрации.
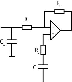
Фильтр создается с помощью 
Сочетание
дает фильтр в виде инерционного звена с постоянной времени
. Далее показано, как выбирать постоянную времени фильтра, чтобы она не уменьшала бы запас по фазе скорректированной системы и далее оценить величину емкости конденсатора. Далее приводится схема УПУ на операционном усилителе и дается расчет всех элементов.


Пусть 





Пусть 








