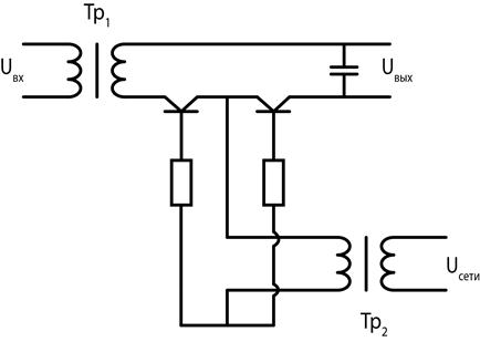
Ограничитель ограничивает напряжение на входе операционного усилителя, если оно превышает допкстимое значение.
У системы с асинхроннм двигателем отсутствует демодулятор.
Ограничитель делается на стабилитронах.

Характеристика стабилитрона

Характеристика двух стабилитронов.





Таким образом, мы сами сознательно вводим в состав системы нелинейность типа «насыщение». Рассмотрим далее схему демодулятора.







