Принцип работы
ТЕМА 8. ГРЕБНЫЕ УСТАНОВКИ ДВОЙНОГО РОДА ТОКА
В гребных установках двойного рода тока применяются синхронные генераторы (СГ) переменного тока и гребные электрические двигатели (Д или ГЭД) постоянного тока, которые получают питание от неуправляемых выпрямителей (В) или управляемых выпрямителей (УВ). Также такие установки называют установками переменно-постоянного тока. Наиболее мощными установками такого типа снабжены атомные ледоколы «Арктика» и «Сибирь».
Синхронные генераторы переменного тока более просты, чем генераторы постоянного тока, а при увеличении частоты переменного тока размеры и масса генераторов (массогабаритные показатели) уменьшаются.
Зато у электродвигателей постоянного тока больше диапазон частоты вращения, которым можно управлять, а схемы управления проще, чем схемы управления двигателями переменного тока. ГЭУ двойного рода тока могут быть с неуправляемыми (на диодах) и управляемыми (на тиристорах) вентилями.
|
|
|
В силовых выпрямителях применяются мощные полупроводниковые вентили, рассчитанные на токи 1000А и более, и на напряжения от 100В до 1000В.
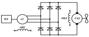
Простейшая принципиальная схема ГЭУ двойного рода тока с неуправляемыми вентилями приведена на рисунке 8.1.

Рис. 8.1. Принципиальная схема ГЭУ двойного рода тока с неуправляемыми вентилями
В данной схеме синхронный генератор приводится во вращение приводным тепловым двигателем с постоянной частотой вращения. ГЭД постоянного тока с независимым возбуждением (обмотка ОВД) получает питание от выпрямительного моста, собранного по схеме Ларионова. Регулирование напряжения осуществляется изменением тока возбуждения в обмотке ОВГ. По методу регулирования напряжения система СГ-В подобна генератору постоянного тока. Система СГ - В – Д аналогична системе Г - Д постоянного тока. Однако, внешняя характеристика (зависимость напряжения от тока нагрузки) в системе СГ – В значительно мягче, чем для генератора постоянного тока с независимым возбуждением, что объясняется большим влиянием реакции якоря СГ по сравнению с генератором постоянного тока. Внешняя характеристика определяет скоростную характеристику ГЭД, т.е. зависимость частоты вращения от тока нагрузки. Скоростные характеристики системы Г – Д (кривая 1) и системы СГ – В – Д при одинаковых токах возбуждения генератора приведены на рисунке 8.2. В данном случае частота вращения (n) и сила тока (Id) в якоре двигателя приведены в долях от номинальных значений.

Рис.8.2. Скоростные характеристики ГЭД постоянного тока
Реверсирование ГЭД производится изменением направления тока возбуждения в обмотке ОВД, так как выпрямитель может выпрямлять ток только в одном направлении.
А из-за того, что выпрямители препятствуют передаче обратного тока в системе СГ – В – Д генераторное торможение двигателя с отдачей энергии генератору оказывается невозможным. Для ограничения тока в режиме динамического торможения надо снижать выпрямленное напряжение и ток возбуждения двигателя.