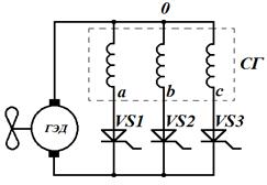
В ГЭУ двойного рода тока с управляемыми вентилями напряжение для питания гребных электродвигателей постоянного тока выпрямляется и регулируется при помощи тиристорных выпрямителей. Величина выпрямленного напряжения зависит от времени, в течении которого тиристоры находятся в открытом состоянии. Существует несколько схем выпрямления напряжения на управляемых вентилях. Пример схемы трехфазного выпрямителя с нулевым выводом (схема Миткевича) показан на рисунке 8.3.

Рис. 8.3. Схема трехфазного выпрямителя для ГЭД на управляемых вентилях (схема Миткевича)
Другой вариант схемы, показанный на рисунке 8.4 – это схема Ларионова, в которой вместо неуправляемых вентилей (диодов) применяются управляемые вентили (тиристоры).

Рис.8.4. Схема трехфазного выпрямителя для ГЭД на управляемых вентилях (схема Ларионова)






