Рисунок 1.4 Нанесение размеров на чертеж
Рисунок 1.3 Конструкция букв и цифр шрифта типа Б № 10
Рисунок 1.2 Типы линий на чертежах
Рисунок 1.1 Основная надпись
1.3 Линии чертежа (ГОСТ 2.303 – 68*)
сплошная толстая линия (толщина s = 0,5…1,4 мм) – для изображения видимого контура предмета;
сплошная тонка (1/2…1/3s) – для изображения размерных и выносных линий, линии выноски, штриховки сечений;
сплошная волнистая (1/2…1/3s) – для изображения линии обрыва;
штриховая (1/2…1/3s) – длина штриха 3 – 6 мм, между штрихами 1,5 - 2 мм – для изображения невидимого контура;
|

штрихпунктирная (1/2…1/3s) – длина штриха 10 - 30 мм, расстояние между штрихами 3 мм – для изображения осевых и центровых линий;
|

штрихпунктирная с двумя точками (1/2…1/3s) – для изображения подвижных частей изделия в крайних или промежуточных положениях, а также линий сгиба на развертках;

разомкнутая толстая (1,5s) – длина штриха 8 – 20 мм – для изображения линии сечения;
сплошная тонкая с изломами (1/2…1/3s) – для изображения длинных линий обрыва.
|
|
|

1.4 Шрифты чертежные (ГОСТ 2.304 – 81*)
ГОСТ 2.304 – 81* устанавливает два типа шрифта: тип А: d = 1/14h, тип Б: d = 1/10h,
где d – толщина линии шрифта, h – высота прописной буквы, которая соответствует размеру шрифта.
Шрифты типа А и Б могут быть без наклона и с наклоном 75о. Конструкция прописных и строчных букв в шрифтах типа А и типа Б одинакова, они лишь различаются соотношением высоты, ширины и толщины линии. Чаще используется шрифт Б с наклоном 75о.



Таблица 1.2 Ширина букв и цифр шрифта типа Б
| Относительная ширина, h | Буквы и цифры | |
| Прописные | 0,5 h | Г, Е, З, С |
| 0,6 h | Б, В, И, Й, К, Л, Н, О, П, Р, Т, У, Ц, Ч, Ь, Э, Я | |
| 07 h | А, Д, М, Х Ы, Ю | |
| 0,8 h | Ж, Ш, Щ Ф, Ъ | |
| Строчные | 0,4 h | с, з |
| 0,5 h | а, б, в, г, д, е, и, й, к, л, н, о, п, р, у, х ч, ц, ь э, я, | |
| 0,6 h | м ъ, ы, ю | |
| 0,7 h | ж т, ф, ш, щ | |
| Цифры | 0,3 h | |
| 0,5 h | 2, 3, 5, 6, 7, 8, 9, 0 | |
| 0,6 h |
Таблица 1.1 Параметры шрифта типа Б
| Параметры шрифта | Размер, мм | ||||||
| Размер шрифта – высота прописных букв h = 10d | 2,5 | 3,5 | 5,0 | 7,0 | 10,0 | 14,0 | 20,0 |
| Высота строчных букв c = 0,7h = 7d | 1,8 | 2,5 | 3,5 | 5,0 | 7,0 | 10,0 | 14,0 |
| Расстояние между буквами a = 0,2h =2d | 0,5 | 0,7 | 1,0 | 1,4 | 2,0 | 2,8 | 4,0 |
| Минимальный шаг строк b = 1,7h = 17d | 4,3 | 6,0 | 8,5 | 12,0 | 17,0 | 24,0 | 34,0 |
| Минимальное расстояние между словами e = 0,6h = 6d | 1,5 | 1.5 | 3,0 | 4,2 | 6,0 | 8,4 | 12,0 |
| Толщина линий d = 0,1h | 0,25 | 0,25 | 0,5 | 0,7 | 1,0 | 1,4 | 2,0 |
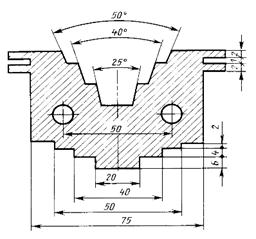
1.5 Правила нанесения размеров (ГОСТ 2.307 – 68*)
- На чертежах указываются действительные размеры в миллиметрах независимо от масштаба, в том числе там, где есть линия обрыва (рис. 1.4, б);
- выносные линии должны выходить за концы стрелок на 1…5 мм;
- размерные числа выполняют одним шрифтом (чаще применяют шрифт размером 3,5);
- размерные числа ставят над размерной линией, минимальное расстояние между параллельными размерными линиями должно быть 7 мм, а между размерной линией и линией контура — 10 мм; при нанесении нескольких параллельных размерных линий размерные числа над ними рекомендуется располагать в шахматном порядке (рис. 1.4 а);
|
|
|
- необходимо избегать пересечения размерных и выносных линий;
- при недостатке места для стрелок на размерных линиях стрелки допускается заменять засечками, наносимыми под углом 45° к размерным линиям, или четкими точками (рис. 1.4 а);
- в местах нанесения размера осевые линии, линии штриховки, линии контура прерывают (рис. 1.4 а, в);
- если наклон размерной линии к вертикали менее 30о, то размерное число наносится на полке линии-выноски (рис. 1.4 г);
- при указании размера радиуса перед размерным числом ставят прописную букву R, а перед размерным числом диаметра ставят знак Ø (рис. 1.4 е, ж);
- 
при большой величине радиуса допускается центр приближать к дуге, а размерную линию радиуса показывать с изломом под углом 90° (рис. 1.4 е); размерную линию радиуса допускается не доводить до центра.
|
|
|
|

| |||||
| |||||
| |||||
2 ГЕОМЕТРИЧЕСКИЕ ПОСТРОЕНИЯ

|
|








