Синтез параллельного статического регистра.

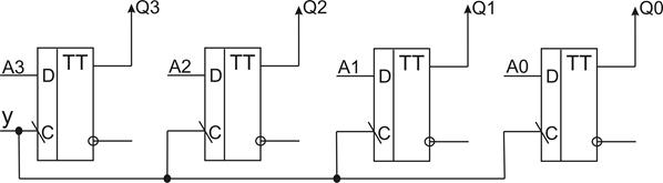
Возьмем для примера наименьший из регистров. В качестве базового триггера возьмем D – триггер. Поскольку все биты информации в данном регистре формируются одинаково, то достаточно провести синтез схемы для i-го бита.
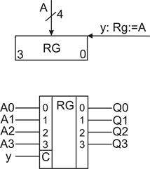
Qi=Ai*y.
Ci=y;
Логическая схема регистра:


В составе регистра, кроме триггера, будет комбинационная схема, для обеспечения выбора числа А или числа В.
Для синтеза устройства необходимо составить таблицу истинности устройств (микроопераций). Микрооперация – это сигнал, разрешающий выполнение элементарного действия, которое тоже называется микрооперацией (МО).
Таблица микроопераций:
| МО | D3 | C3 | D2 | C2 | D1 | C1 | D0 | C0 |
| y1 | A3 | y1 | A2 | y1 | A1 | y1 | A0 | y1 |
| y2 | B3 | y2 | B2 | y2 | B1 | y2 | B0 | y2 |





Очевидно, что Сi и Di сформируются за разный промежуток времени.
Для обеспечения устойчивости работы схемы необходимо ввести Собщ, тогда схема синхронизации выглядит так:


Пауза сигнала Собщ больше времени формирования Di.
Условное графическое обозначение регистра:

Любой регистр, который является не тривиальным (то есть кроме функции приема, хранения и выдачи одного числа имеет также другие функции). Состоит из комбинационной схемы и набора триггеров, реализующих память. Таким образом, любой многофункциональный регистр представляет собой простейший автомат.






