
Как видно из временной диаграммы асинхронного триггера, любое изменение сигнала на входе может повлечь за собой изменение сигнала на выходе.
Чтобы избежать реакции устройства на любые входные сигналы, в т.ч. на некорректные комбинации, добавим в схему специальный разрешающий сигнал «C» à “Clock”.
Сигнал «С» представляет собой серию импульсов одинаковой длительности, поступающих с одинаковым промежутком (паузой). Пауза синхроимпульса должна быть дольше его длительности. Для того чтобы успели сформироваться оба управляющих сигнала на входе R и S.

Для этой схемы активный уровень – «1», пассивный – «0».
Таблица истинности:
| С | S | R | Qt+1 | Сост |
| * | * | Qt | Save | |
| Qt | Save | |||
| Reset | ||||
| Set | ||||
| * | Запр. комбинация |
Сигнал «С» задает один из двух режимов работы:
1) С=0. Устройство находится в режиме хранения, его состояние не зависит от внешних входов R и S.(режим хранения).
2) С=1. Разрешается реакция устройства на изменение сигналов R и S(режим переключения).
|
|
|
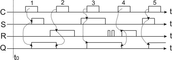
Временная диаграмма:

Для обеспечения корректной работы устройства необходимо, чтобы управляющие сигналы на входах R и S оставались неизменны в течении импульса С.
В данной диаграмме только две корректные ситуации на импульсе 2 и 3.






