ЭЛЕКТРОЭНЕРГИИ.
ПРОИЗВОДСТВО, ПЕРЕДАЧА И РАСПРЕДЕЛЕНИЕ
ГЛАВА I. ЭЛЕКТРОМОНТАЖНЫЕ РАБОТЫ.
Возможность передачи электрической энергии на расстояния, достигающие нескольких сотен и даже тысяч километров, обусловливает строительство электростанций вблизи мест нахождения топлива или на многоводных реках, что оказывается более экономичным, чем подвозить большое количество топлива к электростанциям, расположенным вблизи потребителей электроэнергии.
Широкое применение находит электричество не только в промышленности, но и на транспорт.
Незаменима роль электричества в автоматизации и телеуправлении производственных процессов. Здесь ни один вид энергии, известный современной науке, не может полностью заменить электрическую энергию.
2. Типы и основные характеристики электрических станций.
Электрическая энергия вырабатывается на электрических станциях, которые в зависимости от используемых в них энергоносителей подразделяются на тепловые (паротурбинные), атомные (реакторные) и гидроэлектрические (гидротурбинные).
|
|
|
Существуют также электростанции, использующие энергию ветра и тепла солнечных лучей предназначенные только для электроснабжения отдельных мелких потребителей, отдаленных от мощных электростанций и системных сетей.
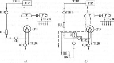
В тепловой электростанции (рис. 1.1, а) вода в котлах превращается в пар, который по паропроводу поступает в паровую турбину и приводит в движение ее ротор, а также механически соединенный с ним ротор генератора.
В генераторе механическая энергия преобразуется в электрическую, и генератор становится источником электрического тока.
Таким образом, тепловая энергия пара превращается в механическую энергию вращения турбины, а последняя, в свою очередь, преобразуется в электрическую энергию.
Снабжение потребителей не только электрической, но и тепловой энергией осуществляется тепловой электростанцией (рис. 1.1,б), называемой теплоэлектроцентралью (ТЭЦ). В ней происходит описанный выше цикл преобразования тепловой энергии в механическую, а затем и в электрическую, но значительная часть тепловой энергии в этом случае поступает в виде горячей воды и пара потребителям, расположенным в непосредственной близости от электростанции.
Коэффициент полезного действия ТЭЦ достигает 60...70 %. Такие станции строят обычно вблизи потребителей — промышленных предприятий или жилых массивов. Чаще всего они работают на привозном топливе.
Атомная электростанция (АЭС) по своей сущности является тепловой электростанцией, отличаясь от последней лишь тем, что на ней вместо котельного агрегата используется атомный реактор с теплообменником и для получения пара используется тепло,
|
|
|
Рис. 1.1. Схемы тепловых электростанций:
а — конденсационной; 6 — теплоэлектроцентрали; ТПВ — трубопровод питательной воды; ПК — паровой котел; Т — турбина; Г — генератор; К — конденсатор; Э — эжектор; ТЦВ — трубопровод циркуляционной воды; ЦН — циркулярный насос; КН — конденсатный насос; В — водоподогреватель; ПН, ПН1, ПН2 — питательные насосы; ВБ — водяная батарея; ПБ — паровая батарея
|
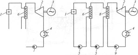
Рис. 1.2. Тепловые схемы атомных двухконтурной (а) и трехконтурной (б) электростанций:
1 — реактор; 2 — турбина; 3 — генератор; 4— конденсатор; 5 — циркуляционный насос; 6 — парогенератор; 1,9— топливный насос; 8 — теплообменник
|
Рис. 1.3. Схематичный разрез гидротехнических сооружений и зданий гидроэлектростанции:
1 — кран для подъема водозапорных щитов; 2 — плотина; 3 — генератор; 4 — повышающий трансформатор; 5 — отсасывающая труба; 6 — спиральная камера; 7 – рабочее колесо гидротурбины; 8 — водозапорный щит.
|
получаемое в процессе деления ядер атомов урана или плутония.
Тепловая схема АЭС может быть двух- и трехконтурной (рис. 1.2). В трехконтурной схеме в первом контуре нагретый в реакторе 1 радиоактивный теплоноситель поступает в парогенератор 6, где отдает теплоту рабочему телу (пару), и с помощью реляционного насоса 5 возвращается в реактор. Во втором контуре пар через промежуточный теплообменник 8 и турбину 2 вращает генератор 3, а затем через конденсатор 4 с помощью насоса 9 вращается в теплообменник (третий контур).
Гидроэлектростанции (ГЭС) сооружают на реках, используя поток воды, искусственно создаваемый за счет разности ее уровней с двух сторон плотины (рис. 1.3).
Вода, подаваемая под определенным напором в гидротурбину, вращает ее рабочее колесо (ротор) и соединенный с ним ротор электрического генератора. При этом энергия потока воды преобразуется генератором в электрическую энергию.
Гидроэлектростанции по сравнению с тепловыми электростанциями имеют более высокий коэффициент полезного действия, требуют меньших эксплуатационных затрат и позволяют получать электроэнергию, стоимость каждого киловатт-часа которой в несколько раз ниже.
Вопросы
Что представляет собой тепловая электростанция?
Что представляет собой гидроэлектростанция?
Что представляет собой атомная электростанция?
В чем отличие тепловой электростанции от тепловой электроцентрали?
Какие разновидности тепловых станций вы знаете?
Как обеспечивается безопасность на атомной электростанции?
Назовите основные преимущества гидроэлектростанций по сравнению с тепловыми.
Рис. 1.1. Схемы тепловых электростанций:
а — конденсационной; 6 — теплоэлектроцентрали; ТПВ — трубопровод питательной воды; ПК — паровой котел; Т — турбина; Г — генератор; К — конденсатор; Э — эжектор; ТЦВ — трубопровод циркуляционной воды; ЦН — циркулярный насос; КН — конденсатный насос; В — водоподогреватель; ПН, ПН1, ПН2 — питательные насосы; ВБ — водяная батарея; ПБ — паровая батарея
Рис. 1.2. Тепловые схемы атомных двухконтурной (а) и трехконтурной (б) электростанций:
1 — реактор; 2 — турбина; 3 — генератор; 4— конденсатор; 5 — циркуляционный насос; 6 — парогенератор; 1,9— топливный насос; 8 — теплообменник
Рис. 1.3. Схематичный разрез гидротехнических сооружений и зданий гидроэлектростанции:
1 — кран для подъема водозапорных щитов; 2 — плотина; 3 — генератор; 4 — повышающий трансформатор; 5 — отсасывающая труба; 6 — спиральная камера; 7 – рабочее колесо гидротурбины; 8 — водозапорный щит.