
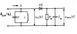
Рисунок 22.1 – Принципиальная схема ЧД с расстроенным колебательным контуром.
Преобразование ЧМ сигнала осуществляется в колебательном контуре, расстроенном относительно несущей частоты сигнала (
). Величину расстройки контура выбирают больше девиации частоты:
. При изменении частоты принимаемого сигнала
изменяется коэффициент передачи контура по напряжению
, в результате изменяется амплитуда напряжения на контуре
и ЧМ колебание превращается в амплитудно-частотно-модулированное (АЧМ)
. Напряжение с контура подается на линейный АД, на выходе которого получается низкочастотный сигнал
.

Рисунок 22.2 – Временные диаграммы работы ЧД, если рабочая точка выбрана на левой ветви резонансной характеристики контура (
).
Детекторная характеристика рассмотренного ЧД, представляющая собой зависимость постоянного напряжения на выходе детектора
от частоты
немодулированного высокочастотного сигнала на его входе, представлена на рисунке 22.3.

Рисунок 22.3 – Детекторная характеристика рассмотренного
|
|
|
ЧД: 1 -
; 2 -
.
Недостаток:
- детекторная характеристика имеет значительную нелинейность (т.к. одиночный колебательный контур имеет незначительный линейный участок резонансной характеристики), т.е. характерны значительные несимметричные нелинейные искажения исходного сигнала.
Уменьшения нелинейных искажений добиваются уменьшением добротности контура или применением более сложных схем детекторов.

Рисунок 22.4 – Принципиальная схема ЧД с двумя расстроенными контурами.
Такой ЧД представляет собой два ЧД с одиночными контурами, расстроенных симметрично относительно несущей частоты входного сигнала.
-контур первого ЧД настроен на частоту
, а
-контур – на частоту
.
В процессе работы ЧД можно выделить три основных случая:
- частота детектируемого сигнала равна несущей частоте
. В этом случае амплитуды напряжений на контурах одинаковы
, при этом токи через диоды также равны
и создают на резисторах
и
одинаковые напряжения
, а т.к. токи имеют встречное направление, то напряжение на выходе детектора, равно разности этих напряжений 
;
- частота детектируемого сигнала выше несущей частоты
. В этом случае:
,
,
, 
;
- частота детектируемого сигнала ниже несущей частоты
. В этом случае:
,
,
, 
.

Рисунок 22.5 – Резонансные кривые расстроенных контуров.
Детекторная характеристика рассмотренного ЧД представлена на рисунке 22.6.

Рисунок 22.6 - Детекторная характеристика рассмотренного ЧД: 1 – частоты настройки первого и второго контуров:
и
; 2 – частоты настройки первого и второго контуров:
и
.
Достоинства:
- детекторная характеристика имеет значительный линейный участок, благодаря чему детектирование происходит без искажений.
|
|
|
Недостаток:
- сложность в изготовлении и настройке.






