1. удельная выработка э/э на тепловом потреблении:
, где
Но – адиабатический теплоперепад в турбине до отбора, αрег. – коэф. регенерации, увеличение учитывающей выработки за счет регенеративного подогрева питающей воды (αрег. – 1.2-1.3).
2. удельный расход т-ва на выработку 1 кВтч:
,
,
,
. Экономия т-ва за счет теплофикации:
.
3. удельный расход т-ва на отпускаемое тепло:
.
4. удельный расход тепла на выработку э/э:
,
- расход тепла на выработку э/э.
Для повышения работы оборудования ТЭЦ м.б. применены следующие мероприятия:
1. газотурбинная настройка паровой части.
2. уменьшение потерь тепла в конденсаторах турбин.
3. применение 2- 3-х ступенчатых подогревов сетевой воды.
4. утилизация отработавшего пара за счет подогрева сырой воды и воды из ХВО (хим.водоочистка).
5. повышение эффективности работы оборотных систем водоснабжения.
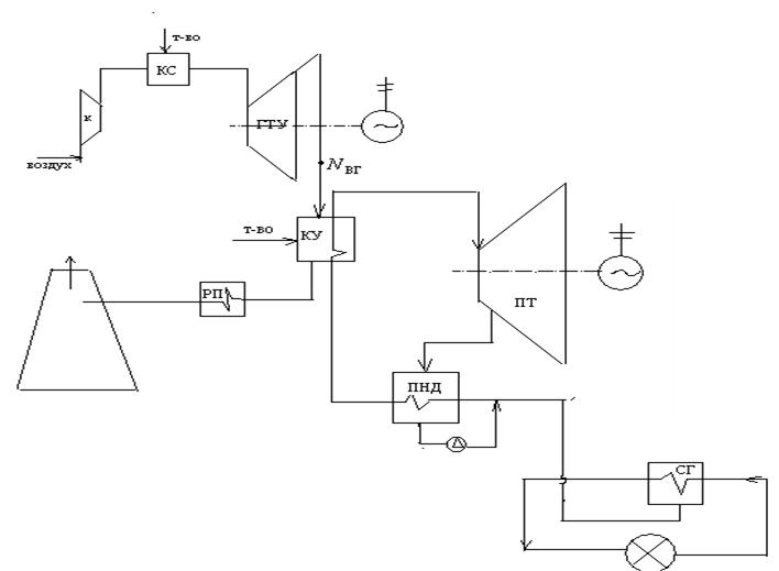
7.8. Методика оценки эффективности газотурбинной надстройки.
КС- камера сгорания, К – компрессор, КУ – котел утилизатор, ПТ – паровая турбина.
1. мощ-ть, обеспечиваемая выхлопными газами из газовой турбины:
,
=0.32-0.35. Полезная мощ-ть выхлопных газов:
, где ηпп – КПД паропровода.
|
|
|
2. мощ-ть, необходимая для обеспечения номинальной работы ПТ, т.е. дополнительное сжигание т-ва в КУ (если дожигание т-ва необходимо).
3. дополнительная мощ-ть:
.
4. суммарная мощ-ть ПГУ:
.
5. энергия, подводимая к газовой турбине:
.
6. кол-во т-ва (условного), необходимое для получения необходимой мощ-ти, подводимой к газовой турбине:
, если Qн.р. =7000, то
.
7. удельный расход т-ва ГТУ на выработку 1 кВтч:
.
8. удельный расход парогазового блока на выработку 1 кВтч: 
,
- удельный расход т-ва на выработку 1 кВтч паротурбинной установкой.
При газовой надстройки паровой части, экономия т-ва складывается из 2 частей:
1. эффект, обусловленный снижением удельного расхода т-ва с
до
.
2. ввод новой мощ-ти в энергосис-ме Nгту, с меньшим удельным расходом т-ва, чем на замещающей КЭС.
9. Принимая потери в электросетях ΔЭэс, полная величина экономии т-ва найдется:
. Эффективность ПГУ, как показывает выражение 9, зависит от числа часов использования установленной мощ-ти.






