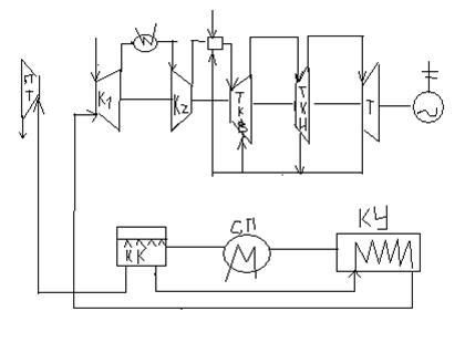
ПГУ на природном газе с турбинами на смеси продуктов сгорания.
К1 и К2 – компрессор низкого (1) и высокого (2) давления.
О – охладитель.
КС – камера сгорания.
ТКВ и ТКН – турбина компрессора высокого и низкого давления.
ТС – турбина смешанных продуктов.
ПТ – паровая турбина.
КУ – котел утилизатор.
СП – сетевой подогреватель.
КК – конвективный котел.
КПД использования тепла – 103%. Электрический КПД – 52%.
Расчет эффективности газовой настройки паровой части:
1. мощ-ть, обеспечиваемая выхлопными газами из газовой турбины:
,
=0.32-0.35. Полезная мощ-ть выхлопных газов:
, где ηпп – КПД паропровода.
2. мощ-ть, необходимая для обеспечения номинальной работы ПТ, т.е. дополнительное сжигание т-ва в КУ (если дожигание т-ва необходимо).
2. дополнительная мощ-ть:
.
3. суммарная мощ-ть ПГУ:
.
4. энергия, подводимая к газовой турбине:
.
5. кол-во т-ва (условного), необходимое для получения необходимой мощ-ти, подводимой к газовой турбине:
, если Qн.р. =7000, то
.
6. удельный расход т-ва ГТУ на выработку 1 кВтч:
.
|
|
|
7. удельный расход парогазового блока на выработку 1 кВтч: 
,
- удельный расход т-ва на выработку 1кВтч паротурбинной установкой.
При газовой надстройки паровой части, экономия т-ва складывается из 2 частей:
1. эффект, обусловленный снижением удельного расхода т-ва с
до
.
2. ввод новой мощ-ти в энергосис-ме Nгту, с меньшим удельным расходом т-ва, чем на замещающей КЭС.
8. Принимая потери в электросетях ΔЭэс, полная величина экономии т-ва найдется:
. Эффективность ПГУ, как показывает выражение 9, зависит от числа часов использования установленной мощ-ти.
Эффективность применения газовых турбин определяется тепловой нагрузкой потребителя. Чем выше числа часов использования установленной мощ-ти газовой турбины, тем выше эффективность.
ПГУ, как правило, используются в полупиковых и пиковых графиков нагрузок ЭЭС.
Газовые турбины используются только в пиковых режимах. Мощ-ть газовых турбин в ПГУ ТЭЦ составляет около 20-25% от полной мощ-ти.
Тема 8: Экономика передачи и распределения электроэнергии.






