Методы экранирования, компенсации погрешностей
Наряду с рассмотренными выше структурными методами адаптации измерительных устройств к меняющимся условиям измерений применяются: конструктивные методы, методы компенсации погрешности, а также методы, основанные на коррекции характеристик средства измерений. Во всех случаях прежде всего следует установить, являются ли помехи и возмущения аддитивными или мультипликативными, а также возможность воздействия на помехи до входа их в измерительную систему.
Конструктивные методы стабилизации чаще всего основаны на принципе экранирования помех и возмущений.
Экранирование уменьшает или подавляет сигналы как аддитивных, так и мультипликативных помех, проникающие в измерительную систему, и применяется тогда, когда можно воздействовать на помеху до ее входа в измерительную систему. Методы экранирования неэффективны для тех помех, которые успели уже наложиться на измерительный сигнал в измерительном устройстве вне зоны их экранирования, а также для некоторых помех, генерируемых самой измерительной системой (шумы и т.п.)
Примером применения принципа экранирования являются два способа уменьшения влияния температуры на средство измерений или его составные части. Первый способ – термостатирование, другой способ состоит в нагреве экранируемого элемента средство измерений до такой температуры, что колебания температуры окружающей среды не оказывают заметного влияния на результат измерения.
Компенсационные методы адаптации средства измерений к изменяющимся условиям измерений основаны на принципе компенсации погрешностей, согласно которому, в отличие от способа экранирования, возмущающее воздействие x не ослабляется, но уменьшается его влияние на точность измерений.
Наиболее широко применяется метод компенсации погрешностей способом составных параметров с использованием компенсирующего преобразователя с полной или неполной компенсацией. Метод предполагает встраивание в средство измерений некоторого дополнительного элемента, который, реагируя на влияющую величину, изменяет статическую характеристику средства измерений, частично или полностью компенсируя погрешность Dx, вызванную изменением параметров основного элемента. Считается, что изменение функции преобразования как бы вызывает появление погрешности Dk(x), коррелированной с погрешностью Dx, но обратной ей по знаку.
Поскольку в общем случае возмущающее воздействие является случайной величиной, то погрешность преобразования Dx является случайной погрешностью с математическим ожиданием M[Dx], дисперсией D| Dx | и с плотностью распределения, близкой к плотности распределения погрешности Dk(x).
Остаточная погрешность после компенсации
(8.31)
С учетом корреляционной связи погрешностей дисперсия остаточной погрешности
, (8.32)
где rk – коэффициент корреляции погрешностей.
Продифференцируем (8.32) по переменной D[Dk(x)] и, приравняв к нулю полученное значение производной, получим оптимальное значение:
. (8.33)
С учетом (8.33) можно записать минимальное значение остаточной погрешности:
. (8.34)
При параметрической компенсации добиваются, чтобы rk=1 (что соответствует детерминированной связи), и тогда
. (8.35)
Соблюдение условия (8.35) зависит от возможности подбора одинаковых параметров влияния основного и компенсирующего элементов во всем диапазоне влияющих величин. Практически этого добиться невозможно, особенно когда метод применяется для компенсации динамической составляющей погрешности. Тем не менее, этот метод во многих случаях дает удовлетворительные результаты. В качестве примера его применения можно назвать компенсацию температурных погрешностей тензорезистивных преобразователей при включении в соседние плечи моста основного и термокомпенсирующего тензодатчиков; температурную стабилизацию электронных усилителей, температурную компенсацию магнитоэлектрических приборов и пр.
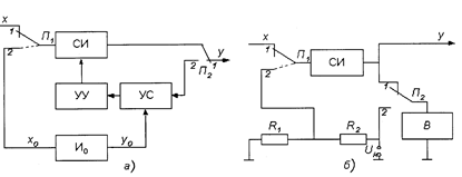
Метод калибровки – метод уменьшения погрешностей средства измерений, вызванных возмущающими воздействиями, путем коррекции параметров СИ по результатам дополнительных измерений образцовых сигналов. На рис.8.11 показаны возможные структурные схемы реализации метода.
Рис. 8.11. Схемы реализации метода калибровки: а – с образцовым источником сигналов, б – с образцовым делителем напряжения; СИ – средство измерений; УУ – устройство управления; УС – устройство сравнения; В – вычитатель; ИО – источник образцового сигнала
|
Калибровка с образцовым источником сигналов (см.рис.8.10, а) проводится при положении 2 переключателей П1 и П2. Учитывая, что на вход СИ при этом сигнал не поступает (x=0), то функцию преобразования СИ можно записать в виде
, (8.36)
где K – статический коэффициент передачи СИ; D - аддитивная погрешность; dk – мультипликативная погрешность.
При поступлении сигнала y=D устройство управления, воздействуя на СИ, изменяет его параметры, устраняя погрешность. Формула функции преобразования после этого будет иметь вид
y=Кx(1+dk). (8.37)
Затем от источника образцового сигнала на вход СИ подается сигнал x0¹0, а на УС – сигнал y0, соответствующий этому x0 в идеальном СИ. С выхода СИ на устройство сравнения также поступает выходной сигнал СИ, который для данного случая имеет вид
y=Кx0(1+dк). (8.38)
При y¹y0 устройство управления регулирует (автоматически или вручную) коэффициент передачи СИ до величины
К¢=К(1-dк) (8.39)
путем установления на выходе СИ сигнала, равного y0 .
Измерение величины x производится в положении 1 переключателей П1 и П2. Выходной сигнал
y=К(1-dк)x+Кdkx=Кx, (8.40)
т.е. благодаря калибровке мультипликативная погрешность устраняется полностью. В реальных условиях из-за погрешностей блоков, задействованных при калибровке, небольшие аддитивные и мультипликативные погрешности остаются нескомпенсированными.
На рис. 8.11, б показана схема реализации метода калибровки с образцовым делителем напряжения, используемая в тех случаях, когда входным и выходным сигналом СИ является напряжение. Калибровку проводят при положении 2 переключателя П1. Переводя П2 сначала в положение 2, а затем в положение 1, регулируют коэффициент передачи СИ, добываясь равенства показаний вольтметра при обоих положениях П2.
Метод калибровки эффективен при измерениях сравнительно медленно изменяющихся величин. Увеличение быстродействия сопровождается снижением требований к стабильности параметров элементов преобразования.
Метод аддитивной коррекции осуществляется путем смещения функции преобразования с использованием для выявления погрешности образцового обратного преобразователя ОП (рис. 8.12).
n
n 9. Оптимальное планирование эксперимента
Что такое задача оптимизации?
Во всех сферах человеческой деятельности большое место занимает принятие решений. Для постановки задачи принятия решения необходимо выполнить два условия. Первое условие заключается в том, чтобы было из чего выбирать. Очевидно, что если нет хотя бы двух возможных вариантов решения, то выбрать не из чего, и задача принятия решения отсутствует. Так, если предприятию задан план, устанавливающий номенклатуру и объем выпускаемой продукции, то задачи определения плана не существует: план задан. Второе условие состоит в установлении принципа выбора варианта из числа возможных.
Существует два принципа выбора: волевой и критериальный. Волевой выбор используется часто. Более того, при отсутствии количественных мер оценки возможных вариантов, вне зависимости от применения или неприменения ЭВМ такой выбор является единственно возможным. Критериальный выбор заключается в том, что принимается некоторый критерий и сравниваются возможные варианты по этому критерию. Вариант, для которого принятый критерий является наилучшим, принимается. Наилучший по-латински – optimus. Отсюда наилучшее решение называется оптимальным, а задача принятия наилучшего решения – задачей оптимизации. Необходимо отметить, что принимаемое решение не может быть наилучшим, т.е. оптимальным вообще, во всех смыслах. Решение может быть оптимальным только в одном единственном смысле, определяемом выбранным критерием оптимизации. Критерий оптимизации часто называют целевой функцией, функцией цели, функционалом. В дальнейшем мы будем пользоваться термином «целевая функция».
Рис. 8.11. Схемы реализации метода калибровки: а – с образцовым источником сигналов, б – с образцовым делителем напряжения; СИ – средство измерений; УУ – устройство управления; УС – устройство сравнения; В – вычитатель; ИО – источник образцового сигнала






