
В этой схеме используется кольцевая схема выпрямления. Выпрямитель ля многопостовой сварки имеет жёсткую ВАХ. Для ручной сварки необходима падающая ВАХ, которая формируется с помощью балластных реостатов RБ1÷ RБ4. Напряжение на выходе выпрямителя составляет 60 В. Изменяя сопротивление балластного реостата, можно регулировать наклон ВАХ.
Для анализа работы кольцевого выпрямителя необходимо определить в каждой обмотке направление ЭДС и, если на аноде тиристора будет положительный потенциал, то диод будет открыт.
Недостатки: при использовании балластных реостатов коэффициент полезного действия сварочного поста чрезвычайно низок.
Для повышения КПД используются тиристорные преобразователи, КПД которых достигает 90%.
|
|

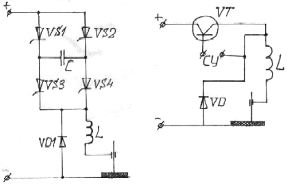
ТИРИСТОРНАЯ СХЕМА:
Принцип действия (формирование падающей ВАХ) заключается в прерывистой подаче напряжения на дугу. Причём чем больше сила сварочного тока, тем меньше длительность импульса. На силовых схемах блоки управления не показаны. В блоках управления формируются сигналы управления тиристорами или транзисторами; осуществляется подача отрицательной обратной связи по току. В тиристорных схемах необходимо также контролировать закрытие тиристоров. Следующий импульс управления на тиристоры должен прийти только тогда, когда тиристоры, работающие до этого, будут закрыты. Для коммутации принудительного закрытия тиристоров используется L – C цепочка.
|
|
|

При замыкании ключа К в цепи возникает переходной процесс по току, который имеет следующий вид:

Процесс осуществляется с помощью частотно импульсной модуляции. В этом случае длительность импульса постоянна и определяется параметрами L – C цепи и нагрузкой, а меняется частота следования импульсов. При подаче управляющего импульса VS1 и VS4 открываются, в цепи возникает переходной процесс. При этом конденсатор С и индуктивность L определяют длительность положительного импульса. Когда в системе действует отрицательная полуволна, тиристоры VS1 и VS4 закрываются. В следующий момент времени открываются тиристоры VS2 и VS3. Диод VD служит для разряда индуктивности.
ТРАНЗИСТОРНАЯ СХЕМА:
Для регулирования тока используется широтно-импульсная модуляция. В этом случае длительность импульса переменна, а частота постоянна. В этой схеме индуктивность L служит для сложения пульсаций. Диод VD повышает КПД схемы.
Сварочные генераторы.
Сварочные генераторы делятся на две большие группы: Это генераторы постоянного тока – коллекторные, и переменного тока – вентильные.






