с размагничивающей обмоткой:

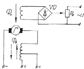
Генератор имеет две обмотки:
1. Обмотка возбуждения, которая создаёт основной магнитный поток ФН. Питается обмотка от сети переменного тока. Для питания обмотки возбуждения постоянным током используется выпрямитель VD. Изменение напряжения на входе генератора осуществляется с помощью регулировочного резистора RР. Обмотка возбуждения находится на неподвижной части генератора – станине.
2. Последовательно с якорем генератора включена дополнительная обмотка. Если дополнительная обмотка является размагничивающей, то есть
ФΣ=ФН – ФД
то характеристика генератора – падающая, так как при увеличении тока возрастает дополнительный магнитный поток. Когда дополнительная обмотка присоединена к части витков, то мы имеем режим больших токов.
Если ФΣ=ФН + ФД, то мы имеем жёсткую ВАХ.
Марки генераторов:
ГС – 300 – 3, ГСО – 300А – Падающая ВАХ.
ГСГ – 500 – Жёсткая ВАХ.
ГД – 304 Универсальный.
Недостатки:
1. Необходимо использовать постоянное напряжение для питания обмотки возбуждения.
2. Наличие коллектора уменьшает надёжность работы.






