Универсальность выпрямителя заключается в создании как жёстких, так и пологопадающих ВАХ. Формирование ВАХ и регулирование режимов осуществляется с помощью отрицательных обратных связей по току и напряжению.

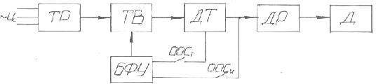
ТР – трансформатор, служит для понижения напряжения сети. Трансформатор нормального рассеяния.
ТВ – тиристорный выпрямитель, осуществляет выпрямление переменного напряжения и регулировку режима.
ДТ – датчик тока, представляет собой либо транзистор, либо шунт с операционным усилителем. Служит для снятия отрицательной обратной связи по току.
ДР – дроссель, осуществляет сглаживание пульсаций выпрямленного напряжения и обеспечивает необходимые динамические свойства.
Д – дуга.
БФУ – блок фазового управления, осуществляет формирование управляющих импульсов. Состоит из входного устройства, фазосдвигающего устройства, устройства усиления и формирования управляющих импульсов тиристоров. Входное устройство служит для синхронизации напряжения с сетью. Фазосдвигающее устройство служит для сдвига фаз и обеспечения косинусного управления. Устройство усиления и формирования управляющих импульсов служит для получения импульсов определённой формы и величины. Для получения падающих ВАХ необходимо стабилизировать ток сварки, что осуществляется с помощью отрицательной обратной связи по току ООСI. Для формирования жёстких ВАХ производится стабилизация напряжения – ООСU.






