
Силовая часть схемы:
В силовой части схемы используется схема выпрямления с уравнительным реактором. В такой схеме вторичная обмотка разделена как бы на две части. При этом каждая часть должна иметь одинаковое число витков. При сварке возникают короткие замыкания, которые могут иметь малую продолжительность и может возникнуть такой момент, когда по одной части вторичной обмотки проходить большая сила тока, чем по другой. Это может привести к насыщению магнитопровода трансформатора. Для исключения насыщения используется уравнительный реактор, принцип действия которого заключается в следующем: если в одной части обмоток увеличивается ток, то уравнительный реактор автоматически увеличивает ток другой части обмоток и насыщения не происходит. На принципиальной схеме дроссель имеет отводы. Целая обмотка используется для режима малых токов. Часть обмотки дросселя используется для режимов больших токов. Трансформатор тока служит для получения отрицательной обратной связи по току. В некоторых схемах используется шунт с операционным усилителем; схема в этом случае следующая:
|
|
|

RШ – сопротивление сварочного шунта.
R1, R2 – служат для получения необходимого коэффициента усиления по напряжению.
С – конденсатор, служит для исключения самовозбуждения операционного усилителя ОУ.
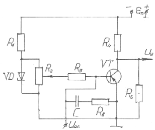
Схема управления (для получения жёстких ВАХ).

Схема состоит из двух частей: задатчика напряжения (сопротивление R2 является регулятором тока; сопротивление R1 является балластным для стабилитрона VD и ограничивает ток стабилитрона VD, который служит для получения постоянного напряжения) и второй части схемы, которая служит для получения управляющего напряжения UУ. На схеме R3 ограничивает ток фазы транзистора VT; RH ограничивает ток коллектора транзистора VT; R6 – сопротивление последующего каскада. Цепочка С – R5 является корректирующей и задаёт необходимые динамические свойства источника питания, а также уменьшает склонность выпрямителя к самовозбуждению. Подача напряжения обратной связи на базу транзистора VT приводит к изменению напряжения управления, что, в свою очередь, изменяет угол открытия тиристора.
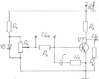
Схема управления (для получения падающих ВАХ).

В Выпрямителе имеется специальный тумблер для переключения выпрямителя в режим формирования жёстких / крутопадающих ВАХ. При этом происходит изменение электрической схемы. Назначение элементов схемы такое же как и для схемы получения жёстких ВАХ. Единственное отличие заключается в получении сигнала управления транзистором VT. Обратная связь в этом случае подключается во входную цепь последовательно сигналу управления, снимаемого с резистора R2.
|
|
|

Для схемы управления основные помехи возникают на частотах 50 Гц. Фильтр настроен таким образом, что ослабление сигнала происходит на частоте 40÷60 Гц.
ω1=2·π·40
ω2=2·π·60
Схема управления тиристорами. 
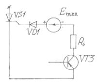
Схема управления состоит из гибридной схемы ЛОГИКА – Т, которая состоит из транзисторов VT 1 – 4, сопротивлений R1, R2, R3. В ЛОГИКЕ – Т происходит суммирование двух импульсов: переменного напряжения UВХ2 и постоянного напряжения UВХ1. При регулировании режимов UВХ1 может изменяться. Тиристоры VS1 и VS2 – это силовые тиристоры схемы управления. В этой схеме показаны только два тиристора; всего тиристоров 6, значит аналогичных схем три. Диоды VD1, VD2 защищают управляющий электрод тиристоров от отрицательных импульсов, что увеличивает надёжность работы схемы. Трансформаторы ТР2.1 и ТР 2.2 синхронизируют работу каждого тиристора с сетью и служат также источником управляющего тока тиристоров. При отсутствии напряжения на входе схемы, или если напряжение на входе 2 будет меньше напряжения на входе 1 транзистор VT1. Транзистор VT2 будет открыт, ток от плюса Еn через эмиттер – базу VT2, сопротивление R2 и R1 поступает к минусу Еn. Сопротивление коллектора – эмиттера VT2 практически равно нулю. Потенциал базы VT4 равен нулю, поэтому транзистор VT3 закрыт. Ток на управляющие электроды тиристоров не проходит. Если напряжение на входе 1 будет меньше напряжения на входе 2, транзистор VT1 откроется, транзистор VT2 закроется, откроется транзистор VT3. Ток от обмоток трансформатора ТР2.1 и ТР2.2 через диоды VD1, VD2 будет поступать к общему проводу через эмиттер – коллектор транзистора VT3, сопротивление R4 к обмотке трансформатора ТР2.1 и ТР2.2.
Упрощённая схема управления тиристорами:







