В
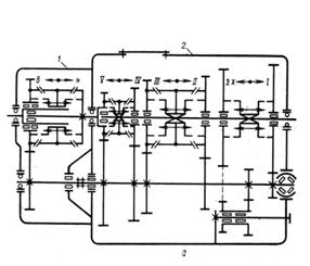
| Рисунок 24 Схемы коробок передач: а - тракторной двухвальной: 1- вал ведущий; 2 - вал ведомый; б - автомобильной: 1 - вал промежуточный; 2 - вал ведущий; 3 - синхронизаторы; 4 - вал ведомый вторичный; 5 - блок шестерен реверса; I - V - номер передачи. в - автомобильной с делителем |
Планетарные коробки передач часто имеют полуавтоматическое или автоматическое управление.Наиболее простыми являются схемы 2-х вальных коробок передач – тракторных, т.к. они в основном применяются на тракторах. Все передачи переднего хода (передачи заднего хода на схеме не показаны) осуществляются при помощи 2-х валов: ведущего – 1, связанного непосредственно или через карданный вал со сцеплением, и ведомого – 2 - рисунок 24а.
Особенности данной схемы:
1. Передача мощности осуществляется одной парой шестерен на каждой из передач.
2. Отсутствие прямой передачи – когда ведущий вал передает мощность непосредственно ведомому.
Такая схема (с иным числом передач) применяется на тракторах ДТ-54, ТДТ-55, ТТ-4 и др.
![]()
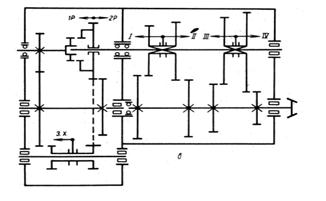
Рисунок 25. Схемы составных коробок передач:
|
| а – автомобильной (КаМАЗ) с делителем: 1 – делитель; 2 – базовая пятискоростная коробка передач; б – тракторная 8-скоростная (ТТ-4М): I - V – номера передач. |
На автомобилях применяются в основном 3-х вальные коробки передач, имеющие прямую передачу - рисунки 24б, 24в и 25а. Большую часть времени почти все автомобили работают на одной, хорошо подобранной передаче, остальные используются лишь при разгоне или повышенных сопротивлениях. Если эту передачу выбрать прямой (при подборе передаточного числа), то потери мощности в коробке передач будут малы и шестерни не будут изнашиваться.
|
|
|
Тракторы работают на промежуточных передачах, поэтому для них прямая передача не так важна. Некоторые коробки передач для увеличения числа передач и увеличения передаточных чисел выполняются с 2-х ступенчатыми редукторами (ТТ-4) – составными (рисунок 25 б). В тракторных коробках передач передачи включаются передвижением шестерен. Однако подвижные шестерни сейчас вытесняются коробками с постоянным зацеплением шестерен (МАЗ).
В трансмиссиях автомобилей высокой проходимости (лесовозных) для расширения диапазона изменения передаточного числа устанавливают дополнительные коробки передач. Обычно это 2-х ступенчатые редукторы. В многоосных автомобилях для раздачи мощности нескольким ведущим

Рисунок 26 Кинематическая схема раздаточной коробки с блокированным приводом
![]() |
Рисунок 27 Кинематическая схема раздаточной коробки с дифференциальным приводом
мостам имеются раздаточные коробки, служащие для раздачи мощности по ведущим мостам -рисунки 26 и 27 или для подвода мощности к дополнительному оборудованию.
|
|
|
Обычно дополнительные и раздаточные коробки совмещают в одном корпусе.
УСТАНОВЛЕНИЕ ПЕРЕДАТОЧНЫХ ЧИСЕЛ
В последнее время наметилась тенденция к повышению рабочих скоростей и сил тяги тракторов., близкие к предельным по сцеплению. В результате этого диапазон передаточных чисел трансмиссии значительно расширяется. Чтобы не было большого разрыва между скоростями движения на смежных передачах, увеличивают количество передач (ЗИЛ и МАЗ имеют по 10 передач).
Увеличение числа передач приближает ступенчатые коробки передач к бесступенчатым, давая возможность подбирать передачу по условиям работы так, чтобы двигатель работал в режиме полной мощности, что повышает экономичность и производительность машины в целом.
После определения диапазона изменения передаточных чисел методами тягового расчета (рассмотрели выше) разбивают этот диапазон между передачами и определяют iтрmax. Общее передаточное число создается передаточными числами отдельных механизмов и определяется из равенства (2
) или упрощенно
iтрi = ne/nк = iкi∙iгл∙iкп, (125)
где ne/nк – частота вращения соответственно коленчатого вала и ведущих колес;
iкi – передаточное число коробки передач на i-ой передаче;
iгл и iкп – передаточные числа главной и конечной передач.
Подвижные шестерни коробки передач выходят из строя вследствие смятия и скола торцов зубьев в процессе включения и выкрашивания рабочих поверхностей. Шестерни постоянного зацепления выходят из строя главным образом из-за усталостного выкрашивания. Поэтому для повышения срока их службы необходимо снижать нагрузки на шестерни и подшипники. Этого можно добиться при разбивке общего передаточного числа отнесением большей его части на долю конечных передач. В этом случае целесообразно применять двойные конечные передач. Это позволит разгрузить предшествующие механизмы трансмиссии, уменьшить их габариты и увеличить срок службы.
В одинарных конечных передачах тракторов iкп=4…7; в двойных – iкп=9…12.
В автомобилях особо большой грузоподъемности часто вводят в виде конечных передач планетарные редукторы. С iгл=4…6, размещаемые в колесах. Их называют колесными передачами. Передаточные числа главных передач грузовых автомобилей iгл=6…9, а у тракторов – iгл=2…6.
Таким образом, выбрав передаточные числа iкп и iгл находят передаточное число коробки передач: iкi=iтрi / (iкп∙iгл) (126)
При расчете размеров основных деталей и узлов трансмиссии используют общий метод расчета (курс «детали машин»), но с учетом условий работы машины: скоростной режим, степень загрузки двигателя, время работы на каждой передаче и т.п.
Планетарные передачи – широко используются в трансмиссиях современных тракторов. Их устанавливают в качестве редукторов в составных коробках передач, в качестве дифференциального механизма в гидропередачах, в качестве механизмов поворота гусеничных тракторов, приводов валов отбора мощности и т.д.
По сравнению с механизмами, имеющими неподвижные оси валов, планетарные передачи обладают рядом преимуществ:
1. повышенный срок службы шестерен и бесшумность в работе
2. разгруженность большинства подшипников от радиальных нагрузок
3. более высокий кпд
4. возможность автоматизации управления
5. отсутствуют длинные валы
6. габариты и вес ниже, т.к. окружное усилие распределяется на несколько сателлитов.
Однако в изготовлении планетарные передачи более сложны и трудоемки. Основу их составляют планетарные ряды, которые могут выполняться с внутренним, внешним и смешанным зацеплением шестерен.
В современных автомобильных и тракторных трансмиссиях преимущественно применяется смешанное зацепление – сателлит входит в зацепление с солнечной шестерней внешними зубьями и с коронной шестерней внутренними зубьями.
|
|
|
Для выявления основных свойств планетарных рядов рассмотрим схему со смешанным зацеплением - рисунок 28. Подбор чисел зубьев шестерен и при решении обратной задачи – определение передаточных чисел уже готового планетарного ряда производят аналитически и графически. Определим передаточное число графическим методом, основанном на построении плана скоростей.
Пусть частота вращения ведущего элемента (шестерни а) задана. Для построения плана скоростей проведем вертикальную линию и снесем на нее полюсы зацепления Ра, Рв и Рс. Так как частота вращения ведущего вала задана, можно определить и окружную скорость солнечной шестерни νа (νа=2∙π∙ne∙rк/iтр) в полюсе Ра (окружная скорость оси солнечной шестерни равна 0).
Эта же скорость принадлежит и сателлиту в полюсе зацепления Ра. Отложив от полюса зацепления Ра вектор νа и, соединив его конец с точкой 0, получим план абсолютных скоростей точек солнечной шестерни - луч 0q.

Рисунок 28 Планетарный ряд со смешанным зацеплением
При полностью затянутом тормозе коронная шестерня не вращается, следовательно, скорость νс в полюсе Рс равна нулю. Проведя из полюса зацепления Рс прямую через конец вектора νа получим план абсолютных скоростей сателлита (луч ν2). Соединив точку 0 с концом вектора νb, получим план скоростей водила – луч ν3 (при вращении его вокруг оси 0). Проведя горизонтальную прямую на произвольном расстоянии от точки 0 получим отрезки ху и хz.
Из приведенного плана скоростей получим, что
νа/ra=π∙na/30=tgαо
νb/rb=π∙nb/30=tgα∞ (127)
Отсюда следует, что отрезки ху и хz, отсекаемые лучами ν1 и ν3 пропорциональны частотам вращения солнечной шестерни и водила, таким образом:
io∞=icab=na/nb=tgαо/tgα∞= lq / lp (128)
При работе механизма сателлит участвует в 2-х движениях: относительном (вокруг оси водила) и переносном (вместе с водилом вокруг оси вращения). Абсолютная скорость зуба сателлита в полюсе Ра равна скорости зуба солнечной шестерни при вращении ее вокруг оси 0. Относительная скорость сателлита пропорциональна отрезку уz. Разделив относительную скорость сателлита на его радиус r′b, найдем угловую скорость ωbo сателлитами частоту вращения nbo относительно его оси.
|
|
|
Графический метод дает приближенные результаты, однако он очень удобен при исследовании структурных схем планетарных передач, при выборе чисел зубьев шестерни по передаточным числам, установленным тяговым расчетом.
Для установления кинематических зависимостей элементов планетарного ряда удобнее пользоваться аналитическим методом Виллиса, называемым способом мысленной остановки водила. Для этого достаточно представить себе, что весь механизм вращается вокруг оси с угловой скоростью водила, но в обратную сторону. При этом угловая скорость водила станет равной нулю и планетарная передача превращается в обычную передачу с неподвижными осями.
Относительная частота вращения солнечной шестерни na∞ (относительно водила) равна:
na∞ = na - nb
При мысленно остановленном водиле передаточное число от а к элементу с равно:
ibac=-(na-nb) / (nc-nb) (129)
Знак “минус” указывает на то, что солнечная и коронная шестерни вращаются в разные стороны, при заторможенном водиле.
Это уравнение можно переписать в виде:
na - nb∙(1+ibac) + nc∙ibac=0 (130)
Отношение ibac=Zc/Za называется характеристикой ряда и обозначается буквой К.
Характеристика планетарного ряда К при одинаковом модуле зависит от числа зубьев шестерни и их радиусов. При остановленном водиле, К равно передаточному числу соответствующей передачи с неподвижными осями:
ibac=K=Zc/Zb∙Zb/Za = rc/ra (131)
В конструкциях планетарных передач к=1.5…4. Уравнение (176) после преобразования запишется:
na - nb∙(1+К) + nc∙К=0 (132)
Уравнение (132) является общим для определения взаимосвязи между частотами вращения элементов любого планетарного ряда с внешним и внутренним зацеплением шестерен и показывает, что рассматриваемый планетарный ряд является механизмом с 2-мя степенями свободы.
Для установления определенного кинематического соотношения между частотами вращения его звеньев необходима еще одна связь. Тогда наш планетарный ряд превратится в систему с одной степенью свободы, устанавливая определенное передаточное число между частотами ведущего и ведомого валов. Так при заторможенной коронной шестерни (nс=0) получим:
na - nb∙(K+1)=0 (133)
Кинематическое передаточное число для этого случая:
io∞= icab = na / nb = K+1
Исследуем возможные пределы изменения планетарного ряда. Из схемы на рисунке 28 в зависимости от того, какое из звеньев ряда будет тормозиться или взято в качестве ведущего (ведомого) элемента, можно получить шесть вариантов схем (таблица).
| № схемы | Обозначение звеньев ряда | |||
| a | b | c | ||
| i > 1 | т | |||
| т | о | |||
| i < 1 | о | т | ||
| т | о | |||
| Задний ход | 5 (i > 1) | о | т | |
| 6 (i < 1) | т | о |
icab=K+1
Если диаметр сателлитов безгранично убывает, т.е. r′b
0, то rс
ra, К=1 и icab=2. Если радиус солнечной шестерни безгранично убывает, т.е. rа
0, то К=icab
.
Следовательно, теоретическое передаточное число icab заключено в пределах 2 £ icab £
. Но ввиду того, что Za не может быть очень малым (нужно нарезать зубья, установить подшипники и др.), то в реальном машиностроении планетарные передачи выполняют с К=1.5…4.
КАРДАННЫЕ ПЕРЕДАЧИ
При движении машины из-за деформаций рессор углы между осями валов постоянно меняются. Кроме того, при сборке машины может быть нарушена соосность валов, а также при деформации рамы в процессе работы. Поэтому во избежание нарушения работы механизмов вводят карданную передачу – механизм, осуществляющий передачу крутящего момента без его изменения между валами, расположенными под постоянными или переменными углами. Карданная передача (к.п.) компенсирует несоосность агрегатов.
К карданным передачам предъявляют следующие требования:
· обеспечить синхронность вращения связанных передачей валов;
· обладать высоким КПД;
· хорошая уравновешенность передач;
· легкость демонтажа и доступность для ухода.
Карданная передача состоит из карданных шарниров, валов и промежуточных опор. Карданные шарниры по кинематическому признаку делятся на асинхронные и синхронные
(неравных и равных угловых скоростей). Синхронные применяются в приводе ведущих управляемых колес. Асинхронные применяются там, где углы между валами невелики (до 8
), или где требуется компенсация агрегатов, установленных на одной раме. Асинхронные карданные шарниры делятся на полукарданы и полные. Полукарданами служат иногда зубчатые муфты, а чаще всего упругие полукарданы. Из полных карданов наибольшее распространение получили простые карданы с крестовиной - рисунок 29а.
Взаимосвязь между углами поворота валов определяется равенством:
tgα = tgβ∙cos∙γ (134)
где α и β – углы поворота ведущего и ведомого валов;
γ –угол между осями валов.
Отношение их угловых скоростей:
ω2 / ω1 = Cosγ /
Sin2α+(Cosα∙Cosγ)2
Как следует из уравнения, неравномерность вращения ведомого вала пропорциональна углу между валами.
Из графика относительного углового смещения валов видно (рисунок 29 б), что при больших углах γ оно достигает значительной величины. Устранить эту неравномерность и обеспечить синхронность передачи можно установкой 2-х карданов с промежуточным валом между ними.
При проектировании передачи и ее установки необходимо, чтобы углы γ1 и γ2 были равны, а вилки карданов, устанавливаемые на промежуточном валу лежали в одной плоскости. В этом случае ведомый вал первого кардана становится ведущим по отношению ко второму. При выполнении этих требований смещения будут взаимно компенсироваться. Таким образом ведущий вал главной передачи будет вращаться с той же угловой скоростью, что и вторичный вал КПП.
Применение карданов неравных угловых скоростей в приводах к передним ведущим колесам создает неравномерность вращения последних, что ухудшает устойчивость машины на повороте, особенно при движении с повышенной скоростью, увеличивает износ баллонов, а также деталей привода.
Для улучшения условий работы трансмиссии машины иногда устанавливают последовательно 2 муфты. В этом случае между ведущим 7 и ведомым 8 устанавливается промежуточный вал 6, концы которых соединены карданами - рисунок 29 а.
Согласно равенства (134) вал 6 повернется на угол β′, тогда
tg
=tgβ′∙Cosγ1 (135)
|
|
Рисунок 29 Схема карданной передачи - а - установка шарниров: 1, 3, 4, 5 - вилки карданных шарниров; 2 - крестовина; 6 - промежуточный вал; 7 - ведущий вал; 8 - ведомый вал;
б - график угловых смещений валов, связанных карданом
В свою очередь вал 8 повернется на угол β, тогда
tgβ=tgβ′∙Cosγ2 (136)
Таким образом, углы поворота ведущего и ведомого валов имеют связь: tgβ=tgα∙(Cosγ2 / Cosγ1). Если углы наклона валов γ1 и γ2 равны, то их угловые скорости одинаковы.

Рисунок 25. Схемы составных коробок передач:
