Раздел 4
Лектор Бабакин В.И.

Рис.1 Структурная схема статического преобразователя частоты с промежуточным звеном постоянного тока

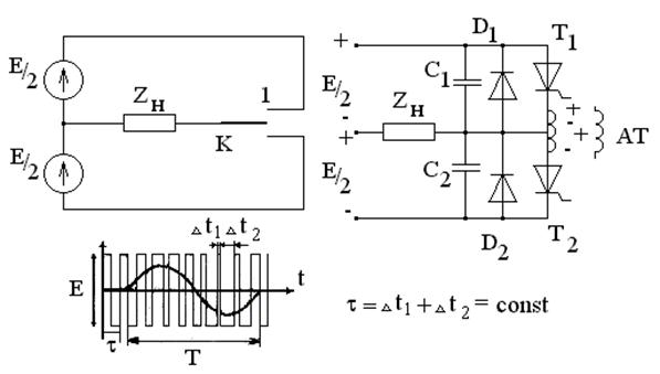
Рис. 2Схема ПЧ с полными коммутирующими емкостями

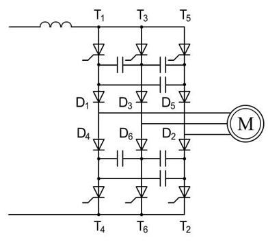
Рис.3 –Схема ПЧ с отсекающими диодами

Рис.4 Блок схема векторного управления




Рис.5 Векторное управление
;
;

Рис.6 Диаграммы входного и выходного давления нерегулируемого а) и регулируемого б)

Рис.7 Зависимость мощности насосного агрегата от скорости вращения

Рис.8 Схема ПЧ с ШИМ на IGBT транзисторах

Рис.9 Замкнутый контур регулирования

Рис.10 Графики изменения момента и угловой частоты от времени: а – при рекуперативном торможении; б – при смешанном торможении

Рис.11 Схема ПЧ с ШИМ на IGBT транзисторах с регенеративным торможением

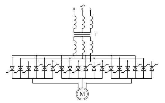
Рис.12 Схема непосредственного преобразователя частоты

Рис. 13 Выходное напряжение НПЧ

Рис.14 Режим работы бурового насоса

Рис.15 Изменение давления на выходе бурового насоса и скорости привода при регулируемом и нерегулируемом приводах:
. 
Рис.16 Механические характеристики регулируемого спускоподъемного агрегата в режиме подъема

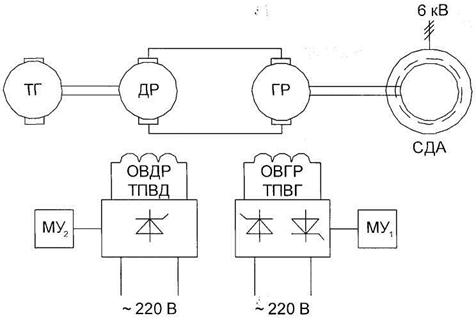
Рис.17 Функциональная схема электропривода ротора по системе генератор–двигатель: ТГ – тахогенератор постоянного тока; ДР – двигатель; ГР – генератор ротора, ОВДР – обмотка возбуждения двигателя; ОВГР – обмотка возбуждения генератора; ТПВД – тиристорный преобразователь возбуждения двигателя; ТПВГ – тиристорный преобразователь возбуждения генератора; МУ – магнитный усилитель; СДА – синхронный двигатель

1- для режима №1;
2- длярежима №2.
Рисунок 18- совместные характеристики насосов

Рис.19 Зависимость мощности на валу серийного электродвигателя СТД – 1600 – 2 от частоты вращения:

Рис.20– Изменение КПД насосного агрегата с частотным регулированием при изменении производительности

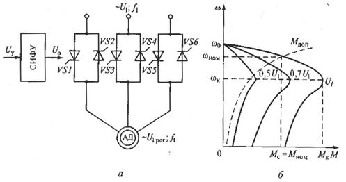
Рис. 21 Система ТРН-АД (а) и ее характеристики (б)

Рис. 22 Характеристики АД с повышенным сопротивлением ротора

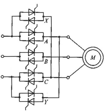
Рис. 23 Схема АИН С ШИМ на IGBT- транзисторах.






