Занятие № 9.2. Системы синхронизации и вторичных источников питания
Органы управления и контроля системы СИ
| Наименование органов управления и контроля | Назначение | Размещение |
| Потенциометр ЯРКОСТЬ | Регулировка яркости развертки | Блок СИ1М |
| Потенциометр ФОКУС | Регулировка фокуса развертки | Блок СИ1М |
| Экран индикатора «Дальность - угол места - азимут» | Захват цели на АС по угловым координатам | Блок СИ1М |
| Потенциометр ЯРКОСТЬ | Регулировка яркости развертки | Блок СИ2М |
| Потенциометр ФОКУС | Регулировка фокуса развертки | Блок СИ2М |
| Экран индикатора дальности | Захват цели на АС по дальности | Блок СИ2М |
Признаки нормальной работы системы СИ:
_______________________________________________________________________________
_______________________________________________________________________________
_______________________________________________________________________________
_______________________________________________________________________________
_______________________________________________________________________________
_______________________________________________________________________________________________________________________________________________________________
_______________________________________________________________________________
_______________________________________________________________________________
______________________________________________________________________________________________________________________________________________________________
Задание на самостоятельную работу:
1. Изучить материал занятия.
2. Начертить на схемах блоков СИ1, СИ2 прохождение сигналов.
Вид занятия: групповое занятие;
Время: 2 часа.
Цель: 1. Изучить назначение, состав и характеристика системы синхронизации;
2. Изучить назначение, состав и характеристика системы вторичных источников питания;
3.Назначение, состав и характеристика системы встроенного контроля.
Учебные вопросы:
1.Назначение, состав и характеристика системы синхронизации;
2.Назначение, состав и характеристика системы вторичных источников питания;
3.Назначение, состав и характеристика системы встроенного контроля.
Литература: 1. РудиановГ.В., Переверзев М.А. Устройство и эксплуатация ЗПРК 2К22. Часть II. Станция сопровождения целей. Конспект лекций. С.-Пб. 2011, с. 54-57.
1. НАЗНАЧЕНИЕ, СОСТАВ И ХАРАКТЕРИСТИКА СИСТЕМЫ СИНХРОНИЗАЦИИ
______________________________________________________________________________
_______________________________________________________________________________
_______________________________________________________________________________
______________________________________________________________________________________________________________________________________________________________
_______________________________________________________________________________
_______________________________________________________________________________
_______________________________________________________________________________
_______________________________________________________________________________
_______________________________________________________________________________
_______________________________________________________________________________
_______________________________________________________________________________
_______________________________________________________________________________
_______________________________________________________________________________
_______________________________________________________________________________
_______________________________________________________________________________
_______________________________________________________________________________
_______________________________________________________________________________
______________________________________________________________________________________________________________________________________________________________
_______________________________________________________________________________
_______________________________________________________________________________
_______________________________________________________________________________
_______________________________________________________________________________
Входные и выходные сигналы синхронизатора ССЦ

_______________________________________________________________________________
_______________________________________________________________________________
_______________________________________________________________________________
_______________________________________________________________________________
_______________________________________________________________________________
_______________________________________________________________________________
_______________________________________________________________________________
_______________________________________________________________________________
_______________________________________________________________________________
_______________________________________________________________________________
_______________________________________________________________________________
_______________________________________________________________________________
_______________________________________________________________________________
_______________________________________________________________________________
_______________________________________________________________________________
_______________________________________________________________________________
_______________________________________________________________________________
_______________________________________________________________________________
_______________________________________________________________________________
_______________________________________________________________________________
_______________________________________________________________________________
_______________________________________________________________________________
_______________________________________________________________________________
_______________________________________________________________________________
_______________________________________________________________________________
_______________________________________________________________________________
_______________________________________________________________________________
_______________________________________________________________________________
_______________________________________________________________________________
_______________________________________________________________________________
_______________________________________________________________________________
_______________________________________________________________________________
_______________________________________________________________________________
_______________________________________________________________________________
_______________________________________________________________________________
_______________________________________________________________________________
_______________________________________________________________________________
_______________________________________________________________________________
_______________________________________________________________________________
_______________________________________________________________________________
Входные и выходные сигналы синхронизатора СОЦ и НРЗ

_______________________________________________________________________________
_______________________________________________________________________________
_______________________________________________________________________________
_______________________________________________________________________________
_______________________________________________________________________________
2. НАЗНАЧЕНИЕ, СОСТАВ И ХАРАКТЕРИСТИКА СИСТЕМЫ ВТОРИЧНЫХ ИСТОЧНИКОВ ПИТАНИЯ
_______________________________________________________________________________
_______________________________________________________________________________
_______________________________________________________________________________
_______________________________________________________________________________
_______________________________________________________________________________
_______________________________________________________________________________
_______________________________________________________________________________
_______________________________________________________________________________
_______________________________________________________________________________
_______________________________________________________________________________
_______________________________________________________________________________
_______________________________________________________________________________
_______________________________________________________________________________
_______________________________________________________________________________
_______________________________________________________________________________
_______________________________________________________________________________
_______________________________________________________________________________
_______________________________________________________________________________
_______________________________________________________________________________
_______________________________________________________________________________
_______________________________________________________________________________
_______________________________________________________________________________
_______________________________________________________________________________
_______________________________________________________________________________
______________________________________________________________________________________________________________________________________________________________
_______________________________________________________________________________
_______________________________________________________________________________
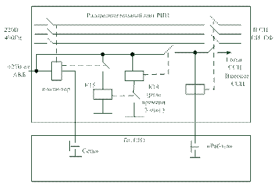
Структурная схема системы вторичных источников питания (СЭ)

_______________________________________________________________________________
_______________________________________________________________________________
_______________________________________________________________________________
_______________________________________________________________________________
_______________________________________________________________________________
_______________________________________________________________________________
_______________________________________________________________________________
_______________________________________________________________________________
3. НАЗНАЧЕНИЕ, СОСТАВ И ХАРАКТЕРИСТИКА СИСТЕМЫ ВСТРОЕННОГО КОНТРОЛЯ
_______________________________________________________________________________
_______________________________________________________________________________
_______________________________________________________________________________
_______________________________________________________________________________
_______________________________________________________________________________
_______________________________________________________________________________
_______________________________________________________________________________
_______________________________________________________________________________
_______________________________________________________________________________
_______________________________________________________________________________
_______________________________________________________________________________
_______________________________________________________________________________
_______________________________________________________________________________
_______________________________________________________________________________
_______________________________________________________________________________
_______________________________________________________________________________
_______________________________________________________________________________
_______________________________________________________________________________
_______________________________________________________________________________
_______________________________________________________________________________
_______________________________________________________________________________
_______________________________________________________________________________
_______________________________________________________________________________
_______________________________________________________________________________
_______________________________________________________________________________
_______________________________________________________________________________
_______________________________________________________________________________
_______________________________________________________________________________
_______________________________________________________________________________
_______________________________________________________________________________
_______________________________________________________________________________
_______________________________________________________________________________
_______________________________________________________________________________
_______________________________________________________________________________
_______________________________________________________________________________
_______________________________________________________________________________
_______________________________________________________________________________
_______________________________________________________________________________
_______________________________________________________________________________
_______________________________________________________________________________
_______________________________________________________________________________
_______________________________________________________________________________
_______________________________________________________________________________
_______________________________________________________________________________
_______________________________________________________________________________
Задание на самостоятельную работу:
1. Изучить материал занятия.






