Рис.69
УПТ
В цепях УПТ прямого усиления нельзя применять элементы, сопротивление которых зависит от частоты, т.е. конденсаторы и трансформаторы, поэтому для соединения усилителя с источником сигнала и с нагрузкой, а также для соединения каскадов между собой используют непосредственные (гальванические) связи. Такие связи вызывают затруднения при установке исходного режима, кроме того, более вероятно возникновение ложных сигналов.
Наиболее сложной задачей в УПТ является уменьшение нестабильности (дрейфа) выходного напряжения. В идеальном случае при отсутствии входного сигнала выходное напряжение должно быть неизменным и равным нулю. Однако, изменения напряжений питания, колебания температуры и связанные с ними изменения параметров элементов схем, старение элементов и другие дестабилизирующие факторы вызывают медленные изменения токов и напряжений в усилителе. Через цепи непосредственной связи эти изменения передаются на выход усилителя, где приводят к изменениям выходного напряжения. Эти изменения неотличимы от изменений, вызываемых воздействием полезного сигнала на входе усилителя. Изменения выходного напряжения, обусловленные внутренними процессами в усилителе и не связанные со входным напряжением, называют дрейфом усилителя. Абсолютный дрейф нуля усилителя
определяют как максимальное изменение выходного напряжения при короткозамкнутом входе за определённый промежуток времени. Приведенный ко входу дрейф УПТ вычисляют делением абсолютного дрейфа на коэффициент усиления:
|
|
|
.
Приведенный ко входу дрейф эквивалентен ложному сигналу на входе. Величина
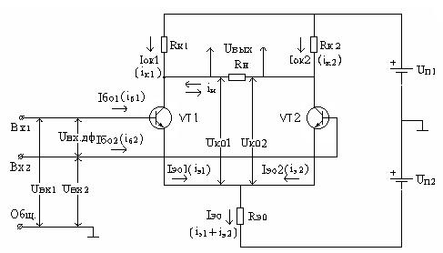
ограничивает минимально различимый полезный входной сигнал, т.е. определяет чувствительность усилителя. В УПТ прямого усиления в настоящее время получили подавляющее применение так называемые дифференциальные каскады, схемотехника которых обеспечивает наименьший дрейф выходного напряжения. Типичным представителем этого класса усилителей является параллельный балансный УПТ –двухтактный линейный усилитель с двумя идентичными плечами, работающими на общую нагрузку. Упрощенная схема такого усилителя приведена на рис.59.

Рис.59. Балансный УПТ
Особенности схемы:
· два источника питания, необходимые для симметричного усиления разнополярных входных сигналов,
· сопротивление нагрузки не имеет вывода, соединённого с общим проводом, выходное напряжение равно разности потенциалов коллекторов транзисторов,
· общий резистор ООС по эмиттерному току (Rэо),
· два входа относительно общего провода,
· дифференциальный вход – между 1 м и 2 м входами,
|
|
|
· симметричность схемы, обеспечивающая равенство между собой токов и напряжений начального режима (обычно достигается интегральным исполнением),
· плечи усилителя работают в классе А за счет соответствующего смещения баз
транзисторов в начальном режиме (цепи смещения на схеме не показаны).
Малый дрейф выходного напряжения объясняется несколькими причинами: симметричность схемы, в результате чего разность коллекторных напряжений (Uвых.др.) в начальном режиме весьма мала; ООС по эмиттерному току уменьшает изменения коллекторных напряжений в результате дрейфа и,следовательно, уменьшает сам дрейф.
В рабочем режиме входной сигнал (сигналы) может подаваться на любой вход, однако, балансный УПТ всегда усиливает дифференциальный сигнал, равный разности:
Uвх.дф.=Uвх1-Uвх2. В зависимости от полярности Uвх.дф изменяются токи и напряжения транзисторов, соответственно меняются величина и знак выходного напряжения, при этом глубина ООС по сигналу остаётся неизменной и не влияет на коэффициент усиления. Поясним это на примере: пусть полярность Uвх.дф такова, (Uвх1>Uвх2, в частном случае может быть Uвх2=0, т.е. Вх2 закорочен на общий провод), что увеличивается ток базы VT1(
) и уменьшается ток базы VT2 (
), соответственно получим

поскольку в силу симметричности схемы приращения начальных токов равны между собой и противоположны по знаку, то Iэо = Const, т.е.ООС по входному сигналу остаётся неизменной. В то же время Uвых=Uко1-Uко2 будет отрицательным, т.к. в этом случае по абсолютной величине Uко1< Uко2 (ток нагрузки будет протекать от коллектора VT2 к коллектору VT1). Заметим, что в данном случае положительному знаку сигнала на входе Вх1 соответствует противоположное по знаку Uвых, т.е. имеет место инверсия знака входного сигнала. Вход дифференциального усилителя, сигнал с которого воспроизводится на выходе с обратным знаком (или фазой, если сигнал переменный), называется инвертирующим. Легко проследить, что, если тот же сигнал подать на Вх2 (Uвх2> Uвх1, в частном случае может быть Uвх1=0, т.е. Вх1 закорочен на общий провод), то Uвых будет положительным, т.к. Uко2< Uко1(ток нагрузки будет протекать от коллектора VT1 к коллектору VT2), т.е. инверсии сигнала не произойдёт. Вход дифференциального усилителя, сигнал с которого воспроизводится на выходе с тем же знаком (или фазой, если сигнал переменный), называется неинвертирующим. Легко убедиться, что при изменении полярности Uвх.дф процессы в схеме будут зеркальными.
Возможен случай, когда на оба входа подаются одинаковые по величине и знаку (фазе) сигналы, например, в частном случае оба входа закорочены между собой и на объединенный таким образом вход подается входной сигнал. Сигнал, действующий одинаковым образом (по знаку и величине) одновременно на оба входа дифференциального усилителя, называется синфазным. Причиной появления синфазного сигнала могут быть внешние электромагнитные наводки (помехи), кроме того, синфазная составляющая может быть в составе входных сигналов, одновременно действующих на обеих входах усилителя. Например, если Uвх1=2В,Uвх2=1В,то очевидно, что синфазная составляющая будет равна Uвх.сф.=1В,при этом Uвх.дф также будет равно 1В. Опасность синфазного сигнала заключается в том, что при допустимой величине Uвх.дф, синфазная составляющая может превышать допустимую (обычно нормируемую) величину и вывести усилитель из строя. Рассмотрим влияние синфазного сигнала на дрейф балансного УПТ. По определению синфазный сигнал вызывает одинаковые приращения токов и напряжений в обеих транзисторах,например, увеличиваются базовые, коллекторные и эмиттерные токи, следовательно уменьшаются почти одинаковым образом коллекторные напряжения, однако, их разность при этом (Uвых.др.) изменяется незначительно, кроме того, теперь приращения эмиттерных токов транзисторов одинаковы по знаку и общий эмиттерный ток увеличивается, создавая более глубокую ООС, эффективно подавляющую возникающие изменения коллекторных напряжений. Таким образом, балансный УПТ не усиливает, а подавляет синфазный сигнал благодаря симметричности схемы и действию ООС. Влияние синфазного сигнала в технической документации на конкретные усилители оценивается коэффициентом передачи:
|
|
|
Ксф=Uвых.сф./Uвх.сф.,(обычно меньше1).
Чаще используется коэффициент ослабления синфазного сигнала, измеряемый в децибелах:
Кдб = 20lgКu/Ксф, где Ku-коэффициент усиления усилителя.
Следует отметить, что изменения условий внешней среды (например, колебания температуры) приводят к точно таким же процессам в схеме дифференциального усилителя, что и синфазный сигнал, поэтому иногда эти влияния называют синфазной помехой.
В реальных дифференциальных каскадах вместо резистора обратной связи Rэ используют токостабилизирующий двухполюсник, рассмотренный выше. Этим достигается компромисс между необходимостью иметь относительно небольшую ООС и высокий коэффициент усиления по рабочему сигналу (обеспечивается относительно небольшим статическим сопротивлением двухполюсника) и глубокую ООС по синфазной помехе (обеспечивается большим динамическим сопротивлением двухполюсника).
В завершение раздела о балансном УПТ следует отметить, что для расчёта параметров усилителя может быть использована методика, приведенная выше для RС-усили-
теля.Расчёт выполняется для одного плеча с учётом отсутствия разделительных конденсаторов.
Наряду с УПТ прямого усиления, получившим наибольшее распространение, в ряде случаев используют упомянутые выше усилители с преобразованием спектра входного сигнала, имеющие структуру: модулятор-демодулятор (МДМ). Их применение оправдано в случаях, когда входной сигнал является переменным с инфранизкой частотой –fвх. и даже малый дрейф выходного напряжения нежелателен. Для преобразования входного сигнала по частоте используют вспомогательное (опорное) напряжение более высокой частоты-fоп. В наиболее распространённом случае амплитуда опорного напряжения (Uоп) изменяется по закону изменения напряжения входного сигнала, так называемая амплитудная модуляция (АМ-модуляция). Эта функция выполняется модулятором (М). Высокочастотный АМ-сигнал усиливается до необходимой величины усилителем переменного напряжения, не имеющим как показано выше, дрейфа выходного сигнала из-за наличия разделительных конденсаторов. Далее усиленный АМ-сигнал подвергается демодуляции (ДМ), в результате которой на выходе усилителя воспроизводится огибающая АМ-сигнала, повторяющая форму входного сигнала с усилением по величине в Кус раз. Воспроизведение без искажения формы входного сигнала возможно при соблюдении условия fоп≥2 fвх (теорема Котельникова), практически выбирается fоп = (10-20) fвх,обычно в измерительной технике используются опорные частоты в диапазоне 50-1000 Гц.
|
|
|
Принцип спектрального преобразования поясняется рис.60,на котором представлен частный случай, когда входной сигнал имеет синусоидальную форму. В результате модуляции АМ-сигнал содержит три частоты: опорную и две боковые,отличающиеся от опорной на величину частоты сигнала. Таким образом, в данном случае усилитель переменного напряжения должен иметь полосу пропускания достаточную для неискаженного усиления АМ-сигнала с частотами от fоп-fсигн. до fоп+ fсигн.

Рис.60
Спектральные диаграммы
входных сигналов и АМ-
сигнала усилителя МДМ.
Упрощенная структурная схема усилителя типа МДМ представлена на рис.61

Рис.61
Усилитель с преобразованием спектра входного сигнала
Применявшиеся ранее модуляторы на электромеханических вибропреобразователях и позднее на транзисторах в настоящее время практически вытеснены интегральными элементами на базе операционных усилителей (525 ПС1,ПС3;К140МА1 и др.),интегральный операционный усилитель типа К140УД13 совмещает в себе функции модулятора и демодулятора, т.е.реализует полностью схему МДМ.
Известным недостатком усилителей МДМ является сравнительно узкая полоса пропускания по частоте входного сигнала. Лишены этого недостатка так называемые двухканальные усилители с более сложной структурной схемой, сочетающей достоинства усилителей МДМ, переменного сигнала и прямого усиления (Рис.62).

Рис.62
Двухканальный усилитель
Из схемы видно, что разделение каналов по частоте позволяет усилить напряжение сигнала в каждом из них без погрешности, вносимой дрейфом, далее высоко и низко частотные составляющие поступают на вход усилителя прямого усиления с широкой полосой пропускания. Этот усилитель имеет дрейф выходного напряжения, однако, поскольку на его входе действует большой по напряжению сигнал, то коэффициент усиления может быть небольшим (близким к единице) и напряжение дрейфа оказывается пренебрежимо малым по сравнению с полезным выходным сигналом. В структуре двухканального усилителя присутствуют местные и общие отрицательные обратные связи, корректирующие его параметры.
Тема8.Операционные усилители и преобразователи на их базе (6часов)
Операционные усилители (ОУ) – исторически сложившееся название, связанное с использованием этих усилителей для моделирования операций. Они относятся к классу усилителей постоянного тока (УПТ) прямого усиления. Характерными особенностями ОУ являются: большой коэффициент усиления, большое входное и малое выходное сопротивления, широкая полоса пропускания, дифференциальный вход. Перечисленные свойства, а также интегральная технология изготовления сделали ОУ одним из основных компонентов современных аналоговых электронных схем. ОУ также нашли широкое применение и в импульсной технике в качестве компараторов, релаксационных генераторов. Основой ОУ является дифференциальный каскад типа балансного УПТ, рассмотренный выше.
Условное графическое обозначение ОУ и его основные выводы показаны на рис. 63, ОУ по отношению к нулевому уровню имеет два входа и один выход.
Вход I, обозначенный знаком "-", называют инвертиртирующим. Выходное напряжение ОУ по знаку или фазе противоположно напряжению на этом входе.
Вход 2, обозначенный знаком "+", называют неинвертирующим - выходное напряжение и входное напряжение на этом входе имеют одинаковые знак или фазу. Между входами 1 и 2 образуется дифференциальный вход усилителя.

Рис.63
Условное графическое изображение ОУ
Входы и выход ОУ обычно выполняют на нулевом уровне, т.е. в исходном состоянии, при отсутствии входного сигнала, напряжения на входах и на выходе равны нулю. При подаче входного сигнала напряжение на выходе может как увеличиваться, так и уменьшаться. Для этого для питания ОУ используют, как правило, два разнополярных источника питания +UП и -UП причём |+UП| =|-UП|. Входное напряжение подают на один из входов, а на второй вход подают постоянный, например, нулевой потенциал или на оба входа подают два разных напряжения от двух раздельных источников (рис.64 а,б). В обоих случаях на дифференциальном входе ОУ действует дифференциальный входной сигнал UВХ=UВХ2 - UВХ1. Этот сигнал может быть получен и от одного источника с незаземлённым выходом (рис. 64в).

Рис. 64. Схемы подачи входного сигнала на входы ОУ
Если входные напряжения UВХ1 и UВХ2 одинаковы и у них совпадают амплитуды и фазы, то их называют синфазными входными напряжениями или синфазным сигналом UВХ.СХ.. При подаче синфазного сигнала входы I и 2 фактически являются объединёнными, и на них подаётся напряжение UВХ.СФ от общего источника (рис.65). Синфазные сигналы являются вредными и возникают в результате внешних наводок на цепи ОУ, а также при колебаниях напряжений питания, окружающей температуры и т.д., поэтому синфазные сигналы иногда называют синфазными помехами.

Рис. 65. Схема подачи синфазного сигнала
Общая структурная схема ОУ показана на рис.66. Для ОУ являются обязательными два, а иногда три, каскада усиления, которые обеспечивают большой коэффициент усиления, каскад смещения или сдвига уровня, который обеспечивает на выходе нулевой потенциал при отсутствии входного сигнала, и выходной каскад, обеспечивающий малое выходное сопротивление ОУ. Кроме этих, общих для всех ОУ, функциональных узлов в конкретных типах ОУ дополнительно применяют входные и междукаскадные эмиттерные повторители, цепи защиты входа ОУ от перенапряжений и выхода ОУ от короткого замыкания, а также цепи внутренней коррекции частотной характеристики ОУ.

Рис. 66.Структурная схема операционного усилителя
В первом каскаде усиления применяют балансный УПТ с симметричным дифференциальным входом. Для увеличения входного сопротивления ОУ в первом каскаде используются составные транзисторы и режимы малых коллекторных и базовых токов. В некоторых ОУ для увеличения входного сопротивления применяют дополнительные входные каскады - эмиттерные повторители на биполярных транзисторах и истоковые повторители на полевых униполярных транзисторах. В качестве второго каскада усиления используют или балансный УПТ с несимметричным выходом или реостатный усилитель. Простейшим выходным каскадом ОУ является эмиттерный повторитель, работающий в линейном режиме.
При использовании в электронных устройствах ОУ почти всегда охвачен обратной связью. Именно в совокупности с цепями обратных связей ОУ образует определённый функциональный узел и выполняет заданные операции, поэтому необходимо различать параметры собственно ОУ, как отдельного элемента, и параметры узлов, выполненных на базе ОУ. На высоких частотах образуется фазовый сдвиг между выходным и входным напряжениями, дополнительный к заданному изменению фазы на 180°. Суммарный сдвиг фаз может достигнуть в усилителе с обратной связью 360°, обратная связь станет положительной, и при достаточно большом коэффициенте усиления ОУ может самовозбудиться. В связи с этим в ОУ предусматривают цепи коррекции частотной характеристики. Эти цепи создают ООС, которая уменьшает коэффициент усиления на высоких частотах. В большинстве ОУ предусмотрена внешняя коррекция при помощи внешних навесных элементов - резисторов и конденсаторов. В некоторых ОУ коррекция выполнена внутри интегральной микросхемы. Во всех случаях при расширении полосы пропускания ОУ уменьшают его коэффициент усиления и, наоборот, при необходимости увеличить усиление сужают полосу.
Система параметров, характеризующих операционный усилитель, помимо приведенных выше общих для усилителей любого типа включает в себя ряд специфических
показателей, к ним относятся:
· Uсм-напряжение смещения (1-10мВ) – приведенное ко входу напряжение, необходимое для смещения амплитудной характеристики в начало координат, т.е.приведения к нулю выходного напряжения ОУ при отсутствии входных сигналов в нормальных климатических условиях, напряжение смещения подаётся на один из входов ОУ или на специальный вход при настройке схемы,
· m= Δ Uсм/0С – температурный коэффициент напряжения смещения (10-50 мкВ/0С),
· Iвх = (Iвх1+Iвх2)/2 – входной ток ОУ, определяемый как полусумма входных токов каждого входа (10-200 нА),
· Δ Iвх= (Iвх1-Iвх2) –ток сдвига (1-100нА),
· n= Δ Δ Iвх/0С – температурный коэффициент тока сдвига (0,1-10 нА/0С),
· Ксф =Uвых.сф./Uвх.сф. –коэффициент передачи синфазного сигнала (1-10),
· Ксф.ос.=20lgК/Ксф (50-80 дб) –коэффициент ослабления синфазного сигнала, здесь К – собственный коэффициент усиления ОУ,
· V(10-50 В/мкс) – скорость нарастания напряжения на выходе ОУ при подаче на его вход прямоугольного импульса напряжения,
· ƒгр.-граничная частота полосы пропускания при которой Коу падает до 0,7 своего значения при нулевой частоте входного сигнала (10 –50 КГц)
· F1 – частота единичного усиления (1-10 МГц) при которой Коу уменьшается до1.
Параметры ƒгр., F1 позволяют определить реальную величину Коу на заданной частоте входного сигнала.
Примечание: в скобках указан примерный диапазон параметров, характерный для современных ОУ различных типов. Кроме того. нормируются также предельно допустимые величины напряжений питания ОУ, входных дифференциального и синфазного напряжений.
В настоящее время используют несколько десятков различных функциональных узлов, выполненных на базе ОУ.
На рис. 67 показан инвертирующий усилитель. В исходном состоянии напряжение на входе и выходе усилителя равны нулю. Внешние резисторы R1, R2 образуют цепь ООС, резистор R3 используют для компенсации влияния входных токов ОУ, являющихся одной из причин дрейфа выходного напряжения (механизм этого влияния будет рассмотрен ниже).
Рис. 67. Инвертирующий усилитель.
При анализе схем с ОУ используется понятие «идеальный ОУ», у которого К=¥, RВХ=¥, RВЫХ=0. Эти приближения позволяют сформулировать два правила для идеального ОУ: Uвх.дф.= Uвых/ ¥ = 0 (т.наз. эквипотенциальный нуль, когда потенциалы инвертирующего и неинвертирующего входов одинаковы, но сопротивление между ними очень велико) и Iвх = Uвх.дф/ RВХ = Uвх.дф/ ¥ =0 (ОУ по входам тока не потребляет).Эти правила существенно облегчают расчеты при приемлемом уровне погрешности, которая тем меньше, чем ближе параметры реального ОУ к идеальным, что имеет место у современных интегральных ОУ. Пользуясь указанными приближениями и основными выводами теории обратной связи, можно записать вместо очевидного соотношения i1 = iос + iвх уравнение i1≈ iос , т.к. RВХ=¥ и iвх = 0, тогда получим напряжение обратной связи и коэффициент обратной связи в виде:
; 
Далее можно условно считать, что Rвх.ос. = Uвх/ i1 = R1, (т.к. Uвх.дф.=0), т.е. входное сопротивление схемы относительно невелико, что является особенностью инвертирующего ОУ. Внешний коэффициент усиления Квнеш. (применяется также обозначение Кос) найдем из следующих очевидных для идеального ОУ соотношений:
i1 = Uвх/R1; iос= Uвых./R2; i1 = iос= Uвх/R1= Uвых./R2 и Квнеш.= Uвых./ Uвх = - R2/ R1
(знак «-» отражает инвертирующие свойства данной схемы, в расчётах обычно не используется). Выходное сопротивление схемы приблизительно равно Rвых.ос.=Rвых.ОУ/2. Указанным способом можно получить вполне приемлемые для инженерных расчётов основные параметры схемы усилителя, имея ввиду, что допущенные погрешности будут скомпенсированы на этапе наладки при практической реализации схемы.
Если R1=R2, то Kос=-1, т.е. этот усилитель будет выполнять роль инвертора - устройства, изменяющего только знак вxoдного сигнала без изменения его величины.
На рис.68 показан неинвертирующий усилитель. Здесь входной сигнал подают на неинвертирующий вход ОУ, сигнал на выходе имеет тот же знак. Так как в ОУ с ООС потенциалы входов VА=VБ, то на входе «б» при действии входного сигнала: UБ=UВХ .. Следовательно можно считать, что
,
откуда
.
Входное сопротивление:
RВХ.ос» RВХ.ОУ т.е. оно гораздо больше, чем у инвертирующего усилителя. Выходное сопротивление R ВЫХ.ос» R ВЫХ./2.

Рис.68 Неинвертирующий усилитель.
На рис.69 показан повторитель сигнала - функциональный узел, в котором входной и выходной сигналы одинаковы по знаку и по величине. Коэффициент усиления повторителя Кос=1. 0н получается из формулы для предыдущей схемы, если учесть, что R2=0, R1=¥. Входное сопротивление RВХ.ПОВТ. » RВХ.ОУ×К, т.е. очень большое. Выходное сопротивление RВЫХ.ПОВТ » RВЫХ.ОУ/К» 0. Такие параметры делают повторитель удобным каскадом согласования высокоомного источника сигнала и низкоомной нагрузки.

На рис.70 показан двухвходовой инвертирующий сумматор. Здесь резисторы R1.1, R1.2 служат совместно с R2 для образования ООС. Кроме того, резисторы R1 служат для взаимной развязки друг от друга источников сигналов. При R1=R2, КОС=-1 и UВЫХ=-(UВХ1+UВХ2). Для каждого источника входное сопротивление сумматора RВХ.СУМ » R1; выходное сопротивление RВЫХ.СУМ ≈ RВЫХ /2.

Рис.70 Инвертирующий сумматор
На рис.71 показан интегратор. В цепъ ООС вместо R2 включён конденсатор С. Так как для «идеального ОУ» i1= i2, i1= -UВХ /R1,
, то
. Входное сопротивление при этом RВХ = R1, а выходное сопротивление RВЫХ.ИНТ. » RВЫХ.ОУ.
