Рис. 17. Схематическое изображение
Рис. 11
Оглавление
Конспект лекций
ТЕХНОЛОГИЙ
КАФЕДРА ИНФОРМАЦИОННЫХ СИСТЕМ И ИЗМЕРИТЕЛЬНЫХ
ФАКУЛЬТЕТ ИНФОРМАТИКИ И РАДИОЭЛЕКТРОНИКИ
ИНСТИТУТ ОТКРЫТОГО ДИСТАНЦИОННОГО ОБРАЗОВАНИЯ
МОСКОВСКИЙ ГОСУДАРСТВЕННЫЙ ОТКРЫТЫЙ УНИВЕРСИТЕТ
«Электроника и МП – техника»
для студентов специальностей 200106

Профессор Калашников В.И.
Москва
Введение _________________________________________________________4
Тема 1.Пассивные элементы электронных устройств_____________________5
Тема2.Активные элементы электронных устройств______________________11
Тема3.Интегральное исполнение элементов электронных устройств________24
Тема 4.Общие сведения об усилителях электрических сигналов____________25
Тема 5.Методика расчёта транзисторного усилителя с ОЭ________________32
Тема 6.Разновидности транзисторных усилителей переменного сигнала____34
Тема7.Общие сведения об усилителях постоянного тока__________________39
Тема8.Операционные усилители и преобразователи на их базе____________43
Тема9. Погрешности усилителей, влияние помех________________________52
|
|
|
Тема10. Вторичные источники питания________________________________55
Тема11.Техническая реализация импульсных элементов ИИТ_____________61
Тема12. Формирователи и генераторы импульсных сигналов______________73
Типовые вопросы для самоподготовки_________________________________83
Список рекомендуемой литературы___________________________________85
Введение(0,25 часа)
Курс лекций ориентирован на использование в учебном процессе специальностей информационного профиля, может использоваться также для дистанционного обучения. В связи с этим основное внимание уделено функциональным узлам и компонентам, применяемым в информационно-измерительной технике. Поскольку в современной информационно-измерительной технике широко используются электронные средства преобразования и представления информации, то указанную дисциплину можно рассматривать как одну из основополагающих в комплексе дисциплин образовательного стандарта специальности 190900.
В развитии электронной техники прослеживается главное и стабильное направление – непрерывное совершенствование элементной и схемотехнической баз. История создания электронных устройств базируется на результатах исследования физических явлений взаимодействия носителей заряда с электромагнитными полями и веществом. В этом смысле к началу возникновения электроники могут быть отнесены работы по исследованию электричества в конце ХVIII века таких учёных как М.В. Ломоносов, Г.В. Рихман, Б.Франклин. Открытие в X1X веке законов электричества и электромагнитной индукции (А.Ампер, М.Фарадей),теории электромагнетизма (М.Максвел), теории движения электронов (Х.Лоренц), фотоэлектронной эмиссии (А.Г.Столетов), создание первого электровакуумного прибора (А.И.Лодыгин) легли в основу электроники. В началеXX века были изобретены электровакуумные диод и триод (Д.Томсон, К.Браун, А.С.Попов, М.А.Бонч-Бруевич) положившие начало развитию электронных схем на лампах.
|
|
|
Исследования электропроводности в полупроводниках положили начало качественно новому направлению в развитии элементной базы электроники – полупроводниковым приборам. Большой вклад в развитие элементной базы электроники внесли работы учёных школы академика А.Д.Иоффе в 30 х -40 х годах XX века. Важнейшими из них являются: теория выпрямления в контакте металл-полупроводник (Б.И.Давыдов), квантовая теория полупроводников, теория генерации и рекомбинации носителей заряда в полупроводниках, теория фотоэдс (Я.И.Френкель,Л.Д.Ландау и др.).
Практическое использование явлений в полупроводниках началось в 40 х -60 х годах прошлого века после изобретения биполярного транзистора. Впервые плоскостной полупроводниковый триод, как его тогда называли,был получен американскими учёными в 1948 г. (У.Шокли, Д.Бардин и др.). В 50 е годы были изобретены: полевой транзистор с p-n –переходом, фотопреобразователи, туннельный диод, тиристор. В 1960 г. был создан полевой транзистор с изолированным затвором (Д.Кинг), послуживший основой для создания современных малоэнергоёмких серий интегральных схем. Во второй половине ХХ века получила развитие теория и практика полупроводниковых лазерных излучателей (Нобелевский лауреат Ж.Алфёров), возможности использования которых далеко не исчерпаны.
Появление миниатюрных полупроводниковых приборов создало предпосылки для качественно нового направления в электронике-интегральной микросхемотехники, которое интенсивно развивается,начиная с 60 х годов прошлого века по настоящее время.За счёт новых конструктивных, схемотехнических и, главным образом, технологических методов удалось резко уменьшить габаритные размеры, массу, потребление энергии и значительно повысить надёжность электронной аппаратуры. Переход к интегральным схемам коренным образом изменил способы построения электронных устройств, поскольку изделия микросхемотехники представляют собой законченные функциональные узлы, будь то простейшие логические элементы или процессоры современных ЭВМ, состоящие из многих миллионов компонентов.
Наибольшее распространение в современной электронике получили интегральные микросхемы на биполярных транзисторах – несколько модификаций серии ТТЛ (транзисторно-транзисторной логики); сверхбыстродействующие микросхемы серий ЭСЛ (эмиттерно-связанная логика) на биполярных транзисторных переключателях тока; малоэнергоёмкие микросхемы серий КМОП на полевых транзисторах с каналами разного типа проводимости (комплементарные структуры). В состав современных серий ИС входят десятки типов – от простейших логических элементов до функционально законченных узлов: счётчиков, регистров, запоминающих устройств и т.п.
Наряду с цифровой микроэлектроникой успешно развивается микроминиатюризация аналоговых электронных схем, имеющих не меньшее значение для измерительной техники. В частности, выпускаемые в настоящее время десятки типов операционных усилителей и преобразователей различного назначения являются основой электронной элементной базы измерительных усилителей и функциональных преобразователей современных технических средств информационно-измерительных систем и приборов.
Эффективное применение интегральной электроники невозможно без знания принципов действия составляющих их компонентов, этим вопросам в данном курсе уделяется основное внимание. В целом можно утверждать, что развитие схемотехники и технологии электронных средств привело к качественному изменению выпускаемых промышленностью средств измерений.
|
|
|
Таким образом, в общем смысле цель изучения настоящей дисциплины сводится к формированию и развитию знаний студентов, изучающих информационно-измерительную технику и технологии, в области основ электроники, схемотехники функциональных узлов различного назначения, методов их расчёта и эффективного применения.
Тема 1.Пассивные элементы электронных устройств (2 часа)
Электронная аппаратура - это совокупность радиокомпонентов, несущих конструкций и монтажных соединений, объединенных в общую конструкцию или комплекс. Компоненты по своему назначению подразделяют на пассивныеиактивные. К пассивнымкомпонентам относятся резисторы, конденсаторы, катушки индуктивности, дроссели, трансформаторы, переключатели, реле и др. К активнымкомпонентам относятся приборы на базе p-n переходов, МОП-структур, вторичные источники питания.
Резисторы - это наиболее распространенные компоненты электронной аппаратуры, с помощью которых осуществляется регулирование и распределение электрической энергии между цепями и элементами схем. В цепях переменного тока резисторы не вносят сдвига фаз между током и напряжением и в связи с этим их сопротивление часто называют «активным». По назначению резисторы делят на резисторы общего назначения, прецизионные, высокочастотные, высокомегомные, высоковольтные, специального назначения. По эксплуатационным характеристикам резисторы могут быть термостойкими, влагостойкими, вибро- и ударопрочными, высоконадежными. По виду токопроводящего элемента резисторы подразделяют на проволочные и непроволочные. В проволочных резисторах токопроводящим элементом является намотанная на каркас проволока, изготовленная из материалов с высоким удельным электрическим сопротивлением. В непроволочных резисторах токопроводящим элементом является углерод, металлы, их сплавы или окислы, либо композиции проводников и диэлектриков, выполненные в виде тонкой пленки или объема. По характеру изменения сопротивления резисторы подразделяют на постоянные, переменные и подстроечные.
|
|
|
К основным параметрам резисторов относятся:
1. Номинальное сопротивление и его допустимое отклонение. Под номинальным сопротивлением понимают значение сопротивления, на которое рассчитан резистор и которое указывается на резисторе или в сопроводительной документации. Выпускаются резисторы по стандартным шкалам номинальных значений с регламентированными классами точности. Класс точности резисторов определяется относительным отклонением от номинала в процентах. Основная единица измерения сопротивления резисторов – Ом и кратные ей в сторону увеличения: килоом - КОм (множитель 103 или буква Е),мегаом (106 или М),гигаом (109 или Г), тераом (1012 или Т). Номиналы резисторов определяются стандартными рядами базовых чисел, например, ряд Е3 содержит три базовых числа 1; 2,2; 4,7,это значит, что сопротивления резисторов этого ряда будут иметь значения равные числу ряда умноженному на 10n,где n – целое число в диапазоне от –2 до +9.Всего таких рядов –7: Е3,6,12,24,48,96,192, резисторы класса точности ≥± 5% выпускаются в соответствии с рядами Е3 – Е24, более высокого класса точности соответствуют рядам Е48 – Е192. Классы точности резисторов также стандартизованы и находятся в пределах от.±0,001% до.±30%,наиболее употребительны классы ±5 – 10%.
2. Номинальная мощность рассеивания. Под номинальной мощностью рассеивания понимают максимально допустимую мощность, которую резистор может рассеивать при длительной электрической нагрузке в нормальных условиях без изменения электрических параметров выше норм, указанных в технических условиях на него. Промышленность выпускает резисторы с номинальными мощностями рассеивания от 0,001 до 500 Вт.значения мощностей стандартизированы, наиболее часто используются в электронных схемах резисторы мощностью 0,125 –0,25 –0,5 –1 –2 Вт.
3. Предельное рабочее напряжение. Под предельным рабочим напряжением понимают максимально допустимое напряжение, приложенное к выводам резистора, которое не вызывает превышения норм технических условий на электрические параметры.
4. Температурный коэффициент сопротивления (ТКС). Этот параметр характеризует относительное изменение сопротивления резистора при изменении температуры окружающей среды на 1°С и выражается в 1/°С.
ТКС= ΔR/R0Δt, [1/0С]
где ΔR - абсолютное изменение сопротивления резистора (Ом) под влиянием температуры, R0 - сопротивление резистора (Ом) при нормальной температуре t0.
5. Уровень собственных шумов. Шум представляет собой переменную составляющую, накладываемую на постоянный уровень напряжения резистора, что создает помехи для прохождения сигнала и ограничивает чувствительность приемных трактов электронной аппаратуры. Собственные шумы резисторов имеют двоякую природу: это так называемые «тепловые» и «токовые» шумы. В переменных резисторах наблюдаются шумы, вызванные изменением сопротивления контактной пары за счет меняющегося во времени давления между контактами.
Отечественная промышленность выпускает следующие резисторы:
общего назначения (МЛТ, ОМЛТ, С2-6, С2-8, С2-11, С2-22 и др.),
прецизионные (ОМЛТ, МГП, С2-1, С2-13, С2-14, С2-31 и др.),
высокомегомные (КВМ, КЛМ, С3-10, С3-14 и др.),
высоковольтные (КЭВ, С3-9, С3-14 и др.),
высокочастотные (С2-10, С2-34, С3-8 и др.).
Номенклатура подстроечных и регулировочных резисторов также достаточно велика (СП5-1, СП5-6, РП-25, РП-80, СП5-21 и др.). Тип материала резистора указывается в его обозначении, а именно: С1 - углеродистый, С2 - металлопленочный, С3 - пленочный композиционный, С4 - объемный композиционный, С5 - проволочный. Для переменных резисторов этих же видов вместо буквы С пишут буквы СП. Для ранее выпущенных типов резисторов остались старые обозначения: например МЛТ - металлопленочные лакированные теплостойкие, КИМ - композиционные изолированные малогабаритные и т.п.
Проволочные резисторы обладают повышенной температурной стабильностью и термостойкостью. Основными недостатками проволочных резисторов являются ограниченный диапазон сопротивления (до сотен кОм) и высокая стоимость.
Переменные резисторы общего назначения в большинстве случаев относятся к композиционным непроволочным резисторам.
Прецизионные резисторы применяют в точной измерительной аппаратуре и ответственных цепях аппаратуры специального назначения. Часто их используют как элементы магазинов сопротивлений, в цепях делителей и шунтов повышенной точности. К группе высокочастотных относятся резисторы, выполняющие свои функции без существенного изменения сопротивления на частотах более 10 МГц. Условные графические обозначения резисторов на принципиальных электрических схемах (УГО) приведены на рис. 1

Рис.1
УГО резисторов
а) резистор постоянный 0,125 Вт б) резистор переменный
Пример обозначения резистора в конструкторской документации: С2-11-0,25-100 к ±5%
(резистор постоянный-металлоплёночный - 11 ой серии - 0,25Вт - 100 К - класс точности 5%).
Резисторы специального назначения относятся к компонентам, принцип работы которых основан на изменении сопротивления в зависимости от приложенного напряжения (варисторы), освещенности (фоторезисторы), температуры (термисторы) и др., их обычно применяют в качестве измерителей, стабилизаторов, датчиков и преобразователей различного рода сигналов в электрические сигналы. На рис.2 показана вольт-амперная характеристика варистора, с увеличением приложенного к варистору напряжения его сопротивление уменьшается за счёт увеличения электропроводности оксидных пленок между зёрнами материала варистора (SiC) На рис.3 показано УГО варистора.
![]() |
Рис.3
Рис.2 Рис.3
Вольт-амперная характеристика варистора УГО варистора
Пример обозначения варистора: СН-2-2.
На рис.4 показана вольт-амперная характеристика фоторезистора при различных
величинах облучающего светового потока, с увеличением светового потока проводимость
полупроводникового материала фоторезистора (CdS) в связи с генерацией дополнительных носителей заряда возрастает, что приводит к увеличению фототока, на рис.5 приведено УГО фоторезистора.
Рис.4 Рис.5 
Вольт-амперная характеристика УГО фоторезистора
фоторезистора
Основным параметром фоторезистора является чувствительность к световому потоку, выражаемая как S= Iф/Ф (А/люмен), пример обозначения в конструкторской документации – ФСК – Г1.
Терморезисторы применяются в основном в качестве датчиков температуры, наибольшее распространение получили полупроводниковые терморезисторы (термисторы) на основе германия или его сплавов с редкоземельными элементами. Достоинства этих резисторов: малые габариты и инерционность, высокое начальное сопротивление, большой ТКС. Недостаток – нелинейность характеристики: Rt = АеВ/t, где t-температура, А,В – параметры материала, на рис.6 приведена термо-характеристика термистора с отрицательным значением ТКС, наиболее часто встречающегося на практике, существуют термисторы с положительным ТКС (позисторы).Примерный диапазон значений ТКС: 0,02-0,08 1/0С, пример обозначения термистора: СТ 3 – 14 – бусинковый.
![]() |
Рис.6 Рис.7
Термо–характеристика термистора УГО термистора
На принципиальных электрических схемах УГО резисторов сопровождается буквой R с порядковым номером элемента.
Конденсаторы по применению в электронной аппаратуре занимают второе место после резисторов. Принцип работы конденсаторов основан на их способности накапливать электрический заряд на обкладках при приложении к ним разности потенциалов. По материалу диэлектрика различают три основные группы конденсаторов: с газообразным, жидким и твердым диэлектриком. К первой группе относятся переменные и полупеременные воздушные конденсаторы и постоянные газонаполненные. Ко второй группе относят маслонаполненные конденсаторы и конденсаторы с синтетической жидкостью, которые имеют ограниченное применение в электронной аппаратуре. К третьей группе относят:
· конденсаторы с неорганическим диэлектриком
- керамические,
- слюдяные,
- стеклоэмалевые,
- стеклокерамические,
- стеклянные,
· конденсаторы с органическим диэлектриком
- бумажные,
- металлобумажные,
- лакопленочные,
· конденсаторы с оксидным диэлектриком
- электролитические алюминиевые,
- танталовые,
- оксидно-полупроводниковые.
Наиболее распространенными являются конденсаторы третьей группы.
К основным параметрам конденсаторов относятся номинальное значение емкости конденсатора и допустимое отклонение действительной емкости от номинального значения (класс точности). Конденсаторы выпускают по I, II и III классам точности, что соответствует допускам ± 5%, ± 10% и ± 20%.
Влияние температуры на емкость конденсаторов характеризуется температурным коэффициентом емкости ТКЕ (1/°С).
ТКЕ = ΔС/С0 Dt,[1/0С]
где С0 – емкость конденсатора при нормальной температуре, ΔС - изменение емкости под влиянием температуры.
Основная единица измерения ёмкости конденсаторов – фарада, применяются на практике кратные ей в сторону уменьшения единицы: микрофарада - мФ (10-6),нанофарада-нФ (10-9), пикофарада – пФ (10-12).Номинальные значения емкостей назначаются аналогично резисторам в соответствии с рядами Е3,Е6 и тд.
Промышленность выпускает следующие типы конденсаторов.
Высокочастотные конденсаторы
- керамические,
- слюдяные,
- стеклоэмалевые,
- стеклокерамические,
- стеклянные.
Они имеют малую паразитную индуктивность и незначительные потери в диэлектрике, обладают высокой стабильностью (10-5 1/°С), высокой точностью (до ±2%), малыми габаритами и массой, а также термостойкостью.
Низкочастотные конденсаторы постоянной емкости. В цепях постоянного, переменного и пульсирующего токов низкой частоты применяют конденсаторы большой номинальной емкости в качестве разделительных, блокировочных и фильтровых. К таким типам конденсаторов относятся
- бумажные,
- металлобумажные,
- электролитические,
- оксидно-полупроводниковые,
- пленочные конденсаторы.
Конденсаторы переменной емкости. Они предназначены для перестройки рабочей частоты электронной аппаратуры в процессе ее эксплуатации. В таких конденсаторах, изменяя угол поворота роторных пластин относительно статорных, можно изменять емкость между ними.
Конденсаторы специального назначения. К ним относятся вариконды и варикапы. Вариконды представляют собой сегнетокерамические конденсаторы, имеющие резко нелинейную зависимость величины ёмкости от приложенного напряжения. Вариконды используют для управления параметрами цепей (умножители частоты и т.д.). В варикапах используют свойство р-п- перехода изменять свою толщину при переменном модулирующем и постоянном запирающем напряжениях. Варикапы применяют для частотной модуляции в диапазоне УКВ, а также для автоматической подстройки резонансной частоты колебательных контуров. На рис.8 показаны условные графические изображения конден- саторов различного назначения,применяемые в конструкторской документации.







Пример записи конденсаторов в конструкторской документации:
К10 –17 –400В –0,1мФ ±10%, где:
К – постоянный,10-керамический, серия параметров,
400В –допустимое напряжение,
0,1 мФ - значение емкости, ±10%, - класс точности.
На схемах УГО конденсаторов снабжается буквой С с порядковым номером элемента.
Катушками индуктивности называют элементы аппаратуры, предназначенные для запасания энергии электромагнитного поля. Катушки индуктивности делятся:
по назначению - на катушки колебательных контуров, гетеродинов, преобразователей частоты и др.;
по уровню стабильности - на катушки индуктивности с высокой стабильностью (для фильтров электрических сигналов, катушек связи и т.д.), а также с низкой стабильностью (катушки для оказания большого сопротивления переменному току);
по частотному диапазону – на катушки индуктивности для ультракоротких, коротких, средних и длинных волн;
по возможности регулировки – на катушки с постоянной и переменной индуктивностью (вариометры).
К основным параметрам катушек индуктивности относятся:
- номинальная индуктивность катушки (L) – коэффициент пропорциональности между скоростью изменения тока в катушке и э.д.с. самоиндукции. Основная единица измерения индуктивности – Генри, кратные ей в сторону уменьшения: милли и микро генри;
- добротность - характеризует относительный уровень активных потерь в обмотке катушки и сердечнике;
- собственная емкость – является паразитным параметром катушки. Она проявляется в области высоких частот и зависит от вида намотки и числа витков.
Промышленность выпускает несколько типов катушек индуктивности. Катушки индуктивности без сердечников, которые делятся на катушки УКВ и КВ диапазона. Они обладают небольшой индуктивностью (до 200 мкГн), большой добротностью (до 100), высокой стабильностью (ТКL ≈ 150 x 10-6 1/град).
Катушки индуктивности СВ и ДВ диапазона обладают большей индуктивностью (более 500 мкГн), меньшей добротностью, повышенным значением собственной емкости (до 70 пФ), ТКL > 10-6 1/град. Большая индуктивность катушки обеспечивается изготовлением многослойной обмотки.
Применение сердечников из ферромагнитных материалов приводит к увеличению индуктивности катушек, уменьшению их габаритов, увеличению добротности и возможности их подстройки.
Трансформаторы и дроссели представляют собой катушки индуктивности, в конструкциях которых предусмотрены замкнутые магнитные цепи (магнитопроводы). Как по конструкции, так и по ряду электрических параметров дроссели имеют много общего с трансформаторами.
Трансформатор – это электромагнитное устройство, имеющее две или более индуктивно связанные обмотки, которое предназначено для преобразования посредством электромагнитной индукции одной или нескольких систем переменного тока в одну или несколько других систем переменного тока. При классификации трансформаторов их разделяют на группы, обладающие общими свойствами и выполняющие близкие функции.
Трансформаторы питания - предназначены для преобразования переменного напряжения первичного источника в любые другие значения напряжения, необходимые для нормального функционирования аппаратуры
Трансформаторы согласования - предназначены для передачи переменных электрических сигналов, несущих полезную информацию, для изменения уровня напряжений (токов) при сохранении мощности и минимальном искажении сигнала. Вместе с активными элементами, например транзисторами, эти трансформаторы входят в состав усилителей мощности, используемых для передачи речи и музыки, спектр частот которых находится в пределах от (30-50) Гц до (3-20) кГц. Основное требование, предъявляемое к ним, – обеспечение минимальных или допустимых искажений передаваемого сигнала.
Импульсные трансформаторы. Их основное назначение состоит в том, чтобы под влиянием токов (напряжений), действующих в первичной обмотке, вырабатывать на выходе короткие импульсы заданной формы или трансформировать импульсы с необходимым изменением напряжения и тока.
Принцип действия трансформаторов основан на явлении взаимной индукции: переменное магнитное поле тока в первичной обмотке вызывает появление ЭДС индукции во вторичной обмотке. Отношение абсолютных значений напряжений U2 и U1 на концах вторичной и первичной обмоток при холостом ходе называют коэффициентом трансформации:
,
где w1 и w2 – число витков в первичной и вторичной обмотках трансформатора.
К основным параметрам трансформаторов независимо от их назначения относятся: индуктивность первичной обмотки L1, индуктивность рассеивания LS, собственная емкость обмоток трансформатора С0, активное сопротивление обмоток R, коэффициент полезного действия КПД и коэффициент трансформации N. Коэффициент трансформации может быть равным, больше или меньше единицы, а для многообмоточного трансформатора он может иметь несколько значений. Для высококачественной работы трансформатора желательно иметь малые L1, C0, R, LS.
Одной из разновидностей катушек индуктивности являются дроссели. Различают дроссели высокой частоты и низкой.
Дроссели высокой частоты - это катушки индуктивности, предназначенные для увеличения сопротивления цепи. Дроссели этого типа обладают значительной индуктивностью (от сотен микрогенри до единиц миллигенри) и малой емкостью. Промышленность выпускает дроссели, намотанные на ферритовые стержни и опрессованные пластмассой.
Дроссели низкой частоты предназначены для уменьшения пульсаций выпрям-
ленного напряжения. Они входят в состав сглаживающих и низкочастотных LC-фильтров. Сопротивление дросселя постоянному току мало. Конструктивно их выполняют на магнитных сердечниках, с одной обмоткой. Реле – это элемент электронной аппаратуры, предназначенный для коммутации электрических цепей. По принципу работы реле делятся на электромагнитные, магнитоэлектрические, индукционные и электротермические. Наибольшее распространение получили электромагнитные реле. В зависимости от вида коммутируемого тока они делятся на реле постоянного и переменного тока, от времени срабатывания - на быстродействующие (не более 0,005 с), нормальные (от 0,005 с до 0,015 с) и замедленные (более 0,015 с), от мощности срабатывания - на мощные контакторы и слаботочные реле для микроэлектронной аппаратуры.
К основным параметрам реле относятся:
- ток (напряжение) срабатывания - минимально необходимое значение тока (напряжения), при котором тяговое усилие электромагнита будет больше суммы противодействующих сил: силы, развиваемой возвратной пружиной, сил деформации контактных пар и трения,
- ток (напряжение) отпускания - максимально необходимое значение тока (напряжения), при котором тяговое усилие станет меньше суммы противодействующих сил. Ток отпускания реле всегда меньше тока срабатывания.
- время срабатывания (отпускания) - интервал времени от момента подачи напряжения (тока) в обмотку реле до момента коммутации контактов,
- срок службы - число допустимых переключений контактов реле, при котором обеспечивается заданная по его техническим условиям надежность.
На рис.9 приведены УГО элементов на базе индуктивностей с буквенными символами, применяемыми при оформлении электрических схем.

Тема2.Активные элементы электронных устройств (4часа)
Для преобразования электрических сигналов (усиления, генерирования колебаний, изменения формы сигнала и т.д.) недостаточно использования в цепях пассивных линейных элементов. Для этих цепей в электронике широко применяются различные активные элементы, обладающие необходимыми нелинейными характеристиками. Исторически такими элементами долгое время служили электровакуумные и газонаполненные приборы. Сейчас подавляющее развитие и распространение получили полупроводниковые приборы.
Работа большинства полупроводниковых приборов основана на свойствах т.наз. p-n перехода (электронно-дырочного перехода).
Электронно-дырочным переходом (ЭДП) называют область, возникшую на границе раздела полупроводников п -типа и р -типа. ЭДП получают вплавлением (резкий переход) или диффузией (плавный переход) в полупроводниковый монокристалл примесей, создающих тип проводимости, противоположный типу проводимости исходного монокристалла.
Электрические свойства ЭДП можно понять, если рассмотреть процесс его образования. Концентрация электронов в п- области пп (основные носители) во много раз больше их концентрации в р -области пр (неосновные носители). Поэтому при образовании p-n перехода из-за существования градиента концентрации носителей заряда происходит диффузия электронов из п- области в р- область кристалла, а дырок из р- области в п- область. В результате этого вблизи границы ЭДП в n- области остается связанный положительный объемный заряд ионизированных атомов доноров (атомов примеси, обогащающей исходный монокристалл отрицательными носителями заряда – электронами), а в р- области - отрицательный объемный заряд ионизированных атомов акцепторов (атомов примеси, обогащающей исходный монокристалл положительными носителями заряда–дырками).Эти объемные заряды образуют электрическое поле, препятствующее дальнейшей диффузии электронов и дырок, образуется запирающий слой, в котором практически отсутствуют подвижные основные (примесные) носители заряда, вследствие чего его сопротивление велико. Устанавливается равновесие, при котором падение напряжения на границе р и п- областей, называемое потенциальным барьером или контактной разностью потенциалов, принимает стационарное значение. При этом полный ток через р-п переход равен нулю. Ширина области запирающего слоя (ширина р-п перехода) зависит от метода изготовления ЭДП и концентрации основных носителей в п- и р -областях и тем больше, чем меньше эти концентрации. Если к ЭДП приложить электрическое напряжение U, то равновесие нарушается. При обратном смещении (+ U приложено к области n) потенциальный барьер для основных носителей возрастает, вследствие чего ток через переход за счёт основных носителей практически равен нулю,однако по цепи: источник питания – переход протекает ток, порождаемый так называемыми неосновными носителями заряда. Неосновными носителями являются заряды p – типа в области n и n- типа в области p, возникающие в результате термогенерации атомов исходного монокристалла, их концентрация много меньше таковой для основных (примесных) носителей, для неосновных носителей слой объёмного заряда не является запирающим.Ток неосновных носителей мал по величине, слабо зависит от обратного напряжения на переходе, поскольку их концентрация постоянна для данной температуры и носит название обратного или теплового тока p-n перехода.
Увеличение обратного напряжения может привести к пробою р-п перехода. Под пробоем понимают явление резкого возрастания тока через переход, вызванное увеличением числа подвижных носителей заряда в обедненной области. Различают два основных вида пробоя: электрический и тепловой. В первом случае увеличение числа подвижных носителей заряда происходит за счет процессов ударной (лавинной) ионизации атомов, во второй – вследствие нарушения теплового равновесия и повышения температуры полупроводника. Напряжение, при котором происходит пробой, называется напряжением пробоя Uпр.
В случае прямого смещения (+ U приложено к области p) потенциальный барьер запирающего слоя уменьшается. Основные носители заряда пересекают ЭДП, образуя прямой ток через переход, который может достигать значительной величины. Этот процесс называют инжекцией носителей. Инжектированные носители заряда диффундируют вглубь полупроводника, рекомбинируя с носителями заряда, приходящими из внешней цепи. Прямой ток через ЭДП устанавливается не мгновенно из – за инерционности, которая обусловлена процессами рекомбинации и характеризуется временем жизни t носителей заряда. Величина t определяет частотные характеристики полупроводниковых приборов.
На рис. 10 приведена вольт – амперная характеристика ЭДП, на которой различают прямую ветвь (1 квадрант) и обратную ветвь (3 квадрант).

Рис. 10 Вольт – амперная характеристика ЭДП
Полупроводниковым диодом – называют электропреобразовательный прибор с двумя выводами, принцип действия которого основан на использовании свойств ЭДП.
В зависимости от оформления p-n перехода различают плоскостные и точечные полупроводниковые диоды. В плоскостных граница между областями полупроводника представляет собой плоскость соприкосновения, в точечных диодах полупроводник контактирует с металлической иглой (ЭДП полупроводник – металл).
На рис.11 приведена в качестве примера наиболее распространённая структура плоскостного диода, изготовленного методом вплавления.

Структурная схема плоскостного диода
Промышленность выпускает следующие типы полупроводниковых диодов.
Выпрямительные диоды – для преобразования переменного тока в постоянный. В качестве основных материалов используются – кремний и германий. Прямое напряжение и рабочая температура кремниевых диодов выше, чем у германиевых. Частотные характеристики лучше у германиевых диодов. Диапазон прямых токов и допустимых обратных напряжений диодов весьма широк: от десятков миллиампер до сотен ампер и от десятков вольт до десятков киловольт соответственно. Величина обратных токов в зависимости от типа диода может находиться в пределах единиц микроампер – единиц миллиампер. Обратный ток диода характеризует неидеальность его выпрямительных свойств, с этой точки зрения кремниевые диоды, имеющие существенно меньшие обратные токи перспективнее германиевых.
Высокочастотные диоды предназначены для использования в качестве ключевых элементов в импульсных схемах. Для диода состояние «включено» соответствует прямому смещению р-п перехода, состояние «выключено» – обратному. Характерной особенностью этих диодов является малая ёмкость перехода, достигаемая технологическим путем, благодаря чему время переходного процесса между двумя состояниями весьма мало.
Стабилитроны (опорные диоды) предназначены для поддержания неизменного напряжения (напряжения стабилизации) при больших изменениях тока. Стабилитроны работают при отрицательном смещении на р-п переходе при U = Uобр. (рис.10). Вольтамперные характеристики этих диодов имеют слабую зависимость напряжения от тока в области электрического пробоя. Основным параметром этих диодов является напряжение стабилизации.
Варикапы (параметрические диоды) используют в качестве конденсатора переменной ёмкости. Принцип действия их основан на свойстве барьерной ёмкости обратно смещенного перехода изменять свою величину в зависимости от приложенного напряжения. Варикапы широко используются в схемах автоматической подстройки частоты, амплитудной и частотной модуляции, в схемах параметрических усилителей и др.
Светодиоды – приборы с р-п переходом, которые излучают свет при прохождении через них прямого тока. Светодиоды являются источниками некогерентного излучения. Светодиоды изготовляются на основе полупроводниковых материалов, вероятность излучательной рекомбинации в которых высока. Одним из основных параметров светодиодов является длина волны излучаемого света, которая определяет цвет излучения. Светодиоды находят широкое применение в качестве буквенно-цифровых индикаторов и индикаторных панелей, в установках аварийной сигнализации, в системах ночного видения, в контрольно-цифровой аппаратуре и др.
Туннельные диоды – используются в схемах генераторов и усилителей СВЧ диапазона, в быстродействующих ключевых и импульсных схемах и др. Принцип действия их основан на туннельном эффекте, который возможен в случае сверхмалой толщины ЭДП. Туннельные диоды изготавливают на основе таких высоколегированных полупроводниковых материалов как Ge и GaAs
Фотодиоды -используются в качестве приемников светового излучения,принцип работы основан на генерации под действием квантов света пар носителей заряда,которые разделяются p-n переходом, образуя на выходных выводах фотоэдс,фотодиоды работают при обратном смещении перехода и используются в двух основных режимах: как датчик освещенности (режим фотоэдс) и как переменное сопротивление, включаемое последовательно с нагрузкой и зависящее от внешней освещенности. Весьма широко используется комбинация: светодиод – фотодиод, конструктивно объединенные в одном приборе, называемом оптроном или оптопарой, такие оптопары служат для идеальной гальванической развязки маломощных управляющих и мощных нагрузочных цепей.
Тиристоры –полупроводниковые приборы,основанные на трех - переходной диодной структуре, подразделяются на три основные типа:динисторы, тринисторы (чаще называются просто тиристорами) и симисторы. Основное назначение – коммутация больших нагрузочных токов в широком диапазоне напряжений на нагрузке. На рис.12 показана физическая модель динистора,включающая три p-n перехода.

При некотором напряжении между анодом и катодом, называемом напряжением включения, в коллекторном переходе создаются условия для лавинообразного нарастания числа неосновных носителей в результате чего электрическое сопротивление динистора резко падает, возрастает прямой ток, величина которого теперь будет определяться сопротивлением последовательно включенной нагрузки и приложенным напряжением. Вольт-амперная характеристика динистора с характерными точками,определяющими параметры динистора приведена на рис.13.
Следует отметить,что обратная ветвь характеристики динистора ничем не отличается от таковой для диода, кроме того, после включения выключить динистор можно только одним способом – уменьшить прямой ток до величины Iвыкл.

Тринистор отличается от динистора наличием дополнительного «управляющего» вывода, подачей напряжения на который, можно управлять моментом включения тринистора (Рис.14)

Вольт-амперная характеристика тринистора приведена на рис.15.

Разновидность тринистора – симистор обладает симметричной характеристикой в первом и третьем квадрантах, таким образом, симистор способен коммутировать переменный ток в нагрузке. Управление указанными приборами ведется также только на включение, выключение возможно только путём снижения тока нагрузки. В принципе существуют тринисторы как с включением, так и с выключением с помощью управляющего электрода, однако при этом, выключающий ток сравним по величине с током нагрузки, в связи с этим они используются крайне редко.
Условные графические обозначения диодов и их разновидностей приведены на рис.16.
На рис.16 приведены УГО следующих основных разновидностей диодов:
а) – диод выпрямительный,
б) – стабилитрон,
в)-варикап,
г)-туннельный диод,
д)-диод Шоттки (контакт:металл-полупроводник),
е)-светодиод,
ж)-фотодиод,
з)-диодный оптрон (оптопара),
и)-динистор,
к)-тринистор с управлением по катоду (управляющее напряжение действует между
управляющим электродом и катодом),
л)-симистор с управлением по катоду.
УГО диодов на принципиальных схемах сопровождается буквами «VD».
Система обозначений диодов в конструкторской документации:
· первый элемент - цифра или буква:1 или Г (германий), 2 или К (кремний),3 или А (арсенид галлия),
· второй элемент - буква: Д – выпрямительный диод,
В – варикап,
А – СВЧ диод,
И – туннельный диод,
С – стабилитрон,
Ц – выпрямительные блоки,
У – тиристоры,
А Л - излучающие диоды,
ФД – фотодиоды.
· третий элемент – 3 х значное число - свойства группы,
· четвёртый элемент – буква: особенности внутри группы.
Примеры обозначений: 1Д402А –германиевый выпрямительный диод, КД 202В - кремниевый выпрямительный диод, КС107А – стабилитрон, КУ 208Г – симистор, КВ110Б – варикап.
Биполярный транзистор (БТ) – полупроводниковый прибор, принцип действия которого основан на взаимодействии близкорасположенных ЭДП. На рис.17схематически приведена структура БТ типа р п р.

Эмиттер (Э) – это область с высокой концентрацией положительных носителей заряда-дырок, база (Б) - тонкая область между эмиттером и коллектором (К). Переход, который образуется на границе областей эмиттер-база, называют эмиттерным, а на границе база-коллектор – коллекторным. Площадь коллекторного перехода в несколько раз больше площади эмиттерного перехода.
Классификация БТ производится по материалу полупроводника (германиевые, кремниевые, на основе арсенида галлия), по порядку следования областей (рпр и прп – транзисторы), по механизму движения неосновных носителей заряда в базе (дрейфовые и диффузионные), по мощности (малой, средней и большой) и по частоте (низкой, средней, высокой и сверхвысокой частоты).
Принцип действия транзистора рассмотрим на примере БТ рпр типа. С приложением к эмиттерно - базовому переходу прямого напряжения Uэ происходит инжекция дырок из эмиттера в базу и электронов из базы в эмиттер. Ввиду того, что эмиттер легирован много сильнее базы, поток инжектированных дырок будет намного превышать поток электронов. Инжектированные в базу дырки в результате диффузии будут перемещаться к коллекторному переходу и почти все дырки (за исключением успевших рекомбинировать в тонком базовом промежутке) достигнут коллектора. Возникающий при этом коллекторный ток Iк лишь немного меньше тока эмиттера Iэ. Поскольку дырки в области базы являются неосновными носителями заряда часто говорят, транзистор работает на неосновных носителях заряда, кроме того, наличие двух источников смещения переходов объясняет происхождение термина «биполярный». Т.к. коллекторный переход смещён в обратном направлении, то его сопротивление на несколько порядков выше сопротивления эмиттерного перехода. При включении в цепь коллектора нагрузочного сопротивления Rн относительно малое изменение напряжения на эмиттере будет вызывать большое изменение напряжения на сопротивлении нагрузки. Таким образом, в результате различия входного и выходного напряжений транзистор даёт усиление по мощности. В зависимости от сочетаний величин и полярности напряжений на эмиттерном и коллекторном переходах транзистор может работать в области отсечки, активной области и области насыщения. Область отсечки характеризуется обратным смещением на обоих переходах, активная область – прямым смещением на одном переходе и обратным на другом; область насыщения – прямым смещением на обоих переходах. Кроме того, при различном сочетании напряжений, транзистор может работать в прямом (нормальном) и в обратном (инверсном) включениях. В последнем случае эмиттер служит коллектором, а коллектор – эмиттером. В режиме усиления при малых сигналах транзистор работает только в активной области, а при больших сигналах – в области отсечки и в активной области. В режиме переключения транзистор работает во всех трёх областях – активной, отсечки и насыщения.
В зависимости от того, какой электрод является общим для входной и выходной цепи, различают три схемы включения транзисторов: с общей базой (ОБ), с общим эмиттером (ОЭ) и общим коллектором (ОК) рис.18

Рис. 18. Основные схемы включения транзистора
а) ОБ; б) ОЭ; в) ОК.
Для схемы с ОБ входной ток – Iэ, а выходной – Iк. В схеме с ОЭ входным током является ток базы, выходным – Iк, а в схеме с ОК входной ток – ток базы, а выходной – Iэ. Принцип работы транзистора для всех схем включения одинаков.
Статические характеристики транзистора представляют собой семейство входных и выходных характеристик транзистора, снятых при столь медленном изменении тока и напряжения, при котором можно пренебречь инерционностью прибора. Статические характеристики имеют различный вид для различных схем включения транзистора. На рис. 19приведены семейства входных (Iэ = f(Uэ) при Uк = const) и выходных характеристик (Iк = f(Uк) при Iэ = const) транзистора, включённого по схеме с общей базой.

Рис.19. Семейства входных (а) и
выходных (б) характеристик транзистора,
включенного по схеме с ОБ (pnp тип)
а) б)
На семействе выходных характеристик выделяют три области: I – активная область усиления транзистора; II – область отсечки; III – область насыщения. Реальные выходные характеристики отличаются от теоретических тем, что при увеличении Uк наблюдается рост Iк. Это объясняется главным образом сужением базы при расширении коллекторного перехода под действием напряжения (Uк).Кроме того, через коллекторный переход протекает тепловой ток (Iкбо) связанный с наличием неосновных носителей в области базы и коллектора, концентрация которых увеличивается примерно в два раза при повышении температуры коллекторного перехода на каждые 100С за счет термогенерации. Тепловой ток коллекторного перехода влияет на аддитивную погрешность транзисторной усилительной схемы и это влияние необходимо учитывать при проектировании усилительных схем, работающих в широком температурном диапазоне. Транзистор, также как и любой электронный прибор, характеризуется предельными режимами, превышение которых приводит к нарушению работы прибора и выходу его из строя. Максимально допустимые напряжения ограничиваются пробивными напряжениями соответствующих переходов, максимально допустимые мощность и ток ограничиваются максимально допустимой температурой коллекторного перехода, не приводящей к тепловому пробою.
В показанных на рис.18 схемах включения транзисторов источники постоянных напряжений (Е) создают начальные токи в выводах транзистора (токи покоя), необходимые для обеспечения его работы в линейной области входных и выходных характеристик, источники переменных напряжений (U) создают знакопеременные приращения начальных токов, при этом, эти приращения в усилительных схемах не должны приводить к нелинейным искажениям, т.е. в этом смысле должны быть «малыми». Источники «U» можно,таким образом, рассматривать как источники входного сигнала, подлежащего усилению. В отличие от начального, режим работы с «малыми» сигналами называют рабочим (иногда динамическим) или режимом класса «А», этот режим используется в линейных усилителях. Если в начальном режиме рабочая точка транзистора находится на границе области отсечки (коллекторный ток может изменяться только в сторону увеличения), то говорят, что транзистор работает в классе «В», промежуточный режим называется классом «АВ». Разновидностью класса «В» является режим класса «С», когда на выходе воспроизводится лишь часть положительной полуволны входного сигнала, наконец, в режиме класса «Д» рабочая точка находится либо на границе области насыщения, либо на границе области отсечки (ключевой режим). Основными параметрами транзистора являются коэффициенты передачи токов:
· α =Iк/Iэ -коэффициент передачи эмиттерного тока в коллектор, меньше единицы за счёт рекомбинации части носителей в базе (базового тока), примерный диапазон значений: 0,9 – 0,99 в зависимости от типа транзистора,
· β = Iк/Iб - коэффициент передачи базового тока в коллектор, примерный диапазон значений 10 – 1000 в зависимости от типа транзистора,
Поскольку из принципа работы транзистора следует, что:Iэ = Iк +Iб, то легко показать взаимосвязь указанных коэффициентов: α = β/(β +1), β = α/(1- α),
1- α =1/(1+ β), кроме того очевидно, что Iэ/Iб = β +1.
Величины указанных коэффициентов даже в пределах одной группы транзисторов зависят от технологического разброса, температуры окружающей среды, частоты сигнала, величины коллекторного тока, обычно в расчетах используются средние значения с последующей корректировкой схемотехники с целью уменьшения погрешностей.
Условные графические обозначения транзисторов двух основных типов показаны на рис.20, в схемах УГО сопровождается буквенным обозначением транзистора «VT», в перечне элементов к электрической принципиальной схеме буквами «КТ»,например, КТ315.

С целью увеличения коэффициента усиления базового тока довольно часто применяется так называемый составной транзистор (схема Дарлингтона),показанный на рис.21
Из приведенной схемы вытекает ряд очевид-
ных соотношений:
Iк=Iвых=Iк1+Iк2
Iк1=Iб1*β1
Iк2=Iэ1* β2=Iб1*(β1+1)* β2
Iк1=Iб1*(β1+ β2+ β1* β2)
Кi=Iвых/Iвх=(β1+ β2+ β1* β2)≈ β1* β2,
здесь Кi-результирующий коэффициент усиления
входного тока много больший такового для одного
из транзисторовРис.21
Схема Дарлингтона
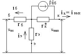
В расчетах электрических схем с транзисторами используют эквивалентные схемы замещения транзистора двух типов: физические, основанные на физической модели транзистора и формализованные, основанные на замене транзистора активным 4 х -полюсником.Следует отметить, что схемы замещения составляются только для переменных составляющих токов и напряжений, действующих в транзисторе, т.е. для рабочего режима, при этом имеются в виду малые сигналы в смысле указанном выше. На рис.22 приведена для примера простейшая физическая эквивалентная схема транзистора, включенного по схеме ОЭ, источники постоянного напряжения считаются закороченными по переменному току и на схеме не показываются (действительно, источники питания электронных схем содержат на выходе фильтрующие конденсаторы большой ёмкости, реактивное сопротивление которых по переменному току весьма мало).

Рис.22
Физическая схема замещения транзистора
в схеме с общим эмиттером
rб – сопротивление области базы,
rэ – сопротивление базо – эмиттерного перехода,
rк* = rк/ (b+1) – сопротивление коллекторного перехода для схемы ОЭ,
rк то же для схемы ОБ,
b iб – эквивалентный генератор коллекторного тока,
Uвх = U бэ, Uвых = U кэ - переменные входное и выходное напряжения,
iб, iэ, iк – переменные токи в выводах транзистора
Пользуясь приведенной схемой можно найти ряд параметров транзистора:
приведенное уравнение справедливо, поскольку очевидно, что rк*» rб, rэ
и ответвлением входного тока в выходную цепь можно пренебречь.
Коэффициент передачи базового тока в коллектор в данном случае равен:

Пользуясь теоремой об эквивалентном генераторе, можно найти выходное сопротивление:

Достоинством данной эквивалентной схемы является её наглядность, т.к.она отражает внутреннюю структуру транзистора, однако, практическое измерение приведенных на схеме параметров затруднительно. Этот недостаток восполняется при использовании эквивалентной схемы замещения формализованного типа. Приведем пример замещения транзистора активным 4 х -полюсником (рис.23)
![]() |
Рис.23
Схема замещения
4 х -полюсником
Для транзисторов чаще всего используются h-параметры,наиболее удобные для измерений.Система уравнений,связывающая напряжения и токи с h-параметрами имеет вид:

Физический смысл h-параметров: h11 = u1/i1 – входное сопротивление при коротком замыкании на выходе; h12 = u1/u2 - коэффициент обратной связи по напряжению; h21 = i2/i1-
коэффициент передачи тока при коротком замыкании на выходе; h22 = i2/u2 - выходная проводимость при холостом ходе на входе. Таким образом, очевидна методика измерения h-параметров, для различных схем включения транзисторов (ОБ,ОЭ,ОК) существуют формулы,связывающие h-параметры с параметрами физической модели транзистора, например,для рассматриваемого случая очевидны соотношения:

Полевые транзисторы представляют собой класс полупроводниковых приборов, в которых величина выходного тока изменяется под действием электрического по-
ля,создаваемого входным напряжением, благодаря чему полевые транзисторы имеют очень высокое (1-10МОМ) входное сопротивление. Указанное обстоятельство является главным достоинством этих приборов, что подчёркивается в их названии. Различают два подкласса полевых транзисторов: с управляющим p-n переходом и с изолированным затвором со структурой металл-диэлектрик-полупроводник (МДП-структура).
В полевых транзисторах первого типа управление величиной тока осуществляется поперечным электрическим полем, создаваемым напряжением, приложенным к входному электроду. Полевой транзистор с управляющим р-п переходом состоит из тонкой пластинки полупроводникового материала с одним р-п переходом в центральной части и с невыпрямляющими контактами по краям (рис. 24).



