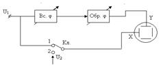
Структурная схема. Работа схемы.
Измерение производят в два этапа:
1) Устранение собственного фазового сдвига. Исходное состояние: ключ переключают в положение 1 и входное напряжение U1 подают сразу на оба входа осциллографа X и Y. Указатель шкалы образцового фазовращателя (Обр. φ) устанавливают на 0. На экране осциллографа имеем изображение эллипса. Регулируя вспомогательный фазовращатель (Вс. φ), добиваются слияние эллипса в одну прямую линию. Этим компенсируется собственный фазовый сдвиг нашей измерительной установки.
2) Измерение фазового сдвига. Исходное состояние: ключ переключают в положение 2 и подают напряжение U1 в канал Y, а напряжение U2 – в канал Х. На экране осциллографа появляется изображение эллипса. Регулируя образцовый фазовращатель, добиваются слияние эллипса в одну прямую линию. Значение фазового сдвига определяют по шкале образцового фазовращателя.
Погрешность измерения определяется погрешностью градуировки шкалы образцового фазовращателя.






