Классификация СЭЭС
Классифицируют СЭЭС по следующим признакам:
у с т а н о в л е н н о й м о щ н о с т и ГА - малой (0,5-5 МВт), средней (5-10 МВт) и большой (свыше 10 МВт) мощности;
с т е п е н и а в т о м а т и з а ц и и - автоматизированные с дистанционным и программным управлением. Автоматизированные СЭЭС с дистанционным управлением имеют простые средства автоматизации специализированного назначения (например, системы пуска РДГ, устройства синхронизации генераторов и распределения нагрузки). В состав СЭЭС с программным управлением входят общесудовые ЭВМ или, гораздо чаще, узкоспециализированные мини-ЭВМ, позволяющие реализовать сложные законы управления СЭЭС по различным программам в зависимости от режима работы судна;
к о л и ч е с т в у э л е к т р о с т а н ц и й - системы с одной, двумя и большим количеством электростанций;
с в я з и С Э Э С с С Э У - на автономные, с отбором мощности от СЭУ и единые с СЭУ.
Последние 2 признака являются определяющими для структурных схем СЭЭС.
На структурных схемах СЭЭС показывают основные функциональные части элект-
роэнергетических систем, их назначение и взаимосвязь.
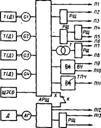
А в т о н о м н ы е С Э Э С имеют автономные, т. е. независимые от СЭУ, источники электроэнергии - ДГ или ТГ. На большинстве транспортных судов автономная СЭЭС состоит из основной и аварийной электростанций (рис. 1.3). Основные генераторы G1-G4 приводятся во вращение дизелями Д или турбинами Т. Приводным двигателем аварийного генератора АГ, по правилам Регистра СССР, должен быть дизель.
Приемники получают от ГРЩ электроэнергию непосредственно (П1), через РЩ (П2-П6), через понижающий трансформатор Т и РЩ (П7-П8), а также преобразователи электроэнергии - выпрямительное устройство ВУ или тиристорный преобразователь часто
ты ТПЧ.

Рис. 1.3. Структурная схема автономной СЭЭС с одной основной и одной аварийной электростанциями
Электрическая связь между ГРЩ и АРЩ в нормальных режимах работы осуществ
ляется через кабельную перемычку (3-жильный кабель) Х, в рассечке которой находится контакт К мощного контактора. Катушка этого контактора питается непосредственно от шин ГРЩ, поэтому при наличии напряжения на шинах ГРЩ контактор включен и его контакт замкнут. По перемычке электроэнергия передается в направлении от основной электростанции к аварийной. При обесточивании ГРЩ контактор теряет питание и его контакт К, размыкаясь, разъединяет шины АРЩ и ГРЩ.
Одновременно начинается автоматический пуск АДГ с последующим подключени
ем его к шинам АРЩ. Тем самым обеспечивается практически бесперебойное питание от
ветственных приемников П12-П14, подключенных к АРЩ.

Рис. 1.4. Структурная схема СЭЭС Рис. 1.5. Структурная схема единой СЭЭС
с отбором мощности от СЭУ
Отбор мощности от СЭУ может осуществляться применением в составе электро-
станций ВГ и УТГ ( рис. 1.4). Валогенераторы приводятся во вращение через механиче-
скую передачу П от судового валопровода или непосредственно от ГД. Применение пере-
дачи вызвано тем, что частота вращения валопровода или ГД в несколько раз меньше но-
минальной частоты вращения выпускаемых промышленностью генераторов.
Утилизационные турбогенераторы УТГ получают пар от УК, использующих тепло
ту отработавших газов ГД.
ВГ могут применяться как на теплоходах, так и на паротурбинных судах, УТГ - только на теплоходах. Практически применение УТГ возможно при мощности ГД свыше 6,5 МВт, валогенераторные установки целесообразно использовать при мощности ГД до 11-15 МВт, при большей мощности экономически оправдано применение комбинированных турбовалогенераторных блоков, включающих ВГ и УТГ.
Основным недостатком систем отбора мощности является зависимость их работы
от частоты вращения гребного вала.
При использовании ВГ на судах с ВФШ изменение скорости судна, т. е. изменение частоты вращения валопровода, приводит к пропорциональному изменению частоты тока и напряжения ВГ. Это затрудняет или делает почти невозможной параллельную работу ВГ с автономными генераторами, а при остановке ГД требует быстрого включения резервного генератора взамен ВГ.
Для стабилизации параметров тока ВГ при изменении скорости судна в пределах 100-70 % номинальной применяют электромеханические и статические тиристорные пре-
образователи, объемные гидропередачи и наиболее совершенные дифференциальные электро- и гидромеханические регулируемые передачи.
На судах с ВРШ конструкция валогенераторной установки упрощается, так как частота вращения валопровода неизменна. УТГ благодаря тепловой инерции УК, а также возможности регулирования расхода пара продолжают нормально функционировать в течение 5-20 мин после остановки ГД.
Рассмотренные системы отбора мощности целесообразно применять на судах, со-
вершающих длительные переходы с постоянной или мало изменяющейся скоростью.
При этом экономится топливо, уменьшается среднегодовая наработка ГА, что увеличивает интервал времени между работами по ТО и ремонту основных генераторов. Все это приводит к снижению эксплуатационных расходов. Разрабатываемые в настоящее время системы глубокой утилизации теплоты позволяют в ходовом режиме полностью обеспечить потребности судна не только в электроэнергии, но и в теплоте.
Е д и н о й С Э Э С называется система, объединенная с СЭУ (рис. 1.5). Единые СЭЭС применяют на судах с электродвижением, на которых от шин ГРЩ питаются как гребные электродвигатели М1 и М2, так и приемники электроэнергии П1-ПЗ. К таким судам относятся плавучие краны, земснаряды и др., на которых значение мощности, потребляемой ГЭУ в ходовом режиме судна, соизмеримо с мощностью, потребляемой технологическим оборудованием во время стоянки. Единые СЭЭС применяют также на некоторых ледоколах, пассажирских и промысловых судах с ВРШ.