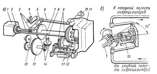
Аксиально-поршневой насос регулируемой подачи изображен на рис. 10.6.

Рис. 10.6. Аксиально-поршневой насос регулируемой подачи:
а – кинематическая схема; б – схема работы насоса
На рис. 10.6 изображены:
1. золотниковая коробка;
2. втулка золотниковой коробки;
3. рычажная система;
4. валик управления;
5. шестерня;
6. рычаг обратной связи;
7. вал насоса;
8. эксцентрический вибратор;
9. силовые цилиндры (2 шт.);
10. вал управления;
11. поворотная люлька насоса;
12. блок цилиндров;
13. нуль-установитель;
14. коническая пара шестерней;
15. зубчатое колесо;
16. приводной вал насоса.
Гидравлическая система аксиально-поршневого насоса (рис. 10.6, а)включает следующие элементы: основной насос регулируемой подачи; шестеренный насос; золотниковую коробку и гидравлический усилитель, включающий в себя силовые цилиндры и рычажную систему, клапанное устройство, состоящее из двух подпиточных (сливного и предохранительного) клапанов; нуль-установители; распределительную коробку и фильтр.
|
|
|
Регулирующим органом насоса является люлька.
Принцип действия указанной системы следующий.
Вал насоса 7, получая вращение от ЭД, передает его через кардан блоку 12 с цилиндрами, а также через шестерню 5 зубчатому колесу 15, надетому на приводной вал 16 шестеренного насоса.
Рабочая жидкость, нагнетаемая шестеренным насосом, расходуется на восполнение ее утечек из замкнутого объема: насос - магистральные трубопроводы – гидроцилиндры рулевой машины.
Шестеренный насос всасывает рабочую жидкость из корпуса основного насоса, служащего одновременно резервуаром рабочей жидкости, и нагнетает ее в систему через фильтр.
После фильтра рабочая жидкость направляется по трубопроводам к распределительной коробке, воздействует на переключающий золотник и открывает себе доступ в нуль-установители 13 и в золотниковую коробку 1 гидроусилителя, а избы-
ток рабочей жидкости сливается через сливной клапан.
Нуль-установители 13 предназначены для вывода люльки насоса в среднее (нулевое) положение при включении насоса и для удержания люльки в этом положе-
нии, пока насос не работает. Это нужно для того, чтобы последующее включение проводилось при среднем положении люльки (это уменьшает пусковую мощность ЭД).
При поступлении рабочей жидкости в цилиндры нуль-установителей штоки их убираются, сжимая пружины, что дает возможность люльке 11 насоса свободно поворачиваться на цапфах на угол 30º в обе стороны от среднего положения при помощи гидравлического усилителя мощности и вручную (силовое управление насосом).
Гидроусилитель состоит из золотниковой коробки 1, двух силовых цилиндров 9 и рычажной системы 3. При смещении золотника в ту или иную сторону открывается доступ рабочей жидкости в один из силовых цилиндров. Золотник смещают поворотом вала управления 10 и рычажной системой.
|
|
|
Под давлением рабочей жидкости поршень, находящийся в одном силовом цилиндре, перемешается, например, влево и при помощи шатуна поворачивает люльку 11 насоса. Одновременно с этим поршень второго силового цилиндра перемещается поворачивающейся люлькой вправо и вытесняет рабочую жидкость из полости цилиндра через золотниковую коробку в корпус насоса.
При этом рычаг 6 обратной связи возвращает золотник в среднее положение, доступ рабочей жидкости в силовой цилиндр прекращается и люлька останавливается.
Поэтому, чтобы поставить люльку на нужный угол, надо повернуть валик 4 управления на тот же угол (передаточное число рычажной системы равно единице).
Для более точной установки валика управления втулке 2 золотниковой коробки
сообщена осевая вибрация, осуществляемая при помощи эксцентрикового вибратора 8, получающего вращение от вала 16 шестеренного насоса через коническую пару 14.
Когда люлька насоса занимает среднее положение, то вращение вала 7 насоса не вызывает возвратно-поступательного движения поршней в цилиндрах 12, и подачи рабочей жидкости в гидроцилиндры привода рулевой машины не происходит.
Поворот люльки насоса создает наклон оси блока цилиндров 12 к оси вала 7 (рис. 10.6, 6), и при его вращении поршни, находящиеся в цилиндрах блока, начинают совершать возвратно-поступательное движение. За один оборот вала насоса каждый поршень делает один ход вперед и один назад.
Поршни, выходя из цилиндров, всасывают рабочую жидкость в цилиндры, а двигаясь внутрь, нагнетают из цилиндров.
Перемена направления движения поршня происходит в момент нахождения его в горизонтальной диаметральной плоскости блока цилиндров. Поршни, находящиеся по одну сторону этой плоскости, будут нагнетать рабочую жидкость в гидроцилиндры рулевой машины, а поршни, находящиеся по другую сторону, всасывать.
При отклонении люльки в другую сторону поршни гидроцилиндров рулевой ма-шины будут перемещаться в обратном направлении, так как сторона всасывания и сторона нагнетания меняются местами и направление перекладки руля изменяется.
Угол отклонения люльки, зависящий от угла поворота валика 4 управления, определяет подачу насоса и скорость перекладки руля. С увеличением угла поворота возрастают подача насоса и скорость перекладки руля.
Валик поворачивают прибором ИМ (исполнительный механизм), установленным на корпусе насоса и входящим в комплект аппаратуры электрической си
стемы управления.
Прибор получает сигнал на поворот валика насоса при задании угла перекладки с пульта управления.
Сигнал обратной связи, пропорциональный углу поворота руля от РД, установленного на приводе к баллеру, поступает в пульт системы управления со знаком, противоположным знаку сигнала задания.
В результате суммирования прямого и обратного сигналов валик насоса, повернутый на тот или иной угол при задании, будет возвращен в среднее нейтральное положение при подходе руля к заданному углу поворота. При этом подача масла насосам, а следовательно, и перекладка руля прекращаются.
Работа системы управления более подробно рассмотрена ниже (при изложении принципа действия авторулевых).
В приборах ИМ предусмотрена также рукоятка для возможности ручного аварий
ного (местного) управления, которое используют при выходе из строя аппаратуры дистанционной системы электрического управления, а также при опробовании рулевой машины из румпельного помещения. Таким образом, все управление рулем сводится к необходимому воздействию на люльку.
|
|
|
Как правило, электрогидравлические рулевые машины (исключая самые малые) имеют по 2 насоса. Один из них основной, другой- резервный. Все нормированные свойства рулевой системы обеспечиваются при работе одного насоса.
Вместе с тем в сложных условиях плавания с целью повышения надежности в действие могут быть введены 2 насоса. Так как подача при этом удваивается, то скорость перекладки руля при двух работающих насосах увеличивается.
В РЭП также иногда используются насосы постоянной подачи.






