3.1 Общие соображения на примере простейших схем.
В общем случае задача выпрямительного элемента – получить из периодического сигнала без постоянной составляющей однополярный сигнал (где она есть). Рассмотрим реализацию этой задачи на простейшем примере.
3.1.1 Однофазный (однополупериодный) выпрямитель, работающий на активную нагрузку Rн.
Его схема приведена на рис. 25:
На его вход подается однофазный гармонический сигнал. Трансформатор служит для преобразования амплитуды сигнала в требуемое значение. Основным элементом выпрямителя является вентиль, пропускающий ток в одном направлении. Здесь в качестве вентиля используется полупроводниковый диод. Связь между током и напряжением в нем
определяется его вольт – амперными характеристиками (ВАХ) рис. 26.
![]() |
Вентильные свойства диода определяются значениями Uпор. Для наиболее применяемых на практике кремниевых диодов Uпор» 0,6–0,7 В. При u>Uпор диод открыт, при u<Uпор диод закрыт. При анализе выпрямителей используют кусочно – линейную аппроксимацию ВАХ диода (жирная линия, рис. 26), а при больших напряжениях (более 10 В) считают Uпор» 0 (пунктирная линия, рис. 26).
|
|
|
На практике используемые в ЭПУ кремниевые диоды обычно не имеют ограничений по частоте.
Тогда работу выпрямителя рис. 25 можно наглядно представить следующим образом (рис. 27):
Выпрямленное напряжение имеет вид, представленный на рис. 27 б. Используя ранее введенные понятия постоянной составляющей сигнала U0 и его коэффициент пульсации kп можно качественно оценить напряжение на нагрузке. Известно, что постоянная составляющая для такого вида сигналов равна:
U0=Umax/p.
Амплитуда максимальной (первой) гармоники:
U1= Umax /2,
тогда коэффициент пульсаций, равный отношению амплитуды первой гармоники, содержащейся в рассматриваемом напряжении к его постоянной составляющей kп = U 1/ U 0, равен:
kп=1,57.
Такой коэффициент является, очевидно, очень большим, на практике такой выпрямитель может использоваться только в особых случаях, например в зарядных устройствах.
Видно, что в данном случае используется только положительная полуволна сигнала. Для того чтобы использовать еще и отрицательную полуволну, необходимо применять двухполупериодный выпрямитель.
3.1.2 Двухфазный (двухполупериодный) выпрямитель, работающий на активную нагрузку Rн.
Его схема представлена на рис. 28.
![]() |
Здесь в качестве первичного сигнала – однофазный сигнал, для возможности использования второй полуволны применяется более сложный двухтактный трансформатор. Считаем, что схема полностью симметрична.
В связи с тем, что диоды в данной схеме включены в обратную сторону, напряжение на выходе выпрямителя (на нагрузке) имеет вид, представленный на рис. 28 б. Для того чтобы получить Uн>0 надо «перевернуть» диоды. Видно, что выходное напряжение ближе по форме к постоянному, чем в первом случае. Для данного случая имеем:
|
|
|
U0=2Umax/p,
kп=0,67.
Следует также отметить, что частота пульсаций на нагрузке в этом случае в два раза выше частоты входного напряжения при тех же параметрах входного сигнала, что облегчает их последующую фильтрацию.
Однако для построения данной схемы необходимо использование двухфазного трансформатора, более сложного, чем его однофазный аналог. Получить напряжение на нагрузке, аналогичное напряжению двухфазного выпрямителя при однофазном трансформаторе, можно, используя мостовую схему.
3.1.3 Схема Греца (мостовая), работающая на активную нагрузку Rн.
Она представлена на рис. 29.
![]() |
Схема Греца эквивалентна двухфазной схеме по виду выходного сигнала. Она построена на одной вторичной обмотке однотактного трансформатора. В этой схеме трансформатор упрощается по сравнению с предыдущей схемой, однако становиться на два диода больше. Параметры выходного напряжения аналогичны предыдущему случаю. К числу достоинств данной схемы можно отнести также меньшее в два раза обратное напряжение на вентиль. С другой стороны, по этой причине применение данной схемы при построении низковольтных (меньше 5–7 В) выпрямителей нежелательно, так как вклад Uпор в данной схеме удваивается.
В рассмотренных выпрямителях, работающих на активную нагрузку, для выделения постоянной составляющей и уменьшения коэффициента пульсаций в нагрузке необходим фильтр.
3.1.4 Замечания о фильтре.
Включение фильтра, содержащего реактивные элементы, помимо уменьшения коэффициента пульсаций, также может привести к изменению постоянной составляющей U0 за счет накопления энергии в них. (CU2/2 или LI2/2). Для простейшего емкостного фильтра (рис. 30),
включенного в однофазный выпрямитель, при постоянной времени
![]() |
много большей, чем период колебаний T, не только значительно уменьшается коэффициент пульсаций, но уровень постоянной составляющей выходного напряжения U0 приближается к Umax:
![]() |
В идеальном случае U0 = Umax.
3.1.5 Умножители напряжения.
Достаточно часто оказывается необходимо получать выпрямленное напряжение, превосходящее по величине входное напряжение. Для этого может быть использована схема удвоения напряжения, представленная на рис. 32.
![]() |
Схема позволяет не меняя исходного трансформатора увеличить Uвых в два раза за счет применения дополнительного накопительного элемента Cн. При правильном выборе емкостей C и Cн Uвых равно 2 Umax.
Базируясь на этой идее можно получать утроенное (рис. 33) и даже учетверенное значение напряжения.
![]() |
Эти схемы по качественным показателям аналогичны однофазной схеме выпрямителя. Их выходное напряжения является несимметричным.
Схема Латура (рис. 34), по сути дела – два однофазных выпрямителя работающие на емкостной фильтр и построенные на одной вторичной обмотке трансформатора.

На нагрузке происходит сложение их выпрямленных напряжений. Относительно средней точки (рис. 34 б) верхний и нижний выпрямители создают одинаковое постоянное напряжение, но противоположной полярности. Получается это потому, что верхний вентиль подсоединен ко вторичной обмотке своим анодом, а нижний - катодом.
Общее выходное напряжение, снимаемое с двух конденсаторов, равно их сумме:
U0=U01+U02=2U01 .
Каждый из выпрямителей отдает в свою нагрузку ток I0.
Напряжения на каждом из конденсаторов имеет пилообразную форму. Наложив графики напряжений на кривую ЭДС вторичной обмотки можно определить интервалы времени, в течение которых открыты вентили. Ток вторичной обмотки повторяет по форме ток первичной обмотки и не содержит постоянной составляющей, подмагничивающей сердечник.
|
|
|
Помимо удвоения постоянной составляющей при сложении компенсируются первая и все остальные нечетные гармоники пульсаций. Таким образом, схема удвоения в данном случае ведет себя как двухфазная схема, хоть и состоит из двух однофазных схем.
Для данной схемы:
I2» 3,5I0; Im» 7I0; E2» 0,5U0;
Eобр m» 1,4; VAср» 1,6P0.
3.2 Параметры выпрямителя.
1. Характеристики входного сигнала: форма сигнала, его параметры (амплитуда и частота), и число фаз.
2. Характеристики выходного сигнала: U0, коэффициент пульсаций kп.
3. Сопротивление нагрузки Rн.
4. Требования к вентилю.
1) Uд max – максимальное обратное напряжение, Uд max £ Uд доп
2) Iд доп – максимальный ток, Iд max£ Iд доп
5. Требования к трансформатору
1) Габаритная мощность Pгаб.
2) Напряжение и ток выходных обмоток трансформатора U2 и I2.
6. Требования к фильтру.
Они определяются в основном коэффициентом пульсаций kп. Однако, если рассмотреть подробнее какое влияние оказывает фильтр на работу выпрямителя, оказывается, что фильтр существенно влияет на режим работы вентилей в выпрямителе и тем самым определяет токи и напряжения в обмотках трансформатора. Поэтому необходимо рассматривать в общем случае работу выпрямителей в совокупности с фильтром. [2]
3.3 Выпрямители и фильтры.
Как правило, выпрямитель начинается с трансформатора, который выдает напряжение с числом фаз m. Наиболее эффективно использовать трехфазный сигнал. Как правило, выходные обмотки трехфазного трансформатора включаются звездой (входные могут быть как звездой, так и треугольником, в данном случае это не играет никакой роли, т.к. они могут быть пересчитаны друг в друга). Вентили включены в каждую из обмоток.

Наиболее употребительные на практике варианты нагрузок вместе с фильтром приведены на рис. 36.
![]() |
Как отмечалось, вариант 0 – работа на резистивную нагрузку используется редко, хотя с ростом числа фаз пульсации резко уменьшаются и можно применять такой выпрямитель как зарядное устройство или там, где требования к пульсациям низки.
|
|
|
Вариант 1 имеет очень плохие нагрузочные характеристики и на практике не используется.
Вариант 2 используется чаще в маломощных выпрямителях, т.к. для получения хороших показателей необходима большая емкость.
Наиболее часто используются варианты 3 и 4.
Первый элемент фильтра (параллельная емкость или последовательная индуктивность) самым существенным образом определяют режим работы вентилей выпрямителя и трансформатора, поэтому выделяют два класса выпрямителей – работающие на индуктивную или емкостную нагрузки.
3.3.1 Выпрямитель гармонического напряжения при нагрузке, начинающейся с индуктивного элемента.
Схема выпрямителя гармонического напряжения при нагрузке, начинающейся с индуктивного элемента, представлена на рис. 37:
![]() |
Здесь, например, e 21 и E21 – соответственно мгновенное значение и амплитуда первой гармоники напряжения на вторичной обмотке.
Режим работы выпрямителя зависит от величины индуктивности дросселя L, образующего вместе с конденсатором C сглаживающий фильтр. Если запас энергии в дросселе достаточен для того, чтобы подпитывать нагрузку током в течение интервала времени, во время которого мгновенная мощность в сети переменного тока будет меньше мощности, потребляемой нагрузкой, то ток в дросселе i0 (выпрямленный ток) непрерывен. При этом в выпрямителе всегда открыт какой-нибудь из вентилей.
В противном случае при малом запасе энергии в дросселе ток i0 получается разрывным (пульсирующим). В те моменты, когда он равен нулю, все вентили оказываются заперты, а поступление мощности в нагрузку происходит благодаря разрядке конденсатора C.
Временные диаграммы токов и напряжений в данной схеме при больших
значениях индуктивности дросселя представлены на рис. 38.

Ток в индуктивности i0 здесь непрерывен и состоит из токов каждой из фаз (на рисунке показаны токи первой i1 и второй фазы i2).
Отметим основные особенности работы выпрямителя.
1. Длительность работы каждой фазы равна T/m, где m – число фаз.
2. Период основной гармоники пульсаций также определяется числом фаз: T/m.
3. Выпрямленное напряжение E0 определяется числом фаз:
E0=E2/b(m).
При m =2 b(m) =1.11,
m =3 b(m) =0.855,
m =6 b(m) =0.74.
4. Максимальное обратное напряжение на диодах Eобр при нечетном числе фаз менее 2Em. Для m=3 Eобр = EmÖ3. Для четного числа фаз Eобр = 2Em.
5. Коэффициент пульсаций также зависит от m:
kп=kп1 =2/(m2 –1)=D (m) /w 2LC,
где D (m)=0,169 для 2-х фазного выпрямителя и 0,0284 для 3-х ф.
6.
Ток, протекающий через индуктивность:
Считаем, что E0=E2 действ, C – константа, равная постоянной составляющей выпрямленного тока:
I0=(E2m/Rн)(m/p)sin(p/m).
Если индуктивность дросселя равна критической, то минимум тока i0 равен нулю. Это позволяет определить условия для расчета Lкр:
w Lкр = x(m)Rн.
Анализ показывает, что коэффициент x(m) является функцией только от m. Его значения:
при m =2, x(m)= 0.332;
m =3, x(m)= 0.083;
m =6, x(m)= 0.01.
Отсюда можно найти Lкр. При фиксированных частоте и сопротивлении нагрузки имеем:

Заметим, что
Lкр(m=6)<< Lкр(m=2),
при L>>Lкр, как отмечалось,
i0»const»iн.
7. Максимальный ток через диоды imax» I0» i0, а его действующее
значение
iдейств=I0/m.
8. Требования к трансформатору.
Исходя из напряжения E0 и тока I0 получим, что габаритная мощность со стороны вторичной обмотки:
(VA)2 = mE0I0, где
E0 = E2 b(m), I0 » Iвент. [1, 2, 4]
3.3.2 Выпрямитель гармонического напряжения при нагрузке, начинающейся с емкостного элемента.
Схема выпрямителя гармонического напряжения при нагрузке, начинающейся с емкостного элемента, представлена на рис. 39:
![]() |
Временные диаграммы, поясняющие его работу – на рис. 40.


Рис.40
Чтобы конденсатор C, шунтирующий нагрузку выпрямителя (рис 39), сглаживал пульсации выходного напряжения, его емкость должна быть достаточно большой. Тогда при его разряде на нагрузочный резистор напряжение на конденсаторе спадает медленнее, чем уменьшается ЭДС заряжавшей его перед этим фазы. Поэтому в некоторый отрезок времени напряжение на конденсаторе окажется большим ЭДС любой из фаз вторичной обмотки трансформатора, и все вентили будут закрыты. Т.е. длительность работы каждой из фаз будет меньше, чем 2p/ m.
Ток через вентиль будет протекать в случае, когда uа> uк. На катодах вентилей uк» u0» const, а на анодах uа» e2i.
Поскольку вентиль в открытом состоянии представляет собой активное сопротивление, а напряжения на нем меняется по гармоническому закону, то ток через него имеет форму отрезка косинусоиды в интервале от – q до q. Тогда в зависимости от угла q определяются следующие параметры выпрямителя:
U0 = E2m cos q,
i действ,
i0=imaxa0(q),
i1=imaxa1(q),
imaxi=(e21–U0)/r, где r – сопротивление обмотки и диода.
Расчет kп сложен, т.к. зависит от формы импульсов тока. Оценка в схемах выпрямителей, начинающихся с емкостей на практике начинается с оценки kп для имеющихся конденсаторов, или, задаваясь kп, определяется минимальное значение их требуемой емкости. Так, например, для двухфазной схемы, при kп =0.1, минимальное значение емкости:
[ 2]
3.3.3 Токи в обмотках трансформатора выпрямительных схем.
Работа трансформатора в значительной степени ухудшается, если в его обмотках протекает постоянный ток – т.н. ток подмагничивания. Его наличие приводит к тому, что повышается общий уровень магнитного поля в магнитопроводе и, в результате, падает эффективное значение mср. Для сохранения работоспособности трансформатора необходимо увеличивать габариты трансформатора, что нежелательно. В связи с этим следует рассмотреть, какие токи протекают в трансформаторе при работе различных выпрямительных схем.
В связи с этим, однополупериодный выпрямитель, как правило, используется без трансформатора, а при его наличии имеет место подмагничивание магнитопровода постоянным током. В связи с этим ее применение для мощных выпрямителей является нежелательным. Схема выпрямителя представлена на рис. 41 а, диаграммы протекающих токов на рис. 41 б.
![]() |
В отличие от однополупериодного выпрямителя использование мостового выпрямителя (рис. 42а) не приводит к появлению постоянной составляющей тока, протекающего через трансформатор. Временные диаграммы его работы
представлены на рис. 42 б.

Для положительной полуволны ток идет через диоды 1 и 2, для отрицательной – через 3 и 4. В мостовой схеме отсутствует вынужденное подмагничивание, так как токи первичной и вторичной обмоток не содержат постоянных составляющих при условии симметричности всех элементов, входящих в состав схемы. В связи с этим его работа в данной схеме предпочтительнее, чем на предыдущей. К недостаткам мостовых схем следует отнести необходимость выполнения вторичных обмоток трансформатора строго симметричными. При асимметрии обмоток в выпрямленном напряжении возникает составляющая пульсаций с частотой выпрямляемой сети.
При работе на трехфазную схему по входным обмоткам нет постоянной составляющей (постоянного подмагничивания), но в выходных обмотках она есть. Но магнитный поток вынужденного подмагничивания через воздух вокруг трансформатора невелик, и его можно не учитывать.
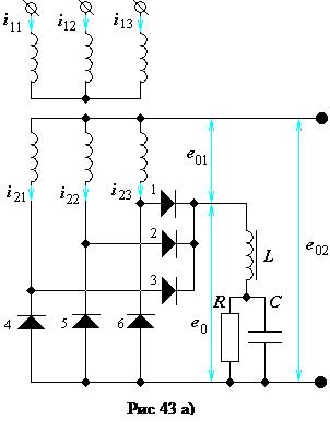
3.3.4 Схема Ларионова
Строится на трехфазном трансформаторе и содержит 6 вентилей (рис. 43 а). Вентили 1, 2 и 3 образуют один трехфазный выпрямитель с выходным напряжением e01, являющимся огибающей положительных значений напряжений всех трех фаз (рис 4.43 б). Вентили 4, 5 и 6 образуют второй трехфазный выпрямитель, построенный так же на тех же вторичных обмотках трансформатора и создающий выпрямленное напряжение e02.

Это напряжение является огибающей отрицательных значений ЭДС всех фаз, так как вторая группа вентилей подсоединена к обмоткам катодами, а не анодами. Эти два выпрямителя имеют общую, точку (среднюю точку вторичных обмоток) и, таким образом, соединены последовательно. Их общее выходное напряжение:
e0= e01+ e02.
На выходе складываются только постоянные составляющие и четные гармонии пульсаций. Нечетные гармоники в двух выпрямителях получаются противофазными и при сложении компенсируются (рис. 43 в). Поэтому схема Ларионова имеет на выходе шестифазные пульсации. В каждой "фазной" обмотке токи двух выпрямителей не перекрываются во времени, так как из-за различного подключении вентилей сдвинуты по фазе на угол, равный p.
Ток первой фазы вторичной o6мотки равен сумме токов через вентили 1 и 6. Ток i1 проходит в положительном направлении в ту часть периода, когда напряжение первой фазы наибольшее и положительное, т. е. в интервале углов от —p/3 до p/3 (перекрытием фаз пренебрегаем). Ток i6 проходит в противоположном направлении и в те моменты времени, когда напряжение на первой фазе отрицательно и имеет наибольшее значение по модулю, т. e в интервале углов от 2p/3 до 4p/3 (рис. 43, г). Поэтому действующее значение тока фазы в Ö2 раз больше действующего значения тока вентиля:
I2=Ö 2 Iв=I0Ö 2 /Ö 3.
Графики токов остальных фаз, построенные по этому принципу, показаны на рис. 43, д, е. Ток вторичных обмоток не содержит постоянной составляющей, поэтому в схеме Ларионова нет вынужденного подмагничивания. а токи первичной обмотки повторяют по форме соответствующие им токи вторичной обмотки (рис. 43. ж).
Подсчет габаритной мощности трансформатора для схемы Ларионова позволяет получить:
VAтр= 3 I2E2= 3 0.815 I0 0.427 E0= 1.05 P0,
что соответствует наилучшему значению из всех схем. Так как в схеме Ларионова происходит удвоение напряжения, то обратное напряжение на вентиль получается относительно малым:
Eобр= 1.05 E0
Последнее время выпрямители по схеме Ларионова широко используются в трехфазных цепях в бестрансформаторном варианте с нагрузкой, начинающейся с емкостного элемента. Аналогичные выпрямители используются в качестве входных для источников питания с трансформаторами, работающими на повышенных частотах (50…100 кГц).
Вообще, в схеме с индуктивной нагрузкой трансформатор используется лучше, чем в схеме с емкостной нагрузкой. Это объясняется тем, что индуктивность, обладающая значительным сопротивлением для переменной составляющей тока, включается последовательно на определенную часть периода в цепь каждой фазы и уменьшает значение переменной составляющей. [2]
3.4 Сравнительная таблица некоторых параметров выпрямителей.
| Вид схемы | Схемы, работающие на емкостную нагрузку | Схемы, работающие на индуктивную нагрузку | kп(без фильтра) на Rн | fпульсац/fсигн | ||
| VAтр/P0 | Eобр/U0 | VAтр/P0 | Eобр/U0 | |||
| Однофазный выпрямитель | 2,25 | 2,65 | 1,57 | |||
| Удвоитель напряжения | 1,66 | 1,33 | ||||
| Двухфазный выпрямитель | 2,65 | 1,34 | 3,14 | 0,666 | ||
| Мостовой выпрямитель | 1,66 | 1,33 | 1,11 | 1,57 | 0,666 | |
| Трехфазный выпрямитель | 1,36 | 1,42 | 0,25 | |||
| Схема Ларионова. | 1,05 | 1,06 | 0,06 |
Некоторые замечания:
1. Амплитуда выпрямленного напряжения при работе на емкостную нагрузку примерно равна амплитуде напряжения на выходе трансформатора, при работе на индуктивную нагрузку – меньше.
2: Выходной ток зависит от Rн, а при емкостном фильтре еще и от параметров фильтра и угла отсечки тока (т.е. надо знать Imax, Iдейств).
3. Коэффициент пульсаций kп обычно приводят при работе на активную нагрузку, он сильно уменьшается с ростом числа фаз. Для бытовых целей kп =0.06 может оказаться вполне достаточно.
3.5 Сглаживающие фильтры.
Для уменьшения переменной составляющей выпрямленного напряжения (снижения kп) между выпрямителем и нагрузкой включают фильтр. Он пропускает с малым ослаблением постоянную составляющую и с большим – переменную. Фильтр на основе простого Г-образного звена представлен на рис. 44 а:
![]() |
Здесь, при условии малости переменной составляющей:
e» E0 – напряжение на выходе выпрямителя (входе фильтра),
u» U0 – напряжение на нагрузке (выходе фильтра).
Считая, что переменная часть входного и выходного сигнала фильтра ограничивается одной гармоникой (с амплитудами соответственно E1 и U1), введем коэффициент сглаживания g:
Для фильтра без потерь U0=E0 и с учетом wпCR>>1:
g=E1/U1»w п2LC–1=(wп/wф)2–1,
где wф2=1/LC.
Чтобы сглаживание пульсаций было эффективно, резонансная частота фильтра wф должна быть много меньше wп.
При нагрузке в виде высокоомного сопротивления может использоваться RC -фильтр (ставиться R вместо L), представленный на рис. 42 б, тогда
U0=E0R/(R+Rф),
а коэффициент пульсаций: g»w п CRф.
При применении такого фильтра при фильтрации теряется значительная часть мощности выпрямленного тока. Однако, для приемлемого по габаритам и емкости C удается подобрать сопротивление резистора Rф, удовлетворяющего как условию малых потерь мощности
Rф<<R,
так и условию хорошего сглаживания первой гармоники пульсаций
wпCR>>1.
Очевидно, что при малых сопротивлениях нагрузки это сделать затруднительно, в этом случае очевидны достоинства LC -фильтра.
На практике некоторые каскады применяемых устройств предъявляют более жесткие требования к напряжению питания, причем не имеет смысла получать все напряжения с минимальными пульсациями. Т.е. оказывается выгоднее иметь набор напряжений с различными требованиями к kп. В этих случаях используются многозвенные фильтры (рис 45).
Первое звено выпрямителя сглаживает напряжение до требуемого для одной части потребителей, потом это напряжение подвергается дополнительной фильтрации на последующих звеньях. В результате можно получить напряжение с очень малыми пульсациями.
При этом справедливо:
kп вых= kп вх / (g1g2),
а общий коэффициент сглаживания:
g=g1g2.











