4.1 Общие замечания.
Регулировка выходного напряжения, в принципе, может осуществляться следующими способами:
- изменением коэффициента трансформации трансформатора, однако при этом получается сложная и ненадежная механическая конструкция,
-
применением переменного резистора на выходе, что ведет к существенному снижению КПД выпрямителя.
Кроме того, оба способа малопригодны для электронного, в т.ч. автоматического изменения выходных параметров. Указанные недостатки устраняются при применении метода, основанного на управлении длительностью открытого состояния вентилей выпрямителя.
На практике применяются управляемые вентили двух основных типов: транзисторные и тиристорные. Транзисторные (на БТ или ПТ) относятся к управляемым вентилям, которые полностью управляются по входу. Тиристорные вентили могут быть только включены по входу, для выключения необходимо специальное схемотехническое решение. С точки зрения рабочих токов и напряжений тиристорные вентили обладают значительным преимуществом по сравнению с транзисторными, однако имеют существенно меньшие рабочие частоты. [2]
|
|
|
4.2 Замечания о тиристорном вентиле.
Пример схемы включения тиристора представлен на рис. 47.
Его ВАХ приведены на рис. 48.
![]() |
Работа схемы, содержащей источник питания, тиристор и нагрузку в виде резистора анализируется с помощью графо-аналитического метода, заключающегося в наложении характеристики нагрузки на характеристику активного элемента. В данном случае для тиристора возможны два устойчивых состояния, одно из которых соответствует закрытому состоянию (точка В на рис. 48) при iупр = iупр1 =0, а второе – открытому состоянию (точка А на рис. 48) тиристора при iупр=iупр2,3,4 >0. Точка C соответствует неустойчивому состоянию.
Временные диаграммы гипотетического варианта работы схемы рис. 49 представлены на рис. 49. В исходном состоянии напряжение на тиристоре равно Umax»E.

В момент времени подачи управляющего импульса t1 тиристор отпирается и напряжение на нем падает до uост. В этом состоянии тиристор может находиться неограниченно долго, причем его нельзя закрыть подачей входного управляющего импульса тока. Для его запирания необходимо поменять полярность напряжения на его аноде (t2 - момент времени переполюсовки). При этом тиристор должен находиться в этом состоянии время t, которое больше времени восстановления tвост. Для современных тиристоров tвост <10 мкс, что позволяет применять их в инверторах (ВЧ генераторах) с частотой до десятков кГц. В момент времени t3 производиться обратная переполюсовка и возврат к исходному состоянию.
|
|
|
При этом на нагрузке формируется прямоугольное напряжение, соответствующее по форме току через тиристор (почти меандр, если время восстановления мало). Таким образом, получаем как бы инвертор с «ручным» управлением. На практике изменение полярности напряжения на тиристоре реализуется схемными методами.
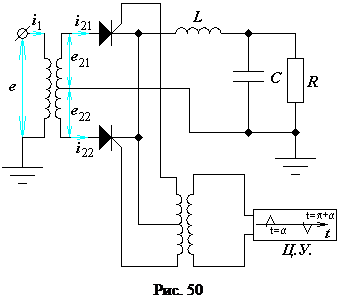
4.3 Регулируемый двухфазный выпрямитель на тиристорах.
Схема регулируемого двухфазного выпрямителя на тиристорах представлена на рис. 50. Здесь диоды заменены на управляемые тиристорные вентили. Обычно такие выпрямители работают на индуктивную нагрузку.
![]() |
Его временные диаграммы изображены на рис. 51.
![]() |
Нормальный режим работы этой схемы при L>>Lкр.
Для этой схемы постоянная составляющая напряжения на нагрузке (выделяющаяся фильтром из заштрихованной части напряжения, рис. 51)
равна:

Отсюда видно, что при изменении a (0<a<p/2) постоянная составляющая изменяется от E0max до 0.
Анализ коэффициента пульсаций kп=U1 /E0 показывает, что
где wп – частота пульсаций, для двухфазного выпрямителя равная удвоенной частоте, а D (a) – коэффициент, изменение величины которого для двухфазной схемы представлено на рисунке 52.
![]() |
Обратное напряжение на тиристорах и максимальные токи через них такие же как и в схеме на диодах.
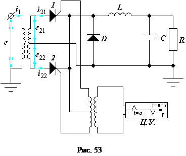
4.4 Регулируемый выпрямитель с обратным диодом.
Схема регулируемого выпрямителя с обратным диодом представлена на рис. 53.
Временные диаграммы ее работы - на рис. 54.
Первый тиристор отпирается в момент времени a, второй – в p+a. В момент времени wt=k p открывается диод, что определяет момент времени запирания любого тиристора равный k p. Таким образом, при непрерывном токе через индуктивность часть периода работает тиристор, часть – диод.
При этом постоянная составляющая:
E0=Em(1+cos a ) /p.
При a ® p E0®0,
a ®0 E0®2Em/ p.
Пределы регулировки тут шире, чем в предыдущей схеме:
0<a<p,
а коэффициент пульсаций заметно меньше:

![]() |
В каждой из этих схем величина kп при E0=E0max не лучше, чем в обычном двухтактном выпрямителе, в других случаях еще хуже.
Схема с обратным диодом предъявляет меньшие требования к трансформатору и дросселю. По сравнению с предыдущей схемой значение критической индуктивности примерно в 1,5 раза меньше. Обе схемы используются на практике, но в каждой из них регулировка в широких пределах выходного напряжения ухудшает общие параметры выпрямителя в целом. [ 2]
4.5 Регулируемый выпрямитель с вольт - добавкой.
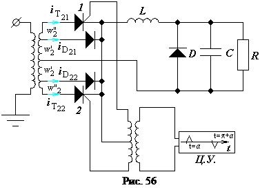
Схема выпрямителя с вольт - добавкой представлена на рис. 56.

Временные диаграммы представлены на рис. 57.
![]() |
Отметим, что напряжение на тиристорах больше, чем на диодах.
Минимальное выпрямленное напряжение выпрямителя получается при a=p, что соответствует обычному диодному выпрямителю и равно:
E0min=2Emax /p.
Максимальное напряжение:
E0max=E0min z,
где z= (W2’+W2“)/W2’.
Регулировочная характеристика выпрямителя определяется формулой:
![]() |
Использование схемы с вольт-добавкой позволяет улучшить характеристики выпрямленного напряжения (в частности, kп) за счет уменьшения пределов регулировки и некоторого усложнения схемы.













