Двухтактные ключевые генераторы, или резонансные инверторы, широко применяются в ЭПУ. Существуют две разновидности двухтактных инверторов – последовательного (рис. 70а) и параллельного (рис. 71а) типов.
![]() |
Они отличаются формой импульсов тока транзисторных ключей и напряжения на них. Инверторы достаточно эффективно работают на настроенную резонансную нагрузку.
В схеме последовательного типа (рис. 70 а) за счет поочередного отпирания транзисторов напряжение на их коллекторах приобретает форму, близкую к прямоугольной, с размахом импульсов, равным напряжению источника питания E. Этими колебаниями в нагрузочном контуре LCR при достаточно высокой его добротности возбуждается гармонический ток iн. Полуволны тока iн поочередно протекают через транзисторы (iк на рис. 70 б). Остаточное напряжение uост на открытых транзисторах повторяет форму импульсов тока. При расстройке нагрузочного контура между первой гармоникой прямоугольного напряжения и током контура возникает фазовый сдвиг j, в результате которого появляются интервалы времени, когда ток при открытом транзисторе имеет обратное направление, что соответствует инверсному режиму его работы (рис. 70 в). Для устранения этого режима транзисторы шунтируют диодами.
|
|
|
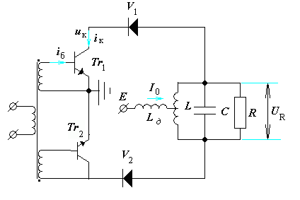
В схеме параллельного типа (рис. 71а) транзисторы также поочередно отпираются на время, равное полупериоду частоты.


|
Поскольку ток дросселя L д при достаточно большой его индуктивности за период колебаний можно считать неизменным, токи транзисторов приобретают форму прямоугольных импульсов (iк на рис. 71 б). Этими импульсами возбуждается параллельный нагрузочный контур LCR, и на нем при достаточно большой добротности выделяется напряжение гармонической формы с амплитудой UR max. Напряжения на запертых транзисторах повторяют напряжение на контуре, и, следовательно, имеют вид синусоидальных импульсов с отсечкой 90 градусов, высота которых UK max вдвое больше амплитуды колебаний на контуре UK max. Это объясняется тем, что напряжение UR max изменяется относительно средней точки контура, а UK max – между его концами.
Расстройка нагрузочного контура в схеме параллельного типа приводит к возникновению интервалов времени, в течении которых напряжение на запертых транзисторах должно стать отрицательным, что вызывает преждевременное отпирание или задерживает отключение транзисторов на время нахождения их в инверсном режиме. Эти явления искажают режим работы транзисторов и форму выходного сигнала (рис. 71а). Для устранения инверсного режима последовательно с транзисторами включают диоды.
|
|
|
Количественные соотношения для схем инверторов в устоявшемся режиме выводятся из разложения в ряд Фурье прямоугольных колебаний, которыми возбуждаются контуры. Если добротность контура превышает несколько единиц, влиянием высших гармоник на энергетические характеристики можно пренебречь.
Формулы расчета инверторов и их основные характеристики приведены в следующей таблице:
| Усилитель | Максимальное напряжение на транзисторах UK max | Максимальное значение импульса тока IK max | Амплитуда напряжения на нагрузке Uн | КПД h |
| Последова-тельного типа | E | p I0 | 2 E (1-p Uост /2 E)/p | 1-p Uост /2 E =- =1-p IK_max /2Sгр UK max |
| Параллельного типа | p(E - Uост) | I0 | p E (1- Uост / E)/2 | 1- Uост / E =- =1-p IK max /Sгр UK max |
При расчете инверторов на заданное использование транзисторов по току и напряжению данные этой таблицы позволяют определить напряжение источника питания E, потребляемый ток I0, КПД и амплитуду напряжения на нагрузочном сопротивлении Uн. По этим данным находят потребляемую мощность P0, мощность в нагрузке P~ и сопротивление нагрузки:
P0 = EI0; P~ = P0 h; R = Uн2 /2 P~.
При расчете на заданную мощность определяют напряжение питания, исходя из формул таблицы и максимального рабочего напряжения предлагаемого к использованию транзистора. Далее, приняв h»0,9, находят P0 и. IK max. Если при этом окажется, что IK max > iдоп, следует выбрать другой тип транзистора, либо применить параллельное соединение транзисторов.
Остаточное напряжение вычисляют по формуле uост = IK max /Sгр (при параллельном соединении транзисторов uост = IK max /nSгр). Затем уточняют КПД и определяют значения P0, I0; Uн и R.
Следует отметить, что при полном (одинаковом) использовании транзисторов по току и напряжению обе схемы обеспечивают примерно одинаковую мощность, однако КПД параллельной схемы оказывается ниже. При заданном напряжении источника питания и когда оно значительно меньше допустимого для транзистора E < e доп/p схема параллельного типа позволяет получить большую мощность (приблизительно в три раза) и более высокий КПД по сравнению с последовательной при одинаковом использовании транзисторов по току.







