Производство электрической и тепловой энергии
Возмещение расходов, вызванных смертью наследодателя, и расходов на охрану наследства и управление им
За счет наследства в пределах его стоимости возмещаются:
1) необходимые расходы, вызванные предсмертной болезнью наследодателя;
2) расходы на его достойные похороны, включая необходимые расходы на оплату места погребения;
3) расходы на охрану наследства и управление им;
4) расходы, связанные с исполнением завещания.
Требования о возмещении перечисленных расходов могут быть предъявлены к наследникам, принявшим наследство, а до его принятия - к исполнителю завещания или к наследственному имуществу. Следует обратить внимание на то, что все эти расходы возмещаются до уплаты долгов кредиторам наследодателя и в пределах стоимости перешедшего к каждому из наследников наследственного имущества.
Учитывая, что размеры наследственного имущества не всегда соответствуют величине необходимых расходов, установлена очередность их возмещения: в первую очередь возмещаются расходы, вызванные болезнью и похоронами наследодателя, во вторую - расходы на охрану наследства и управление им и в третью - расходы, связанные с исполнением завещания (абз. 2 п. 2 ст. 1174 ГК).
|
|
|
Для осуществления расходов на достойные похороны наследодателя могут быть использованы любые принадлежавшие ему денежные средства, в том числе находящиеся во вкладах или на счетах в банках. Банки, во вкладах или на счетах которых находятся денежные средства наследодателя, обязаны по постановлению нотариуса предоставить их лицу, указанному в постановлении нотариуса, для оплаты указанных расходов.
Тот наследник, которому завещаны денежные средства, внесенные во вклад или находящиеся на любых других счетах наследодателя в банках, в том числе в случае, когда они завещаны путем завещательного распоряжения в банке, вправе в любое время до истечения шести месяцев со дня открытия наследства получить из вклада или со счета наследодателя денежные средства, необходимые для его похорон. Однако размер средств, выдаваемых банком на похороны наследнику или указанному в постановлении нотариуса лицу, не может превышать 40 тыс. руб. (абз. 4 п. 3 ст. 1174 ГК в ред. Федерального закона от 30 июня 2008 г. N 105-ФЗ).
[1] Этот перечень –закрытый. РГП не допускает известного некоторым правопорядкам "дарения mortis causa" (на случай смерти), которое могло бы служить обходу норм наследственного права, защищающих интересы кредиторов умершего.
Энергетика – это совокупность естественных, природных и искусственных, созданных человеком систем, предназначенных для получения, преобразования, распределения и использования энергетических ресурсов всех видов. Энергоресурсами являются все материальные объекты, в которых сосредоточена энергия для возможного использования ее человеком.
|
|
|
Среди различных видов энергии, используемых людьми, электроэнергия выделяется рядом существенных достоинств. Это относительная простота ее производства, возможность передачи на очень большие расстояния, простота преобразования в тепловую, механическую, световую и иную энергию, что делает электроэнергетику важнейшей отраслью жизнедеятельности человека.
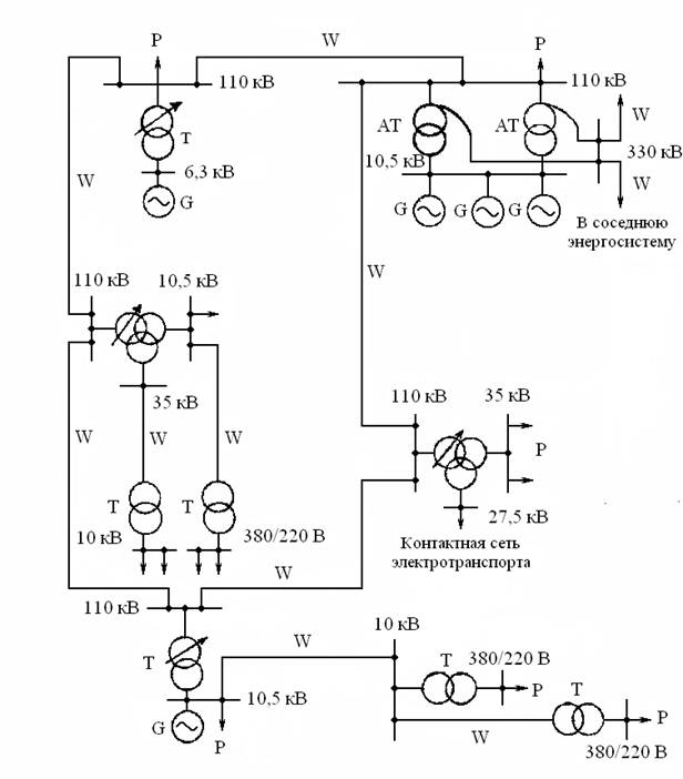
Процессы, происходящие при производстве, распределении, потреблении электрической энергии, неразрывно взаимосвязаны. Также взаимосвязаны и объединены установки по выработке, передаче, приему и преобразованию электроэнергии. Такие объединения называются электроэнергетическими системами (рис.1.1) и являются составной частью энергетической системы. В соответствии с [2] энергетической системой называют совокупность электрических станций, котельных, электрических и тепловых сетей, соединенных между собой и связанных общностью режима в непрерывном процессе производства, преобразования и распределения электроэнергии и теплоты при общем управлении этими режимами.

Рис. 1.1. Упрощенная схема электрической системы:
G – генераторы электроэнергии; Т – трансформаторы; Р – электрические нагрузки;
W – линии электропередачи; АТ – автотрансформаторы
Составной частью электроэнергетической системы является система электроснабжения, представляющая собой совокупность электроустановок, предназначенных для обеспечения потребителей электрической энергией.
Аналогичное определение можно дать системе теплоснабжения.
Развитие человеческого общества, связанное с научно-техническим и социальным процессом, невозможно без увеличения количества потребляемой энергии и освоения новых, более эффективных ее видов. Эти процессы непосредственно связаны между собой, что можно проследить на примере нашей страны за последнее столетие.[1]
Перед началом первой мировой войны в 1913 г. Россия производила 2,0 млрд кВт.ч электроэнергии в год и занимала по этому показателю 15-е место в мире. К окончанию войн в 1921 г. Производство электрической энергии снизилось до 0,5 млрд кВт.ч а год. Аналогичные процессы происходили в экономике страны в целом (см. таблицу 1.1). Индустриализация, реализация плана ГОЭЛРО позволили СССР к 1940 г. выйти на третье место в мире после США и Германии по выработке электроэнергии (рис. 1.2). В стране были построены десятки электростанций, введены в эксплуатацию линии электропередачи (ЛЭП) напряжением 110 кВ, созданы первые электроэнергетические системы. Значительные успехи были достигнуты отечественной энергетикой после восстановления народного хозяйства по окончании Великой Отечественной войны. Советский Союз занял второе место в мире по всем основным энергетическим показателям, а по некоторым из них стал мировым лидером. Были построены тепловые электрические станции (ГРЭС), Волжский каскад гидроэлектростанций (ГЭС), крупные ГЭС в Сибири, атомные электростанции (АЭС), введены в строй ЛЭП напряжением 750 кВ от Курской и Чернобыльской АЭС и 1150 кВ Экибастуз-Кокчетав (табл. 1.2). В 1988 г. В СССР было добыто 625 млн тонн нефти и 770 млрд кубометров природного газа, что позволило этим отраслям выйти на первое место в мире. Динамика добычи основных видов органического топлива приведена в табл. 1.3. Последовавшие в конце 80-х годов экономические и политические процессы в стране соответствующим образом отразились и на энергетике (рис. 1.3).
Таблица 1.1. Общие экономические показатели России в 1913…1920 годах.
|
|
|
| Показатели | Уровень в % | ||
| 1913 г. | 1917 г. | 1920 г. | |
| Крупная промышленность | |||
| Выплавка чугуна | |||
| Добыча нефти | |||
| Добыча угля | |||
| Производство электроэнергии | - |
Таблица 1.2. Электрические станции России.
| Название станции | Установленная мощность станции, МВт | Мощность одной турбины, МВт | Примечание |
| Конаковская ГРЭС | |||
| Рефтинская ГРЭС | |||
| Березовская ГРЭС | |||
| Рязанская ГРЭС | |||
| Костромская ГРЭС | |||
| Ленинградская АЭС | Мощность реактора 1000МВт | ||
| Братская ГЭС | р. Ангара, высота плотины 126 м, длина плотины 924 м | ||
| Красноярская ГЭС | р. Енисей, высота плотины 124 м, длина – 1072 м | ||
| Саяно-Шушенская ГЭС | р. Енисей, высота плотины 242 м, длина – 1477 м | ||
| Саратовская ГЭС | |||
| Волгоградская ГЭС |
Таблица 1.3. Добыча органического топлива в СССР.
| Топливо | 1970 г. | 1975 г. | 1980 г. | 1985 г. | 1988 г. | 1990 г. |
| Нефть, млн т | ||||||
| Газ, млрд м3 | ||||||
| Уголь, млн т |

Рис.1.2. Развитие электроэнергетики страны.
Рис.1.3.а. Прогноз развития энергетики России:
Потребление электроэнергии, млрд. кВт/ч в год.
Рис.1.3.б. Прогноз развития энергетики России: Структура топливопотребления.
Прогноз развития энергетики России [3] показывает, что лишь к 1998 г. прекратится спад электропотребления в стране, а к 2005 г. будет достигнут уровень 1990 г., который в 2010 г. будет превышен на 18…20%. Темпы выхода из кризиса и дальнейшего развития отрасли кроме всего прочего определяются и уровнем подготовки новых кадров, в том числе нынешних студентов.