Работа
_______________________________________________________________________________
_______________________________________________________________________________
_______________________________________________________________________________
_______________________________________________________________________________
______________________________________________________________________________________________________________________________________________________________
_______________________________________________________________________________
_______________________________________________________________________________
_______________________________________________________________________________
_______________________________________________________________________________
_______________________________________________________________________________
_______________________________________________________________________________
_______________________________________________________________________________
_______________________________________________________________________________
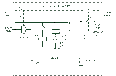
Структурная схема системы вторичных источников питания (СЭ)

_______________________________________________________________________________
_______________________________________________________________________________
_______________________________________________________________________________
_______________________________________________________________________________
_______________________________________________________________________________
_______________________________________________________________________________
_______________________________________________________________________________
_______________________________________________________________________________
_______________________________________________________________________________
_______________________________________________________________________________
_______________________________________________________________________________
_______________________________________________________________________________
_______________________________________________________________________________
_______________________________________________________________________________
_______________________________________________________________________________
_______________________________________________________________________________
_______________________________________________________________________________
_______________________________________________________________________________
_______________________________________________________________________________
_______________________________________________________________________________
_______________________________________________________________________________
_______________________________________________________________________________
_______________________________________________________________________________
_______________________________________________________________________________
_______________________________________________________________________________
_______________________________________________________________________________
_______________________________________________________________________________
_______________________________________________________________________________
_______________________________________________________________________________
_______________________________________________________________________________
_______________________________________________________________________________
_______________________________________________________________________________
_______________________________________________________________________________
_______________________________________________________________________________
_______________________________________________________________________________
3. НАЗНАЧЕНИЕ, СОСТАВ И ХАРАКТЕРИСТИКА СИСТЕМЫ ВСТРОЕННОГО КОНТРОЛЯ
_______________________________________________________________________________
_______________________________________________________________________________
_______________________________________________________________________________
_______________________________________________________________________________
_______________________________________________________________________________
_______________________________________________________________________________
_______________________________________________________________________________
_______________________________________________________________________________
_______________________________________________________________________________
_______________________________________________________________________________
_______________________________________________________________________________
_______________________________________________________________________________
_______________________________________________________________________________
_______________________________________________________________________________
_______________________________________________________________________________
_______________________________________________________________________________
_______________________________________________________________________________
_______________________________________________________________________________
_______________________________________________________________________________
_______________________________________________________________________________
_______________________________________________________________________________
_______________________________________________________________________________
_______________________________________________________________________________
_______________________________________________________________________________
_______________________________________________________________________________
_______________________________________________________________________________
_______________________________________________________________________________
_______________________________________________________________________________
_______________________________________________________________________________
_______________________________________________________________________________
_______________________________________________________________________________
_______________________________________________________________________________
_______________________________________________________________________________
_______________________________________________________________________________
_______________________________________________________________________________
_______________________________________________________________________________
_______________________________________________________________________________
_______________________________________________________________________________
_______________________________________________________________________________
_______________________________________________________________________________
_______________________________________________________________________________
_______________________________________________________________________________
_______________________________________________________________________________
_______________________________________________________________________________
_______________________________________________________________________________
_______________________________________________________________________________
_______________________________________________________________________________
_______________________________________________________________________________
_______________________________________________________________________________
_______________________________________________________________________________
Вид занятия: практическое занятие;
Время: 4 часа.
Цель: 1. Практически закрепить установку органов управления ССЦ в исходное положение;
2. Практически закрепить порядок включения и выключения ССЦ в амплитудном и СДЦ режимах;
3. Практически закрепить порядок проверки работоспособности ССЦ.
Учебные вопросы:
1. Установка органов управления ССЦ в исходное положение;
2. Порядок включения и выключения ССЦ в амплитудном и СДЦ режимах;
3. Проверка работоспособности ССЦ.
Литература: 1. РудиановГ.В., Переверзев М.А. Устройство и эксплуатация ЗПРК 2К22. Часть II. Станция сопровождения целей. Конспект лекций. С.-Пб. 2011, с. 9-57.
1. УСТАНОВКА ОРГАНОВ УПРАВЛЕНИЯ ССЦ В ИСХОДНОЕ ПОЛОЖЕНИЕ
На блоке СИ1:
· ручка ЯРКОСТЬ _____________________________________________________________
· ручка ФОКУС ______________________________________________________________
Ручки предварительно расстопорить.
· ручки РРУ I КАН, РРУ II КАН _________________________________________________
· кнопка-табло РПЧМ _________________________________________________________
· кн-тб. «ОТКЛ.ПРИВ.АЗ» и «ОТКЛ.ПРИВ.УМ» __________________________________
Остальные кнопки-табло и переключатели в отжатом положении.
На блоке СИ2:
· переключатель ТОК __________________________________________________________
· переключатель СО-ВЫКЛ. ____________________________________________________
· переключатель КУА-ВЫКЛ. __________________________________________________
· переключатель КАН-ВЫКЛ. __________________________________________________
· ручки ФОКУС, ЯРКОСТЬ ____________________________________________________
Ручки предварительно расстопорить, повернув цанги влево.
· тумблер ТОЧНО-ГРУБО КАН.ПУАПЧ _________________________________________
· кнопка-табло КОНТР. ________________________________________________________
На блоке СУ5:
· ручка КОМПЕНСАЦИЯ ВЕТРА ________________________________________________
· тумблер УЗК.СТРОБ – ШИР.СТРОБ ___________________________________________
· кнопка-табло ЭКВ. – _________________________________________________________
· кнопка-табло РАЗРЕШ.НЛЦ – _________________________________________________
Остальные кнопки-табло и переключатели в отжатом положении.
При отсутствии в изделии 2С6М изделия 6110-21 тумблер БЛОКИР.6110 – ВЫКЛ. на шасси блока У0070100 ___________________________________________________________
При установке изделия 6110-21 ________________________________________________
_______________________________________________________________________________
_______________________________________________________________________________
_______________________________________________________________________________
_______________________________________________________________________________
2. ВКЛЮЧЕНИЕ И ВЫКЛЮЧЕНИЕ СТАНЦИИ СОПРОВОЖДЕНИЯ ЦЕЛИ
Включение ССЦ
Включение ССЦ производить после включения ЦВС.
_______________________________________________________________________________
_______________________________________________________________________________
_______________________________________________________________________________
_______________________________________________________________________________
_______________________________________________________________________________
_______________________________________________________________________________
_______________________________________________________________________________
_______________________________________________________________________________
_______________________________________________________________________________
_______________________________________________________________________________
_______________________________________________________________________________
_______________________________________________________________________________
_______________________________________________________________________________
_______________________________________________________________________________
_______________________________________________________________________________
_______________________________________________________________________________
_______________________________________________________________________________
_______________________________________________________________________________
_______________________________________________________________________________
_______________________________________________________________________________
_______________________________________________________________________________
_______________________________________________________________________________
Выключение ССЦ
_______________________________________________________________________________
_______________________________________________________________________________
_______________________________________________________________________________
______________________________________________________________________________________________________________________________________________________________
_______________________________________________________________________________
_______________________________________________________________________________
_______________________________________________________________________________
_______________________________________________________________________________
_______________________________________________________________________________
______________________________________________________________________________________________________________________________________________________________
_______________________________________________________________________________
_______________________________________________________________________________
3. ПРОВЕРКА РАБОТОСПОСОБНОСТИ ССЦ






