Распределителем импульсов называется устройство, которое распределяет поступающую на его вход серию импульсов по независимым выходным цепям. При наличии у распределителя N выходов он преобразует временную последовательность импульсов (последовательный единичный код) в код
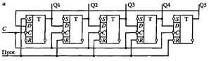
. Простейшим распределителем импульсов является кольцевой сдвигающий счетчик с числом устойчивых состояний, равным числу распределяемых импульсов (см. рис.).


При большом числе выходных цепей более рациональным является матричный распределитель, состоящий из многоразрядного счетчика СТ и дешифратора DC.

Дешифратор преобразует кодовую комбинацию сигналов с выходов счетчика в код
. По мере поступления импульсов на вход С счетчика СТ на его выходах меняется комбинация сигналов, поступающих на входы дешифратора DC. Сигнал переходит последовательно с одного выхода дешифратора на другой. В распределителях могут быть использованы одно- или многоступенчатые дешифраторы. Одноступенчатые дешифраторы в распределителях применяются при числе выходов N<16 (реже при N = 32). При
большем числе выходов в распределителях используются многоступенчатые дешифраторы, позволяющие значительно уменьшить число логических элементов.






