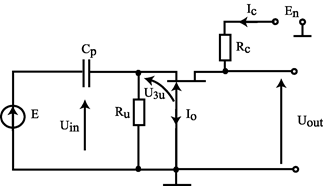
Схема усилителя с общим затвором (ОЗ) показана на рис. 14.2. Входное напряжение подается на исток, а выходное снимается со стока. По второму закону Кирхгофа выражение для выходного напряжения имеет вид (14.1)
|
| Рис. 14.2 Усилитель с ОЗ |
Если увеличивать входное напряжение
, то потенциал на истоке транзистора возрастает. При этом разность потенциалов между затвором и истоком также возрастает, поэтому ток стока
уменьшается, следовательно, выходное напряжение
в соответствии с выражением (14.1) увеличивается. Если понижать входное напряжение на истоке, то разность потенциалов между затвором и истоком уменьшается, следовательно ток стока
увеличивается и выходное напряжение
в соответствии с (14.1) уменьшается.
Таким образом, повышение входного напряжения приводит к увеличению выходного, а понижение входного– к уменьшению выходного. Отметим, что если изначально транзистор находится в активном режиме, то его ток стока в некотором диапазоне не зависит от разности напряжений между стоком и истоком.
|
|
|
Разделительная емкость
не пропускает постоянное напряжение. Она осуществляет развязку по постоянному току между усилителем и источником внешнего сигнала E.
Сопротивление
в данной схеме отсутствует, затвор непосредственно подключается к общей точке, поэтому напряжение между затвором и истоком
при отсутствии входного сигнала равно:
. (14.4)
Сопротивление
, также, как и в схеме с ОИ, определяет насколько сильно будет изменяться выходное напряжение при изменении тока стока, т.е. от входного напряжения. Однако, в данном случае коэффициент передачи усилителя имеет вид:
. (14.5)
Сопротивление истока
определяет напряжение на затворе в рабочей точке, что видно из выражения (14.4). Очевидно, что в данном случае нельзя шунтировать сопротивление истока, так как оно определяет нагрузку источника ЭДС.






